PLAN
NAMJENE I KORIŠTENJA RADIOFREKVENCIJSKOG SPEKTRA U BOSNI I HERCEGOVINI
AUGUST 2025. GODINE
DIO I - TERMINI I DEFINICIJE U RADIOKOMUNIKACIJAMA
Definicije i objašnjenja dati u ovom dijelu pravila Plan namjene i korištenja frekvencija u Bosni i Hercegovini (u daljem tekstu Plan namjene) preuzeti su iz Radio pravilnika Međunarodne unije za telekomunikacije (ITU Radio Regulations).
Izrazi upotrijebljeni u Planu namjene imaju značenja koja su definisana u tekstu ovog dijela Pravila. U tekstu se nalaze i neki termini koji se ne pojavljuju direktno u Planu namjene, ali služe za pojašnjenje i definisanje drugih termina.
1. Opći termini
1.1. Administracija: Zakonom definisana i ovlaštena institucija ili organizacija koja je odgovorna za poduzimanje mjera radi izvršenja zakonom predviđenih obaveza i procedura Statuta i Konvencije o telekomunikacijama i Radio pravilnika Međunarodne unije za telekomunikacije (ITU).
1.2. ITU Radio pravilnik: Pravilnik o radiokomunikacijama dodat Statutu i Konvenciji Međunarodne unije za telekomunikacije koji je trenutno na snazi.
1.3. Telekomunikacije: Svako emitovanje, prijenos ili prijem poruka (govor, zvuk, tekst, slika ili podaci) u vidu signala, korištenjem žičnih, radio, optičkih ili drugih elektromagnetnih sistema.
1.4. Radio: Opći izraz koji se primjenjuje u vezi sa upotrebom radiotalasa.
1.5. Radiotalasi ili hercovi talasi: Elektromagnetni talasi čija je frekvencija, prema dogovoru, niža od 3000 GHz, a koji se rasprostiru u prostoru bez vještačkog vođenja.
1.6. Radiofrekvencija: Osnovni fizički parametar elektromagnetnih talasa ili radiotalasa koji se slobodno prostiru kroz prostor i čije se vrijednosti konvencionalno nalaze u opsegu od 8.3 kHz do 3000 GHz (u daljem tekstu
frekvencija).
1.7. Radiofrekvencijski kanal: Dio radiofrekvencijskog spektra namijenjen da se koristi za emisiju, a koji može biti definisan pomoću dvije određene granice, ili svojom centralnom frekvencijom i pridruženom širinom opsega, ili pomoću bilo kojeg ekvivalentnog pokazatelja.
1.8. Radiofrekvencijski opseg: Dio radiofrekvencijskog spektra koji se nalazi između dvije određene granične frekvencije.
1.9. Radiokomunikacije: Prijenos telekomunikacijskih signala elektromagnetnim talasima iz radiofrekvencijskog spektra koji se slobodno prostiru kroz otvoreni prostor.
1.10. Terestrijalna radiokomunikacija: Svaka radiokomunikacija koja nije svemirska radiokomunikacija ili radioastronomija.
1.11. Svemirska radiokomunikacija: Svaka radiokomunikacija ostvarena korištenjem jedne ili više svemirskih stanica, ili jednog ili više reflektujućih satelita ili drugih objekata u svemiru.
1.12. Radiodeterminacija: Određivanje položaja, brzine i/ili drugih karakteristika nekog predmeta, ili dobijanje obavještenja koja se odnose na ove parametre, pomoću osobina prostiranja radiotalasa.
1.13. Radionavigacija: Radiodeterminacija upotrijebljena u svrhu navigacije, uključujući i upozorenja na prepreke.
1.14. Radiolokacija: Radiodeterminacija koja ne obuhvata radionavigaciju.
1.15. Radiogoniometrija: Radiodeterminacija u kojoj se koristi prijem radiotalasa u svrhu određivanja smjera stanice ili predmeta.
1.16. Radioastronomija: Astronomija zasnovana na prijemu radiotalasa svemirskog porijekla.
1.17. Koordinisano univerzalno vrijeme (UTC): Vremenska skala, zasnovana na sekundi Međunarodnog sistema jedinica (SI), kako je određeno u Rezoluciji 655 (WRC-15).
1.18. Industrijska, naučna i medicinska (ISM) primjena energije radiofrekvencija: Rad uređaja ili aparata konstruisanih za generisanje i lokalnu upotrebu energije radiofrekvencija u industrijske, naučne, medicinske, kućanske ili slične svrhe, isključujući primjenu u oblasti telekomunikacija.
2. Posebni termini značajni za upravljanje radiofrekvencijskim spektrom2.1. Namjena (radiofrekvencijskog opsega): Upis datog radiofrekvencijskog opsega u Tabelu namjene radiofrekvencija u svrhu njegove upotrebe od strane jedne ili više terestrijalnih ili svemirskih službi radiokomunikacija ili radioastronomske službe pod određenim uslovima. Ovaj se termin također upotrebljava za određeni radiofrekvencijski opseg.
2.2. Raspodjela (radiofrekvencije ili radiofrekvencijskog kanala): Upis određenog frekvencijskog kanala u usaglašeni plan, usvojen na odgovarajućoj konferenciji, za upotrebu od strane jedne ili više administracija za terestrijalnu ili svemirsku radioslužbu, u jednoj ili više država ili geografskih područja pod određenim uslovima.
2.3. Dodjela (radiofrekvencije ili radiofrekvencijskog kanala): Odobrenje administracije kojim se radiostanici odobrava korištenje radiofrekvencije ili radiofrekvencijskog kanala pod određenim uslovima.
3. Radiokomunikacijske službe3.1. Radiokomunikacijska služba: Služba koja podrazumijeva prijenos, predaju i/ili prijem radiotalasa za određene potrebe telekomunikacija. U ovom Planu, ako nije drugačije naznačeno, svaka radioslužba se odnosi na terestrijalne radiokomunikacije.
3.2. Fiksna služba: Radiokomunikacijska služba između određenih fiksnih tačaka.
3.3. Fiksna satelitska služba: Radiokomunikacijska služba između zemaljskih stanica koje se nalaze na određenim fiksnim tačkama kada se koristi jedan ili više satelita. U izvjesnim slučajevima, ova služba obuhvata i veze između satelita, koje se također mogu svrstati u međusatelitsku službu. Fiksna satelitska služba može obuhvatati i linkove za napajanje za druge svemirske radiokomunikacijske službe.
3.4. Međusatelitska služba: Radiokomunikacijska služba koja obezbjeđuje veze između vještačkih satelita.
3.5. Služba operacija u svemiru: Radiokomunikacijska služba čiji je zadatak da obezbijedi rad sa svemirskim letjelicama, za slučaj praćenja svemira, telemetrije svemira i telekomande svemira. Ove funkcije bit će obezbijeđene u okviru službe u kojoj rade svemirske stanice.
3.6. Mobilna služba: Radiokomunikacijska služba između mobilnih i kopnenih radiostanica ili između mobilnih radiostanica.
3.7. Mobilna satelitska služba: Radiokomunikacijska služba:
- Između mobilnih zemaljskih stanica i jedne ili više svemirskih stanica, ili između svemirskih stanica korištenih u ovoj službi, ili
- između mobilnih zemaljskih stanica posredstvom jedne ili više svemirskih stanica.
Ova služba može također obuhvatati i linkove za napajanje koji su potrebni za njeno korištenje.
3.8. Mobilna kopnena služba: Mobilna služba između baznih radiostanica i kopnenih mobilnih radiostanica, ili između kopnenih mobilnih radiostanica.
3.9. Mobilna kopnena satelitska služba: Mobilna satelitska služba u kojoj se mobilne zemaljske stanice nalaze na kopnu.
3.10. Mobilna pomorska služba: Mobilna služba između obalnih radiostanica i brodskih radiostanica, ili između brodskih radiostanica, ili između pridruženih radiostanica za komunikacije na palubi. Radiostanice na objektima za spašavanje i stanice radiofarova za označavanje mjesta hitnih slučajeva mogu također učestvovati u ovoj službi.
3.11. Mobilna pomorska satelitska služba: Mobilna satelitska služba u kojoj se mobilne zemaljske stanice nalaze na brodu. Radiostanice na objektima za spašavanje i stanice radiofarova za označavanje mjesta hitnih slučajeva isto tako mogu učestvovati u ovoj službi.
3.12. Služba lučkih operacija: Pomorska mobilna služba u luci ili u njenoj blizini, između obalnih radiostanica i brodskih radiostanica, ili između brodskih radiostanica, u kojoj su poruke ograničene na one koje se odnose na upravljanje, manevar i sigurnost brodova, a u slučaju opasnosti i na sigurnost osoba. Poruke koje imaju prirodu javne korespondencije su isključene iz ove službe.
3.13. Manevarska brodska služba: Sigurnosna služba u pomorskoj mobilnoj službi, osim u službi lučkih operacija, između obalnih i brodskih radiostanica ili između brodskih radiostanica u kojoj su poruke ograničene na one koje se odnose na manevar brodova. Poruke koje imaju prirodu javne korespondencije su isključene iz ove službe.
3.14. Mobilna vazduhoplovna služba: Mobilna služba između vazduhoplovnih radiostanica i radiostanica na vazduhoplovu, ili između radiostanica na vazduhoplovu, u kojoj mogu učestvovati i radiostanice na sredstvima za spašavanje. Stanice radiofarova za označavanje mjesta hitnih slučajeva mogu također učestvovati u ovoj službi na frekvencijama određenim za slučajeve opasnosti i hitnosti.
3.15. Mobilna vazduhoplovna (R) 1 služba: Vazduhoplovna mobilna služba određena za komunikacije koje se odnose na sigurnost i regularnost leta, prvenstveno duž nacionalnih ili internacionalnih civilnih vazdušnih linija.
3.16. Mobilna vazduhoplovna (OR) 2* služba: Vazduhoplovna mobilna služba predviđena za komunikacije prvenstveno van nacionalnih ili internacionalnih civilnih vazdušnih linija, uključujući i komunikacije koje se odnose na koordinaciju leta.
3.17. Mobilna vazduhoplovna satelitska služba: Mobilna satelitska služba u kojoj se mobilne zemaljske stanice nalaze na vazduhoplovu. Radiostanice na sredstvima za spašavanje i stanice radiofarova za označavanje mjesta hitnih slučajeva mogu također učestvovati u ovoj službi.
3.18. Mobilna vazduhoplovna satelitska (R)* služba: Vazduhoplovna mobilna satelitska služba određena za komunikacije koje se odnose na sigurnost i regularnost leta, prvenstveno duž nacionalnih ili internacionalnih civilnih vazdušnih linija.
3.19. Mobilna vazduhoplovna satelitska (OR)** služba: Vazduhoplovna mobilna satelitska služba predviđena za komunikacije prvenstveno van nacionalnih ili internacionalnih civilnih vazdušnih linija, uključujući i komunikacije koje se odnose na koordinaciju leta.
3.20. Radiodifuzna služba: Radiokomunikacijska služba čije su emisije namijenjene za neposredni prijem od strane najšire javnosti. Ova služba može obuhvatati prijenos zvuka, televizijski prijenos ili druge vrste prijenosa.
3.21. Radiodifuzna satelitska služba: Radiokomunikacijska služba u kojoj su signali, emitovani ili reemitovani sa svemirskih stanica, namijenjeni za neposredni prijem od strane najšire javnosti. U radiodifuznoj satelitskoj službi, izraz "direktni prijem" odnosi se kako na "individualni" tako i na "zajednički" prijem.
3.22. Radiodeterminacijska služba: Radiokomunikacijska služba u svrhu radiodeterminacije.
3.23. Radiodeterminacijska satelitska služba: Radiokomunikacijska služba u svrhu radiodeterminacije koja uključuje upotrebu jedne ili više svemirskih stanica. Ova služba može također obuhvatati linkove za napajanje potrebne za njen vlastiti rad.
3.24. Radionavigacijska služba: Radiodeterminacijska služba u svrhu radionavigacije.
3.25. Radionavigacijska satelitska služba: Radiodeterminacijska satelitska služba korištena u svrhu radionavigacije. Ova služba može također obuhvatati linkove za napajanje potrebne za njen rad.
3.26. Radionavigacija pomorska: Radionavigacijska služba namijenjena za dobrobit i za sigurno funkcionisanje brodova.
3.27. Radionavigacija pomorska satelitska: Radionavigacijska satelitska služba u kojoj se zemaljske stanice nalaze na brodovima.
3.28. Radionavigacija vazduhoplovna: Radionavigacijska služba namijenjena za dobrobit i za sigurno funkcionisanje vazduhoplova.
3.29. Radionavigacija vazduhoplovna satelitska: Radionavigacijska satelitska služba u kojoj se zemaljske stanice nalaze na vazduhoplovu.
3.30. Radiolokacijska služba: Radiodeterminacijska služba u svrhu radiolokacije.
3.31. Radiolokacijska satelitska služba: Radiodeterminacijska satelitska služba koja se koristi u svrhu radiolokacije. Ova služba može također obuhvatati linkove za napajanje potrebne za njen rad.
3.32. Služba meteorološke pomoći: Radiokomunikacijska služba koja se koristi za meteorološka i hidrološka osmatranja i istraživanja.
3.33. Satelitsko istraživanje Zemlje: Radiokomunikacijska služba između zemaljskih stanica i jedne ili više svemirskih stanica, koja može obuhvatati i veze između svemirskih stanica, u kojoj se:
- informacije koje se odnose na karakteristike Zemlje i njenih prirodnih pojava, uključujući i podatke koji se odnose na stanje okoline, dobijaju pomoću aktivnih senzora ili pasivnih senzora na Zemljinim satelitima;
- slične informacije sakupljaju pomoću vazduhoplovnih platformi ili platformi na Zemlji;
- takve informacije mogu distribuirati zemaljskim stanicama u odgovarajućem sistemu;
- može nalaziti i veza između platformi.
Ova služba može također obuhvatati linkove za napajanje potrebne za njen rad.
3.34. Meteorološka satelitska služba: Satelitska služba istraživanja Zemlje za meteorološke potrebe.
3.35. Etalon frekvencije i signal tačnog vremena: Radiokomunikacijska služba za naučne, tehničke i druge svrhe, kojom se obezbjeđuje prijenos određenih frekvencija, i/ili vremenskih signala sa utvrđenom visokom tačnošću, koja je namijenjena općem prijemu.
3.36. Etalon frekvencije i signal tačnog vremena – satelitski: Radiokomunikacijska služba u kojoj se svemirske stanice na Zemljinim satelitima koriste u iste svrhe kao kod službe etalona frekvencije i signala tačnog vremena. Ova služba može također obuhvatati linkove za napajanje potrebne za njen rad.
3.37. Služba istraživanja svemira: Radiokomunikacijska služba u kojoj se svemirski brod ili drugi predmet u svemiru koristi u naučnoistraživačke ili tehnološkoistraživačke svrhe.
3.38. Amaterska služba: Radiokomunikacijska služba u svrhu ličnog usavršavanja, međusobnih komunikacija i tehničkih ispitivanja koja obavljaju radioamateri, tj. propisno
ovlaštene osobe koje se zanimaju za radiotehniku isključivo iz ličnih ciljeva i bez materijalne koristi.
3.39. Amaterska satelitska služba: Radiokomunikacijska služba koja koristi svemirske stanice na Zemljinim satelitima za iste svrhe kao što su svrhe amaterske službe.
3.40. Radioastronomija: Služba koja uključuje korištenje radioastronomije.
3.41. Služba bezbjednosti: Svaka radiokomunikacijska služba korištena permanentno ili povremeno za zaštitu ljudskih života i imovine.
3.42. Specijalna služba: Radiokomunikacijska služba koja nije na drugi način definisana u ovom članu, a koja se obavlja isključivo za specifične potrebe i nije otvorena za javnu korespondenciju.
4. Radiostanice i sistemi4.1. Radiostanica: Predstavlja jedan ili više predajnika ili prijemnika, ili kombinaciju predajnika i prijemnika, uključujući pripadajuću opremu, koja je potrebna na jednoj lokaciji za obavljanje radiokomunikacijske službe ili službe radioastronomije.
4.2. Terestrijalna stanica: Stanica koja se upotrebljava za terestrijalne radiokomunikacije. U ovom Planu, ako drugačije nije naznačeno, svaka stanica je terestrijalna stanica.
4.3. Zemaljska stanica: Stanica koja se nalazi ili na površini Zemlje ili u okvirima glavnog dijela Zemljine atmosfere i predviđena je za komuniciranje:
- sa jednom ili više svemirskih stanica, ili
- sa jednom ili više stanica iste vrste upotrebom jednog ili više reflektujućih satelita ili drugih objekata u svemiru.
4.4. Svemirska stanica: Stanica koja je postavljena na objektu koji je izvan većeg dijela Zemljine atmosfere ili je namijenjen da izađe ili je bio izvan većeg dijela Zemljine atmosfere.
4.5. Stanica na sredstvu za spašavanje: Mobilna stanica u pomorskoj mobilnoj službi ili vazduhoplovnoj mobilnoj službi, predviđena samo za svrhu spašavanja, a postavljena na bilo kakvom čamcu za spašavanje, splavu za spašavanje ili drugoj opremi za spašavanje.
4.6. Fiksna stanica: Stanica u fiksnoj službi.
4.7. Stanica na platformi na velikoj visini: Stanica koja je postavljena na objektu na visini od 20 do 50 km na određenoj, nominalnoj, fiksnoj tački u odnosu na Zemlju.
4.8. Mobilna stanica: Stanica u mobilnoj službi, namijenjena za korištenje u pokretu ili za vrijeme mirovanja na neodređenim tačkama.
4.9. Mobilna zemaljska stanica: Zemaljska stanica u mobilnoj satelitskoj službi, namijenjena za korištenje u pokretu ili za vrijeme mirovanja na neodređenim tačkama.
4.10. Kopnena stanica: Stanica u mobilnoj službi koja nije namijenjena za korištenje u pokretu.
4.11. Kopnena zemaljska stanica: Zemaljska stanica u fiksnoj satelitskoj službi ili, u nekim slučajevima, u mobilnoj satelitskoj službi, postavljena na određenoj fiksnoj tački ili u okvirima određene oblasti na kopnu kojom se ostvaruju linkovi za napanje za mobilnu satelitsku službu.
4.12. Bazna stanica: Kopnena stanica u kopnenoj mobilnoj službi.
4.13. Bazna zemaljska stanica: Zemaljska stanica u fiksnoj satelitskoj službi ili, u nekim slučajevima, u kopnenoj mobilnoj satelitskoj službi, postavljena na određenoj fiksnoj tački ili u okvirima određene oblasti na kopnu kojom se ostvaruju linkovi za napajanje za kopnenu mobilnu satelitsku službu.
4.14. Kopnena mobilna stanica: Mobilna stanica u kopnenoj mobilnoj službi sposobna za površinsko kretanje u okviru geografskih granica države ili kontinenta.
4.15. Kopnena mobilna zemaljska stanica: Mobilna zemaljska stanica u kopnenoj mobilnoj satelitskoj službi, sposobna za površinsko kretanje u okviru geografskih granica države ili kontinenta.
4.16. Obalna stanica: Kopnena stanica u pomorskoj mobilnoj službi.
4.17. Obalna zemaljska stanica: Zemaljska stanica u fiksnoj satelitskoj službi ili, u nekim slučajevima, u pomorskoj mobilnoj satelitskoj službi, koja se nalazi na nekoj određenoj fiksnoj tački na kopnu kojom se ostvaruju linkovi za napajanje za pomorsku mobilnu satelitsku službu.
4.18. Brodska stanica: Mobilna stanica u pomorskoj mobilnoj službi postavljena na plovilu koje nije trajno usidreno, osim stanice na sredstvu za spašavanje.
4.19. Brodska zemaljska stanica: Mobilna zemaljska stanica u pomorskoj mobilnoj satelitskoj službi postavljena na brodu.
4.20. Stanica za komunikacije na palubi: Mobilna stanica male snage u pomorskoj mobilnoj službi predviđena da se koristi za unutrašnje komunikacije na brodu, ili za komunikacije između broda i pripadajućih spasilačkih čamaca i spasilačkih splavova za vrijeme spasilačkih operacija ili vježbi, ili za komunikacije u okviru grupe plovila koja se vuku ili guraju, kao i za komunikacije koje se koriste za davanje uputa za manevre sidrenja i privezivanja.
4.21. Lučka stanica: Obalna stanica u službi lučkih operacija.
4.22. Vazduhoplovna stanica: Kopnena stanica u vazduhoplovnoj mobilnoj službi. U izvjesnim slučajevima, vazduhoplovna stanica se može nalaziti, na primjer, na brodu ili platformi na moru.
4.23. Vazduhoplovna zemaljska stanica: Zemaljska stanica u fiksnoj satelitskoj službi ili, u nekim slučajevima, u vazduhoplovnoj mobilnoj satelitskoj službi, koja se nalazi na nekoj određenoj fiksnoj tački na kopnu kojom se ostvaruju linkovi za napajanje za vazduhoplovnu mobilnu satelitsku službu.
4.24. Stanica na vazduhoplovu: Mobilna stanica u vazduhoplovnoj mobilnoj službi, osim stanice na sredstvu za spašavanje, postavljena na vazduhoplovu.
4.25. Zemaljska stanica na vazduhoplovu: Mobilna zemaljska stanica u vazduhoplovnoj mobilnoj službi postavljena na vazduhoplovu.
4.26. Radiodifuzna stanica: Stanica u radiodifuznoj službi.
4.27. Radiodeterminacijska stanica: Stanica u radiodeterminacijskoj službi.
4.28. Radionavigacijska mobilna stanica: Stanica u radionavigacijskoj službi namijenjena za korištenje u pokretu ili za vrijeme mirovanja na neodređenim tačkama.
4.29. Radionavigacijska kopnena stanica: Stanica u radionavigacijskoj službi koja nije namijenjena za korištenje u pokretu.
4.30. Radiolokacijska mobilna stanica: Stanica u radiolokacijskoj službi namijenjena za korištenje u pokretu ili za vrijeme mirovanja na neodređenim tačkama.
4.31. Radiolokacijska kopnena stanica: Stanica u radiolokacijskoj službi koja nije namijenjena za korištenje u pokretu.
4.32. Radiogoniometrijska stanica: Radiodeterminacijska stanica koja koristi radiogoniometriju.
4.33. Stanica radiofara: Stanica u radionavigacijskoj službi čije su emisije predviđene da omoguće mobilnoj stanici orijentaciju ili određivanje smjera u odnosu na stanicu radiofara.
4.34. Stanica radiofara za označavanje mjesta hitnih slučajeva: Stanica u mobilnoj službi čije su emisije predviđene da olakšaju operacije traganja i spašavanja.
4.35. Satelitska stanica radiofara za označavanje mjesta hitnih slučajeva: Zemaljska stanica u mobilnoj satelitskoj službi čije su emisije predviđene da olakšaju operacije traganja i spašavanja.
4.36. Stanica etalona frekvencije i signala tačnog vremena: Stanica u službi etalona frekvencije i signala tačnog vremena.
4.37. Amaterska stanica: Stanica u amaterskoj službi.
4.38. Radioastronomska stanica: Stanica u službi radioastronomije.
4.39. Eksperimentalna stanica: Stanica koja koristi radiotalase u eksperimentima sa gledišta razvoja nauke ili tehnike. Ova definicija ne uključuje amaterske stanice.
4.40. Brodski predajnik za hitne slučajeve: Brodski predajnik za upotrebu isključivo na frekvenciji za opasnost u slučaju nesreće, hitnosti ili bezbjednosti.
4.41. Radar: Radiodeterminacijski sistem zasnovan na poređenju referentnog signala s radiosignalima koji se odbijaju ili reemituju sa mjesta čiji se položaj određuje.
4.42. Primarni radar: Radiodeterminacijski sistem zasnovan na poređenju referentnog
signala s radiosignalima koji se odbijaju sa mjesta čiji se položaj određuje.
4.43. Sekundarni radar: Radiodeterminacijski sistem zasnovan na poređenju referentnog signala s radiosignalima koji se reemituju sa mjesta čiji se položaj određuje.
4.44. Radarski far (racon): Predajnik-prijemnik pridružen fiksnoj navigacijskoj oznaci koji, kada je pobuđen od strane radara, automatski odašilje prepoznatljivi signal koji se može pojaviti na pokazivaču okidačkog radara, dajući informacije o udaljenosti, smjeru i identifikaciji.
4.45. Sistem instrumentalnog slijetanja (ILS): Radionavigacijski sistem koji omogućava vazduhoplovu horizontalno i vertikalno vođenje neposredno prije i za vrijeme slijetanja i koji, na izvjesnim fiksnim tačkama, označava rastojanje do referentne tačke slijetanja.
4.46. Predajnik slijetnog pravca (localizer) sistema instrumentalnog slijetanja: Sistem horizontalnog vođenja ugrađen u sistem instrumentalnog slijetanja koji pokazuje horizontalno odstupanje vazduhoplova od njegove optimalne putanje slijetanja duž ose piste.
4.47. Predajnik kosine slijetanja (glide path) sistema instumentalnog slijetanja: Sistem vertikalnog vođenja ugrađen u sistem instrumentalnog slijetanja koji pokazuje vertikalno odstupanje vazduhoplova od njegove optimalne putanje slijetanja.
4.48. Markerska stanica radiofara: Predajnik u vazduhoplovnoj radionavigacijskoj službi koji vertikalno emituje snop za određivanje položaja vazduhoplova.
4.49. Radiovisinomjer: Radionavigacijski uređaj na vazduhoplovu ili svemirskom brodu koji se koristi za određivanje visine vazduhoplova ili svemirskog broda iznad Zemljine površine ili iznad neke druge površine.
4.50. Kopnena stanica meteorološke pomoći: Radiostanica u službi meteorološke pomoći koja nije namijenjena za upotrebu u pokretu.
4.51. Mobilna stanica meteorološke pomoći: Radiostanica u službi meteorološke pomoći namijenjena za upotrebu u pokretu ili pri zadržavanju na neodređenim tačkama.
4.52. Radiosonda: Automatski radiopredajnik u službi meteorološke pomoći, obično nošen u vazduhoplovu, slobodno letećem balonu, zmaju ili padobranu, a koji prenosi meteorološke podatke.
4.53. Adaptivni sistem: Radiokomunikacijski sistem koji mijenja svoje radiokarakteristike u skladu sa kvalitetom kanala.
4.54. Svemirski sistem: Svaki skup pridruženih zemaljskih i/ili svemirskih stanica koje obavljaju svemirske radiokomunikacije u određene svrhe.
4.55. Satelitski sistem: Svemirski sistem u kojem se koriste jedan ili više vještačkih Zemljinih satelita.
4.56. Satelitska mreža: Satelitski sistem ili dio satelitskog sistema koji se sastoji od samo jednog satelita i pridruženih zemaljskih stanica.
4.57. Satelitska veza: Radioveza između predajne zemaljske stanice i prijemne zemaljske stanice posredstvom jednog satelita. Satelitska veza se sastoji od jedne uzlazne veze i jedne silazne veze.
4.58. Višestruka satelitska veza: Radioveza između predajne zemaljske stanice i prijemne zemaljske stanice posredstvom dva ili više satelita, bez ijedne zemaljske stanice kao posrednika. Višestruka satelitska veza se sastoji od jedne uzlazne veze, jedne ili više međusatelitskih veza i jedne silazne veze.
4.59. Link za napajanje: Radioveza od zemaljske stanice na datoj lokaciji do svemirske stanice, ili obrnuto, kojom se prenose informacije za svemirsku radiokomunikacijsku službu, osim za fiksnu satelitsku službu. Data lokacija može da bude na određenoj fiksnoj tački ili na bilo kojoj fiksnoj tački unutar određene oblasti.
5. Termini koji se odnose na način rada5.1. Javna korespondencija: Svaka vrsta telekomunikacija koju administracije i stanice moraju, budući da su na raspolaganju javnosti, da prihvate u cilju prijenosa.
5.2. Telegrafija: Oblik telekomunikacija koji se odnosi na svaki postupak kojim se prenijeta informacija upisuje na dolasku kao grafički dokument. Prenijeta informacija može nekada da bude predstavljena u alternativnom obliku ili može da se uskladišti za kasnije korištenje.
5.3. Telegram: Pisano saopćenje koje je predviđeno za prijenos telegrafijom radi isporuke primaocu. Pod ovim terminom se podrazumijevaju i radiotelegrami, ako nije drugačije naznačeno. U ovoj definiciji izraz telegrafija ima opće značenje kao što je definisano Konvencijom.
5.4. Radiotelegram: Telegram koji potiče od ili je namijenjen nekoj mobilnoj stanici ili mobilnoj zemaljskoj stanici, koji se u cijelosti ili djelimično prenosi radiokanalima mobilne službe ili mobilne satelitske službe.
5.5. Radioteleks veza: Teleks veza koja potiče od neke, ili je namijenjena nekoj mobilnoj stanici, ili mobilnoj zemaljskoj stanici, koja se u cijelosti ili djelimično ostvaruje radiokanalima mobilne službe ili mobilne satelitske službe.
5.6. Telegrafija sa pomjeranjem frekvencije: Frekvencijski modulisana telegrafija u kojoj telegrafski signal pomjera frekvenciju nosioca između unaprijed određenih vrijednosti.
5.7. Faksimil: Oblik telegrafije za prijenos nepokretne slike, sa ili bez polutonova, da bi se na prijemu dobio trajan oblik slike.
5.8. Telefonija: Oblik telekomunikacija prvenstveno namijenjen za razmjenu informacije u govornom obliku.
5.9. Radiotelefonski poziv: Telefonski poziv koji potiče od neke, ili je namijenjen nekoj mobilnoj stanici, ili mobilnoj zemaljskoj stanici, koji je prenijet u cijelosti ili dijelom njegovog puta preko radiokomunikacijskih kanala mobilne službe ili mobilne satelitske službe.
5.10. Simpleksni rad: Način rada pri kojem se prijenos omogućava naizmjenično u svakom smjeru telekomunikacijskog kanala, na primjer, pomoću ručnog upravljanja.
5.11. Dupleksni rad: Način rada u kojem je prijenos moguć istovremeno u oba smjera.
5.12. Semidupleksni rad: Način rada kod kojeg je na jednom kraju veze simpleksni rad, a na drugom kraju dupleksni rad.
U općem slučaju, za dupleksni rad i semidupleksni rad su potrebne dvije frekvencije u radiokomunikaciji; za simpleksni rad može se koristiti ili jedna ili dvije frekvencije.
5.13. Televizija: Oblik telekomunikacija za prijenos promjenljivih slika nepokretnih ili pokretnih objekata.
5.14. Individualni prijem (u radiodifuznoj satelitskoj službi): Prijem emisija svemirske stanice u radiodifuznoj satelitskoj službi pomoću jednostavnih kućnih instalacija, a naročito onih koje sadrže male antene.
5.15. Zajednički prijem (u radiodifuznoj satelitskoj službi): Prijem emisija svemirske stanice u radiodifuznoj satelitskoj službi pomoću prijemne opreme koja u nekim slučajevima može biti složena i imati antene veće od onih koje se koriste za individualni prijem, a koje su namijenjene za korištenje:
- grupe korisnika iz najšire javnosti na jednom mjestu, ili
- preko distribucijskog sistema koji opslužuje ograničenu zonu.
5.16. Telemetrija: Upotreba telekomunikacija za automatsko pokazivanje ili registrovanje mjerenja na nekom rastojanju od mjernog instrumenta.
5.17. Radiotelemetrija: Telemetrija pomoću radiotalasa.
5.18. Svemirska telemetrija: Upotreba telemetrije za prijenos od svemirske stanice, rezultata mjerenja načinjenih u svemirskom brodu, uključujući i rezultate koji se odnose na funkcionisanje svemirskog broda.
5.19. Telekomanda: Upotreba telekomunikacija za prijenos signala da bi se započeo, izmijenio ili završio rad nekog uređaja na rastojanju.
5.20. Prijenos podataka: Oblik telekomunikacija namijenjen za prijenos informacija u vidu podataka.
5.21. Svemirska telekomanda: Upotreba radiokomunikacija za prijenos signala prema svemirskoj stanici da bi se započeo, izmijenio ili završio rad nekog uređaja na pridruženom svemirskom objektu, uključujući i svemirsku stanicu.
5.22. Svemirsko praćenje: Određivanje orbite, brzine ili trenutnog položaja objekta u svemiru sredstvima radiodeterminacije, isključujući primarni radar, u cilju praćenja kretanja objekta.
6. Karakteristike emisija i radiouređaja6.1. Zračenje: Spoljni tok energije od bilo kog izvora u obliku radiotalasa.
6.2. Emisija: Zračenje, proizvedeno ili koje je proizvod zračenja neke predajne radiostanice. Na primjer, energija koju zrači lokalni oscilator nekog radioprijemnika nije emisija, već zračenje.
6.3. Vrsta emisije: Skup karakteristika neke emisije, kao što su vrsta modulacije glavnog nosioca, priroda modulišućeg signala, vrsta informacije koja se prenosi, također i ukoliko je to primjereno, svaka dodatna karakteristika signala.
6.4. Emisija sa jednim bočnim opsegom: Amplitudski modulisana emisija koja sadrži samo jedan od dva bočna opsega.
6.5. Emisija sa jednim bočnim opsegom i punim nosiocem: Emisija sa jednim bočnim opsegom bez smanjivanja nosioca.
6.6. Emisija sa jednim bočnim opsegom i smanjenim nosiocem: Emisija sa jednim bočnim opsegom i smanjenim nosiocem kod koje je stepen smanjenja nosioca takav da omogućava njegovo obnavljanje radi demodulacije.
6.7. Emisija sa jednim bočnim opsegom i potisnutim nosiocem: Emisija sa jednim bočnim opsegom kod koje je nosilac potpuno potisnut i nije predviđen da se koristi za demodulaciju.
6.8. Emisija izvan opsega: Emisija na frekvenciji ili frekvencijama neposredno izvan potrebne širine opsega koja je rezultat procesa modulacije, ali isključujući sporedne emisije.
6.9. Sporedna emisija: Emisija na frekvenciji ili frekvencijama koje su izvan potrebne širine opsega i takvog nivoa koji može da se smanji bez uticaja na odgovarajući prijenos informacije. Sporedne emisije sadrže harmonijske emisije, parazitne emisije, proizvode modulacije i proizvode konverzije frekvencije, ali isključuju emisije izvan opsega.
6.10. Neželjene emisije: Sastoje se od sporednih emisija i emisija izvan opsega.
6.11. Domen izvan opsega (emisije): Radiofrekvencijski opseg, neposredno izvan potrebne širine opsega, ali isključujući sporedni domen, u kome emisije izvan opsega uglavnom preovladavaju. Emisije izvan opsega, definisane na osnovu njihovog porijekla, pojavljuju se u domenu izvan opsega, a u manjem stepenu, u domenu sporednih emisija.
6.12. Domen sporednih emisija: Radiofrekvencijski opseg, izvan opsega u kome sporedne emisije uglavnom preovladavaju.
6.13. Dodijeljeni frekvencijski opseg: Radiofrekvencijski opseg unutar kojeg je emisija stanice dozvoljena, čija je širina jednaka širini potrebnog opsega uvećanoj za dvostruku apsolutnu vrijednost tolerancije frekvencije. Ako se radi o svemirskoj stanici, dodijeljeni frekvencijski opseg uključuje dvostruku vrijednost maksimalnog pomjeranja frekvencije usljed Doplerovog efekta, koji se može pojaviti u odnosu na bilo koju tačku na površini Zemlje.
6.14. Dodijeljena frekvencija: Centralna frekvencija radiofrekvencijskog opsega dodijeljenog nekoj radiostanici.
6.15. Karakteristična frekvencija: Frekvencija koja se lako identifikuje i mjeri u datoj emisiji. Frekvencija nosioca može, na primjer, biti naznačena kao karakteristična frekvencija.
6.16. Referentna frekvencija: Frekvencija koja ima fiksni i tačno određeni položaj u odnosu na dodijeljenu frekvenciju. Odstupanje ove frekvencije u odnosu na dodijeljenu frekvenciju, u pogledu vrijednosti i znaka, isto je kao i odstupanje karakteristične frekvencije u odnosu na centar frekvencijskog opsega zauzetog emisijom.
6.17. Tolerancija frekvencije: Maksimalno dozvoljeno odstupanje centralne frekvencije frekvencijskog opsega zauzetog emisijom od dodijeljene frekvencije ili karakteristične frekvencije emisije od referentne frekvencije. Tolerancija frekvencije je izražena u dijelovima 10
6 ili u hercima (Hz).
6.18. Širina potrebnog opsega: Širina frekvencijskog opsega koja je dovoljna da za datu vrstu emisije osigura prijenos saopćenja brzinom i kvalitetom koji se pod određenim uslovima zahtijevaju.
6.19. Širina zauzetog opsega: Širina opsega između donje i gornje granične frekvencije, koje su određene tako da je emitovana srednja snaga ispod donje granične frekvencije jednaka određenom procentu β/2 ukupne srednje snage date emisije. Osim ako nije drugačije određeno od strane ITU-R za odgovarajuću vrstu emisije, vrijednost β/2 treba uzeti da je 0,5%.
6.20. Desno (u smjeru kretanja kazaljke) polarizovan talas: Eliptično ili kružno polarizovan talas čiji se vektor električnog polja, ako se posmatra u smjeru prostiranja, rotira u funkciji vremena, u nekoj nepokretnoj ravni normalnoj na pravac prostiranja, udesno, tj. u smjeru kretanja kazaljke na satu.
6.21. Lijevo (u smjeru suprotnom kretanju kazaljke) polarizovan talas: Eliptično ili kružno polarizovan talas čiji se vektor električnog polja, ako se posmatra u smjeru prostiranja, rotira u funkciji vremena, u nekoj nepokretnoj ravni normalnoj na pravac prostiranja, ulijevo, tj. u smjeru suprotnom kretanju kazaljke na satu.
6.22. Snaga: Svaki put kada se navodi snaga predajnika i slično, ona se izražava u jednom od sljedećih oblika zavisno od vrste emisije, upotrebljavajući sljedeće dogovorene simbole:
- vršna snaga obvojnice (PX ili pX);
- srednja snaga (PY ili pY);
- snaga nosioca (PZ ili pZ).
Za različite vrste emisija odnosi između vršne snage obvojnice, srednje snage i snage nosioca u uslovima normalnog rada i bez modulacije sadržani su u nacionalnim standardima, koji se mogu koristiti kao uputstvo.
6.23. Vršna snaga obvojnice (radiopredajnika): Srednja snaga sa kojom predajnik u uslovima normalnog rada napaja antenski vod u toku jedne radiofrekvencijske periode pri maksimalnoj amplitudi modulišuće obvojnice.
6.24. Srednja snaga (radiopredajnika): Srednja snaga sa kojom predajnik u uslovima normalnog rada napaja antenski vod u toku intervala vremena koji je dovoljno dug u poređenju sa periodom najniže modulišuće frekvencije.
6.25. Snaga nosioca (radiopredajnika): Srednja snaga sa kojom predajnik bez modulacije napaja antenski vod u toku jednog radiofrekvencijskog perioda.
6.26. Dobitak antene: Odnos potrebne snage na ulazu u referentnu antenu bez gubitaka i snage dovedene na ulaz date antene, obično izražen u decibelima, da bi obje antene proizvele, u posmatranom smjeru, istu jačinu polja ili istu gustinu toka snage na istom rastojanju. Ako nije drugačije naznačeno, dobitak se odnosi na smjer maksimalnog zračenja. Dobitak se može razmatrati za određenu polarizaciju.
Zavisno od izbora referentne antene razlikuju se:
- apsolutni ili izotropni dobitak (G
i), kada je referentna antena izotropna antena izolovana u prostoru;
- dobitak u odnosu na polutalasni dipol (G
D), kada je referentna antena polutalasni dipol izolovan u prostoru, čija ekvatorijalna ravan sadrži posmatrani smjer;
- dobitak u odnosu na kratku vertikalnu antenu (G
V), kada je referentna antena pravolinijski provodnik mnogo kraći od 1/4 talasne dužine, normalan na površinu idealno provodne ravni koja sadrži posmatrani smjer.
6.27. Ekvivalentna izotropna izračena snaga (EIRP): Proizvod snage koja se dovodi anteni i dobitka antene u posmatranom smjeru u odnosu na izotropnu antenu (apsolutnog ili izotropnog dobitka).
6.28. Efektivna izračena snaga (ERP) (u posmatranom smjeru): Proizvod snage koja se dovodi anteni i dobitka antene u posmatranom smjeru u odnosu na polutalasni dipol.
6.29. Ekvivalentna snaga izračena preko kratke vertikalne antene (EMPR) (u posmatranom smjeru): Proizvod snage koja se dovodi anteni i dobitka antene u posmatranom smjeru u odnosu na kratku vertikalnu antenu.
6.30. Troposfersko rasipanje: Način prostiranja radiotalasa usljed rasipanja zbog nepravilnosti ili diskontinuiteta fizičkih svojstava troposfere.
6.31. Jonosfersko rasipanje: Način prostiranja radiotalasa usljed rasipanja zbog nepravilnosti ili diskontinuiteta u jonizaciji jonosfere.
7. Zajedničko korištenje frekvencije7.1. Smetnja (interferencija): Prisustvo neželjenih signala na ulazu u prijemnik datog telekomunikacijskog sistema, kao posljedica emisije, zračenja, indukcije ili njihovih kombinacija od strane drugih telekomunikacijskih sistema. Prisustvo smetnje manifestuje se degradacijom kvaliteta prijenosa signala.
7.2. Dozvoljena smetnja: Uočena ili predviđena smetnja koja zadovoljava kvantitativnu smetnju i kriterije zajedničkog korištenja koji su sadržani u međunarodnom Pravilniku o radiokomunikacijama ili ITU-R preporukama ili u specijalizovanim sporazumima predviđenim Pravilnikom.
7.3. Prihvatljiva smetnja: Smetnja čiji je nivo veći od onog koji je definisan kao dozvoljena smetnja i koji je prihvaćen od dvije ili više administracija, a da to ne ide na štetu drugim administracijama.
7.4. Štetna smetnja: Smetnja koja ugrožava funkcionisanje datog telekomunikacijskog sistema, u skladu sa definisanim kriterijima kvaliteta prijenosa signala. Izraz "dozvoljena smetnja" i "prihvatljiva smetnja" se koristi u koordinaciji frekvencijskih dodjela između administracija.
7.5. Zaštitni odnos: Minimalna vrijednost odnosa željenog i neželjenog signala, obično izražena u decibelima, na ulazu u prijemnik određena pod utvrđenim uslovima tako da se na izlazu prijemnika postigne određeni kvalitet prijema željenog signala.
7.6. Minimalna upotrebljiva jačina polja: Najmanja vrijednost jačine polja koja je potrebna da omogući željeni kvalitet prijema, pod određenim uslovima prijema, u prisustvu prirodnog i vještačkog šuma, ali u odsustvu smetnji od drugih stanica.
7.7. Upotrebljiva jačina polja: Najmanja vrijednost jačine polja koja je potrebna da omogući željeni kvalitet prijema, pod određenim uslovima prijema, u prisustvu prirodnog i vještačkog šuma i smetnji, bilo u stvarnoj situaciji ili kako je određeno prema planovima raspodjele frekvencija.
7.8. Referentna upotrebljiva jačina polja: Ugovorena vrijednost upotrebljive jačine polja koja može da služi kao referenca ili osnova za frekvencijsko planiranje.
7.9. Zona opsluživanja: Zona opsluživanja je prostorna oblast u kojoj je moguće ostvariti radiokomunikacije pod određenim uslovima.
7.10. Zona pokrivanja (terestrijalne predajne stanice): Zona pokrivanja sa predajnom
stanicom za datu službu i određenu frekvenciju, unutar koje se, pod određenim tehničkim uslovima, mogu ostvariti radiokomunikacije sa jednom ili više prijemnih stanica.
7.11. Oblast koordinacije: Kada se odluči da je potrebna koordinacija, oblast koja okružuje zemaljsku stanicu koja zajednički koristi isti frekvencijski opseg sa terestrijalnim stanicama, ili koja okružuje predajnu zemaljsku stanicu koja koristi isti dvosmjerno dodijeljeni frekvencijski opseg sa prijemnim zemaljskim stanicama, izvan koje nivo dozvoljenih smetnji neće biti prevaziđen i koordinacija se ne zahtijeva.
7.12. Koordinacijska kontura: Linija koja obuhvata oblast koordinacije.
7.13. Koordinacijsko rastojanje: Kada se odluči da je potrebna koordinacija, rastojanje posmatranom azimutu od zemaljske stanice, koja zajednički koristi isti frekvencijski opseg sa terestrijalnim stanicama, izvan kojeg nivo dozvoljenih smetnji neće biti prevaziđen i koordinacija se ne zahtijeva.
7.14. Ekvivalentna temperatura šuma satelitske veze: Temperatura šuma na izlazu prijemne antene zemaljske stanice koja odgovara snazi radiofrekvencijskog šuma, a proizvodi ga ukupno posmatran šum na izlazu satelitske veze, izuzimajući šum zbog smetnje od satelitskih veza koje koriste druge satelite, kao i od terestrijalnih stanica.
7.15. Efektivna oblast (upravljačkog satelitskog snopa): Oblast na površini Zemlje unutar koje se namjerava usmjeriti upravljački satelitski snop. Ovdje može postojati više od jedne nepriključene efektivne oblasti u kojoj se pojedinačan upravljački satelitski snop namjerava usmjeriti.
7.16. Kontura efektivnog dobitka antene (upravljačkog satelitskog snopa): Obvojnica kontura dobitka antene koje su rezultat pomjeranja upravljačkog satelitskog snopa duž granica efektivne oblasti.
8. Tehnički termini koji se odnose na svemir8.1. Daleki svemir: Svemir na rastojanjima od Zemlje približno jednakim ili većim od 2×10
6 km.
8.2. Svemirski brod: Vozilo koje je napravio čovjek, a predviđeno je da se kreće izvan glavnog dijela Zemljine atmosfere.
8.3. Satelit: Tijelo koje se okreće oko drugog tijela znatno veće mase i čije je kretanje prvenstveno i stalno određeno silom privlačenja tog drugog tijela.
8.4. Aktivni satelit: Satelit koji nosi stanicu predviđenu za emitovanje ili reemitovanje radiosignala.
8.5. Reflektujući satelit: Satelit predviđen da reflektuje radiosignale.
8.6. Aktivni senzor: Mjerni instrument u satelitskoj službi istraživanja Zemlje ili u službi istraživanja svemira pomoću kojeg se dobijaju informacije predajom i prijemom radiotalasa.
8.7. Pasivni senzor: Mjerni instrument u satelitskoj službi istraživanja Zemlje ili u službi istraživanja svemira pomoću kojeg se dobijaju informacije prijemom radiotalasa prirodnog porijekla.
8.8. Orbita: Putanja, u odnosu na određeni skup referenci, opisana centrom mase satelita ili drugog predmeta u svemiru, podložna prvenstveno prirodnim silama, i to uglavnom gravitacijskoj sili.
8.9. Inklinacija orbite (Zemljinog satelita): Ugao određen sa ravni koja sadrži orbitu i ravni Zemljinog ekvatora izmjeren u stepenima između 0° i 180° i u smjeru kazaljke na satu od ekvatorijalne ravni na rastućoj tački orbite.
8.10. Perioda (satelita): Vrijeme koje protekne između dva uzastopna prolaska satelita kroz neku karakterističnu tačku na njegovoj orbiti.
8.11. Visina apogeja ili perigeja: Visina apogeja ili perigeja iznad određene referentne površine koja služi za predstavljanje površine Zemlje.
8.12. Geosinhroni satelit: Zemljin satelit čija je perioda okretanja jednaka periodi rotacije Zemlje oko svoje ose.
8.13. Geostacionarni satelit: Geosinhroni satelit čija kružna i direktna orbita leži u ravni Zemljinog ekvatora i koji kao posljedica toga ostaje fiksan u odnosu na Zemlju. U širem smislu, to je geosinhroni satelit koji ostaje približno fiksan u odnosu na Zemlju.
8.14. Orbita geostacionarnog satelita: Orbita u koju satelit mora biti postavljen da bi bio geostacionarni satelit.
8.15. Upravljački satelitski snop: Snop satelitske antene koji može da se preusmjerava.
9. Kategorije radioslužbi i namjena9.1. Primarne i sekundarne službe1. Kada je u Tabeli namjene i korištenja radiofrekvencijskog spektra u Bosni i Herzegovini u koloni "Namjena" upisano da je frekvencijski opseg namijenjen za više od jedne radiokomunikacijske službe, te službe su navedene po sljedećem redoslijedu:
a) Službe čiji su nazivi štampani velikim slovima (na primjer: FIKSNA). Ove službe se nazivaju "primarnim" službama.
b) Službe čiji su nazivi štampani malim slovima (na primjer: Mobilna). Ove službe se nazivaju "sekundarnim" službama.
2. Dodatna zapažanja su štampana malim slovima (na primjer: MOBILNA, osim vazduhoplovne mobilne).
3. Stanice sekundarne službe:
a) Ne smiju uzrokovati štetne smetnje stanicama primarnih službi kojima su frekvencije već dodijeljene ili kojima frekvencije mogu biti dodijeljene kasnije.
b) Ne mogu zahtijevati zaštitu od štetnih smetnji od stanica primarnih službi kojima su frekvencije već dodijeljene ili kojima frekvencije mogu biti dodijeljene kasnije.
c) Mogu, međutim, zahtijevati zaštitu od štetnih smetnji od stanica iste ili druge sekundarne službe, odnosno drugih sekundarnih službi kojima frekvencije mogu biti dodijeljene kasnije.
4. Kada je u napomeni uz Tabelu za neki opseg označeno da je namijenjen nekoj službi "na sekundarnoj osnovi" za neku djelatnost, ta služba je sekundarna služba.
5. Kada je u napomeni uz Tabelu za neki opseg označeno da je namijenjen nekoj službi "na primarnoj osnovi" za neku djelatnost, ta služba je primarna služba samo za tu djelatnost.
9.2. Ostale odredbeKada je u ovom Planu namjene i korištenja naznačeno da neka radioslužba može da radi u određenom frekvencijskom opsegu pod uslovom da ne izaziva štetne smetnje, to također znači da ova služba ne može zahtijevati zaštitu od štetnih smetnji koje prouzrokuju druge službe kojima je taj opseg namijenjen na osnovu odredbi ovog Plana namjene.
10. Nomenklatura radiofrekvencijskih opsega i talasnih dužinaRadiofrekvencijski spektar je podijeljen u devet frekvencijskih opsega koji su označeni rastućim cijelim brojevima saglasno sljedećoj tabeli. Kako je jedinica frekvencije herc (Hz), frekvencije se izražavaju u:
- kilohercima (kHz), do i uključujući 3000 kHz;
- megahercima (MHz), iznad 3 MHz do i uključujući 3000 MHz;
- gigahercima (GHz), iznad 3 GHz, do i uključujući 3000 GHz.
|
Redni broj
opsega
|
Oznaka za opseg
|
Frekvencijska
podjela opsega (donja granica isključena, gornja granica uključena)
|
Odgovarajuća
metrička podjela
|
Metričke oznake
za opseg
|
|
4
|
VLF
|
3 do 30 kHz
|
mirijametarski talasi
|
B.Mam
|
|
5
|
LF
|
30 do 300 kHz
|
kilometarski talasi
|
B.km
|
|
6
|
MF
|
300 do 3000 kHz
|
hektometarski talasi
|
B.hm
|
|
7
|
HF
|
3 do 30 MHz
|
dekametarski talasi
|
B.dam
|
|
8
|
VHF
|
30 do 300 MHz
|
metarski talasi
|
B.m
|
|
9
|
UHF
|
300 do 3000 MHz
|
decimetarski talasi
|
B.dm
|
|
10
|
SHF
|
3 do 30 GHz
|
centimetarski talasi
|
B.cm
|
|
11
|
EHF
|
30 do 300 GHz
|
milimetarski talasi
|
B.mm
|
|
12
|
|
300 do 3000 GHz
|
decimilimetarski talasi
|
|
Napomena 1: "Opseg N" (N redni broj opsega) proteže se od 0,3 x 10N Hz do 3 x 10N Hz.
Napomena 2: Prefiksi: k = kilo (103), M = mega (106), G = giga (109).
Napomena 3: Značenje sljedećih oznaka za opseg su:
VLF – vrlo niske frekvencije
LF – niske frekvencije
MF – srednje frekvencije
HF – visoke frekvencije
VHF – vrlo visoke frekvencije
UHF – ultra visoke frekvencije
SHF – super visoke frekvencije
EHF – ekstremno visoke frekvencije
11. Označavanje emisijaRadioemisije se označavaju prema širini potrebnog opsega i vrsti.
11.1. Širina potrebnog opsegaŠirina potrebnog opsega izražava se sa tri brojke i jednim slovom. Slovo se nalazi na poziciji decimalnog zareza i predstavlja jedinicu širine opsega. Prvi znak ne smije biti nula niti jedno od slova K, M ili G.
Širina potrebnog opsega:
- između 0,001 Hz i 999 Hz izražava se u Hz (slovo H);
- između 1,00 kHz i 999 kHz izražava se u kHz (slovo K);
- između 1,00 MHz i 999 MHz izražava se u MHz (slovo M);
- između 1,00 GHz i 999 GHz izražava se u GHz (slovo G).
Primjeri:
11.2. Vrste emisijaEmisije se razvrstavaju i označavaju simbolima saglasno njihovim osnovnim karakteristikama, kako je dato u poglavlju 11.3. ili opcionalnim dodatnim karakteristikama, kako je dato u poglavlju 11.4.
Osnovne karakteristike su:
1. prvi simbol – vrsta modulacije glavnog nosioca;
2. drugi simbol – priroda signala koji moduliše glavni nosilac;
3. treći simbol – vrsta informacije koja se prenosi.
Modulacija koja se koristi samo u kratkim periodima i povremeno (takva kao, u mnogim slučajevima, za identifikaciju ili pozivanje) može se zanemariti, pod uslovom da se usljed toga naznačena širina opsega ne povećava.
11.3. Osnovne karakteristike za označavanje emisija11.3.1. Prvi simbol – Vrsta modulacije glavnog nosioca
|
1.
|
emisija
nemodulisanog nosioca
|
N
|
|
2.
|
emisija
kod koje je glavni nosilac amplitudski modulisan (uključujući slučajeve kod
kojih su pomoćni nosioci ugaono modulisani)
|
|
|
2.1.
|
dva
bočna opsega
|
A
|
|
2.2.
|
jedan
bočni opseg, pun nosilac
|
H
|
|
2.3.
|
jedan
bočni opseg, smanjeni ili po nivou promjenljiv nosilac
|
R
|
|
2.4.
|
jedan
bočni opseg, potisnut nosilac
|
J
|
|
2.5.
|
nezavisni
bočni opsezi
|
B
|
|
2.6.
|
djelimično
prenošen drugi bočni opseg
|
C
|
|
3.
|
emisija
kod koje je glavni nosilac ugaono modulisan
|
|
|
3.1.
|
frekvencijska
modulacija
|
F
|
|
3.2.
|
fazna
modulacija
|
G
|
|
4.
|
emisija
kod koje je glavni nosilac amplitudno i ugaono modulisan bilo jednovremeno
ili po prethodno utvrđenom redu
|
D
|
|
5.
|
impulsna
emisija$$$Emisije kod kojih je glavni nosilac direktno modulisan pomoću
signala koji je kodiran u kvantiziranoj formi (npr. impulsna kodna
modulacija) označavaju se prema 2. ili 3. iz tačke 11.3.1.$$$
|
|
|
5.1.
|
nemodulisan
niz impulsa
|
P
|
|
5.2.
|
niz
impulsa
|
|
|
5.2.1.
|
modulisan
po amplitudi
|
K
|
|
5.2.2.
|
modulisan
po širini/trajanju
|
L
|
|
5.2.3.
|
modulisan
po položaju/fazi
|
M
|
|
5.2.4.
|
kod
kojeg je nosilac ugaono modulisan za vrijeme perioda impulsa
|
Q
|
|
5.2.5.
|
koji
je kombinacija prethodno spomenutih ili je proizveden na neki drugi način
|
V
|
|
6.
|
slučajevi
koji nisu obuhvaćeni prethodnim, kod kojih se emisija sastoji od glavnog
nosioca koji je modulisan bilo jednovremeno, bilo po prethodno utvrđenom
redu, kombinacijom dva ili više sljedećih načina: amplitudno, ugaono,
impulsno
|
W
|
|
7.
|
ostali
slučajevi
|
X
|
11.3.2. Drugi simbol – Priroda signala koji moduliše glavni nosilac
|
1.
|
bez
modulišućeg signala
|
0
|
|
2.
|
jedan
kanal koji sadrži kvantiziranu ili digitalnu informaciju bez korištenja
modulišućeg pomoćnog nosioca$$$Ovo isključuje multipleks sa vremenskom
raspodjelom.$$$
|
1
|
|
3
|
jedan
kanal koji sadrži kvantiziranu ili digitalnu informaciju sa korištenjem
modulišućeg pomoćnog nosioca
|
2
|
|
4.
|
jedan
kanal koji sadrži analognu informaciju
|
3
|
|
5.
|
dva
ili više kanala koji sadrže kvantiziranu ili digitalnu informaciju
|
7
|
|
6.
|
dva
ili više kanala koji sadrže analognu informaciju
|
8
|
|
7.
|
složeni
sistem sa jednim ili više kanala koji sadrže kvantiziranu ili digitalnu
informaciju, zajedno sa jednim ili više kanala koji sadrže analognu
informaciju
|
9
|
|
8.
|
ostali
slučajevi
|
X
|
11.3.3. Treći simbol – Vrsta informacije koja se prenosi $$$U ovom kontekstu, riječ "informacija" ne uključuje informaciju konstantne, nepromjenljive prirode, kao što je slučaj emisija etalon frekv
|
1.
|
bez
prijenosa informacija
|
N
|
|
2.
|
telegrafija
– za prijem na sluh
|
A
|
|
3
|
telegrafija
– za automatski prijem
|
B
|
|
4.
|
faksimil
|
C
|
|
5.
|
prijenos
podataka, telemetrija, telekomanda
|
D
|
|
6.
|
telefonija
(uključujući zvučnu radiodifuziju)
|
E
|
|
7.
|
televizija
(slika)
|
F
|
|
8.
|
kombinacija
prethodnog
|
W
|
|
9.
|
ostali
slučajevi
|
X
|
11.4. Opcionalne karakteristike za označavanje emisija
Dvije opcionalne karakteristike bi trebale biti dodate za kompletniji opis emisije. To su:
1. Četvrti simbol – Detalji o signalu (signalima)
2. Peti simbol – Priroda multipleksiranja.
Kada se upotrebljavaju, četvrti i peti simbol treba da su označeni kako dalje slijedi.
Kada se ne upotrebljavaju, četvrti i peti simbol treba da budu naznačeni crticom na mjestu gdje bi trebalo da se postave.
11.4.1. Četvrti simbol – Detalji o signalu (signalima)
|
1.
|
kod
sa dva stanja sa elementima razlikovanja brojeva i/ili trajanja
|
A
|
|
2.
|
kod
sa dva stanja sa elementima istog broja i trajanja bez korekcije greške
|
B
|
|
3.
|
kod
sa dva stanja sa elementima istog broja i trajanja sa korekcijom greške
|
C
|
|
4.
|
kod
sa četiri stanja u kojem svako stanje predstavlja signalni element
|
D
|
|
5.
|
kod
sa više stanja u kojem svako stanje predstavlja signalni element
|
E
|
|
6.
|
kod
sa više stanja u kojem svako stanje ili kombinacija stanja predstavlja
|
F
|
|
7.
|
zvuk
radiodifuznog kvaliteta (monofonski)
|
G
|
|
8.
|
zvuk
radiodifuznog kvaliteta (stereofonski ili kvadrofonski)
|
H
|
|
9.
|
zvuk
komercijalnog kvaliteta (isključujući kategorije date pod 10. i .11.)
|
J
|
|
10.
|
zvuk
komercijalnog kvaliteta sa korištenjem frekvencijske inverzije ili dijeljenja
opsega
|
K
|
|
11.
|
zvuk
komercijalnog kvaliteta sa odvojenim frekvencijski modulisanim signalima za
kontrolu nivoa demodulisanog signala
|
L
|
|
12.
|
jednobojno
|
M
|
|
13.
|
kolor
|
N
|
|
14.
|
kombinacija
prethodnog
|
W
|
|
15.
|
ostali
slučajevi
|
X
|
11.4.2. Peti simbol – Priroda multipleksiranja
|
1.
|
nema
multipleksiranja
|
N
|
|
2.
|
multipleks
sa kodnom raspodjelom$$$Ovo uključuje tehnike širenja opsega.$$$
|
C
|
|
3
|
multipleks
sa frekvencijskom raspodjelom
|
F
|
|
4.
|
multipleks
sa vremenskom raspodjelom
|
T
|
|
5.
|
kombinacija
multipleksa sa frekvencijskom i vremenskom raspodjelom
|
W
|
|
6.
|
ostali
tipovi multipleksiranja
|
X
|
DIO II - TABELA NAMJENE I KORIŠTENJA RADIOFREKVENCIJSKOG SPEKTRA U BOSNI I HERCEGOVINI
OPIS TABELE
Tabela je podijeljena u pet kolona koje redom sadrže sljedeće nazive: Radiofrekvencijski opseg, Namjena, Korištenje, Referentni propisi, Napomena
Prva kolona – "Radiofrekvencijski opseg" sadrži u gornjem dijelu svakog polja radiofrekvencijski opseg definisan gornjom i donjom graničnom frekvencijom
Druga kolona – "Namjena" sadrži radiokomunikacijske službe kojima je opseg iz prve kolone namijenjen. Uz nazive pojedinih radiokomunikacijskih službi navedeni su i brojevi međunarodnih napomena iz ITU Radio pravilnika kojima se preciznije utvrđuju uslovi namjene i korištenja pojedinih radiofrekvencijskih opsega, pri čemu je primijenjeno pravilo da se napomena navedena pri dnu odnosi na sve službe, a napomena uz samu službu odnosi se samo na tu službu. U tabeli su navedene samo one napomene koje su relevantne za Bosnu i Hercegovinu.
Radiokomunikacijske službe čiji su nazivi štampani velikim slovima (npr. "FIKSNA"), nazivaju se primarne službe ili službe s dodjelom na primarnoj osnovi. Radiokomunikacijske službe čiji su nazivi štampani malim slovima (npr. "Mobilna") nazivaju se sekundarne službe ili službe s dodjelom na sekundarnoj osnovi.
Treća kolona – "Korištenje" sadrži podatke o radiokomunikacijskim sistemima, mrežama, uređajima i opremi kojima su dodijeljeni ili se planiraju dodijeliti pripadajući radiofrekvencijski opsezi (npr. "PMR/PAMR", "GSM", "IMT", "Kopneni vojni sistemi", "Satelitski navigacioni sistemi" i sl.).
Četvrta kolona – "Referentni propisi" sadrži evropske CEPT/ECC odluke i preporuke, odredbe Međunarodnog radio pravilnika ITU-a i međunarodne ITU-R preporuke, kao i odgovarajuće međunarodne ugovore, sporazume i konvencije, te planove raspodjele radijskih frekvencija koji se odnose na pripadajući radiofrekvencijski opseg (npr. "ECC/DEC/(06)06", "GE84", "GE06", itd.).
Peta kolona – "Napomena" sadrži informacije o određenim specifičnostima namjene i korištenja određenih radiofrekvencijskih opsega u Bosni i Hercegovini koje dodatno pojašnjavaju prethodne kolone tabele.
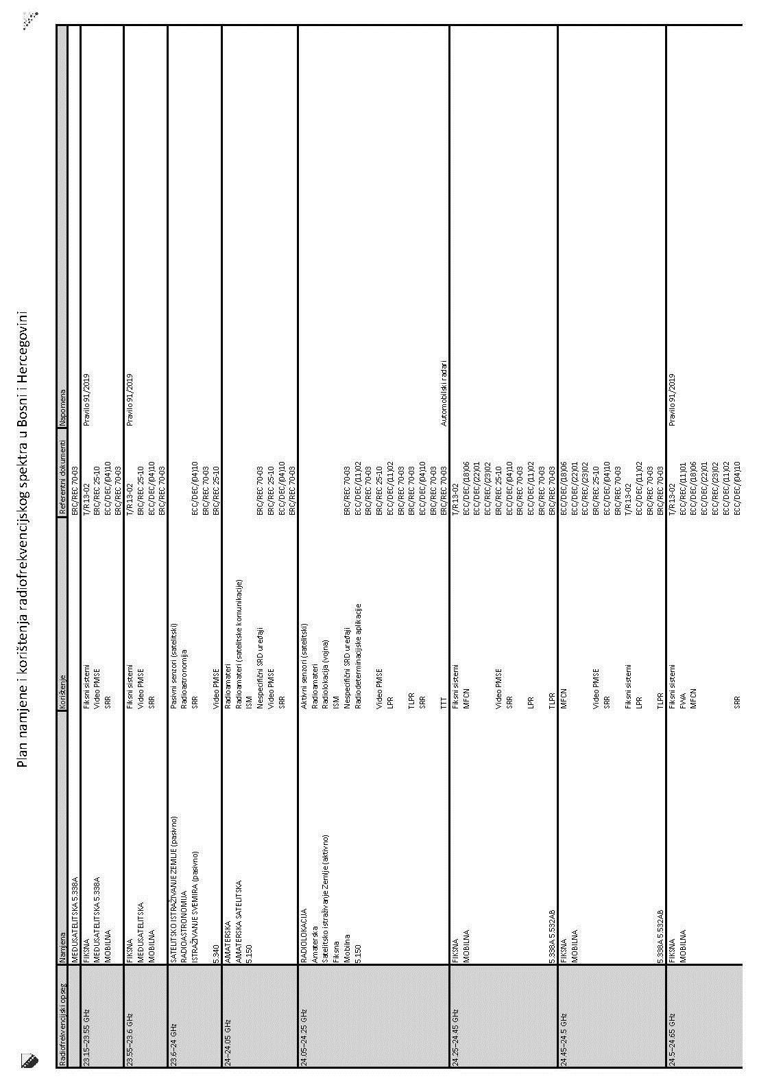
TABELA SLIKE
DIO III ‒ NAPOMENE PREUZETE IZ ČLANA 5. ITU RADIO PRAVILNIKA (ITU RADIO REGULATIONS)
5.53 Administracije koje odobravaju korištenje frekvencija ispod 8.3 kHz, obezbijedit će rad bez štetnih smetnji službama kojima su namijenjeni frekvencijski opsezi iznad 8.3 kHz. (WRC-12)
5.54 Od administracija koje se bave naučnim istraživanjem koristeći frekvencije ispod 8.3 kHz, zahtijeva se da savjetuju ostale administracije na koje se to odnosi, kako bi se svim praktičnim mjerama takva istraživanja mogla zaštititi od štetnih smetnji. (WRC-12)
5.54A Korištenje opsega 8.3‒11 kHz od strane stanica službe meteorološke pomoći ograničeno je samo na pasivnu upotrebu. U opsegu 9‒11.3 kHz, stanice službe meteorološke pomoći neće zahtijevati zaštitu od stanica radionavigacijske službe koje su prijavljene za notifikaciju Birou prije 1. januara 2013. godine. Za potrebe zajedničkog korištenja od strane stanica službe meteorološke pomoći i stanica u radionavigacijskoj službi koje su prijavljene za notifikaciju nakon ovog datuma, primjenjivat će se najnovija verzija Preporuke ITU-R RS. 1881. (WRC-12)
5.56 Radiostanice službi kojima su namijenjeni radiofrekvencijski opsezi 14‒19.95 kHz i 20.05‒70 kHz, i u Regionu 1 također opsezi 72‒84 kHz i 86‒90 kHz, mogu emitirati etalon frekvencije i signal tačnog vremena. Takvim stanicama potrebno je obezbijediti zaštitu od štetnih smetnji. U Armeniji, Azerbejdžanu, Bjelorusiji, Ruskoj Federaciji, Gruziji, Kazahstanu, Kirgistanu, Tadžikistanu i Turkmenistanu frekvencije 25 kHz i 50 kHz koristit će se za tu namjenu pod istim uslovima. (WRC-23)
5.57 Korištenje frekvencijskih opsega 14‒19.95 kHz, 20.05‒70 kHz i 70‒90 kHz (72‒84 kHz i 86‒90 kHz u Regionu 1) u pomorskoj mobilnoj službi ograničeno je na obalne radiotelegrafske stanice (samo A1A i F1B). Izuzetno, korištenje vrsta emisija J2B ili J7B odobreno je pod uslovom da potrebna širina frekvencijskog opsega ne prelazi širinu koja se koristi za vrste emisija A1A ili F1B u datom opsegu.
5.60 U frekvencijskim opsezima 70‒90 kHz (70‒86 kHz u Regionu 1) i 110‒130 kHz (112‒130 kHz u Regionu 1), impulsni radionavigacijski sistemi mogu se koristiti pod uslovom da ne uzrokuju štetne smetnje drugim službama kojima su ovi frekvencijski opsezi namijenjeni.
5.62 Od administracija čije stanice rade u radionavigacijskoj službi u radiofrekvencijskom opsegu 90‒110 kHz zahtijeva se da usklađuju tehničke i radne karakteristike u cilju izbjegavanja štetnih smetnji drugim stanicama koje rade u ovoj službi.
5.64 Za stanice fiksne službe u frekvencijskim opsezima namijenjenim toj službi, između 90 kHz i 160 kHz (148.5 kHz u Regionu 1) i za stanice mobilne pomorske službe u frekvencijskim opsezima namijenjenim toj službi, između 110 kHz i 160 kHz (148.5 kHz u Regionu 1), odobrene su samo vrste emisija A1A ili F1B, A2C, A3C, F1C ili F3C. Izuzetno, vrste emisija J2B ili J7B također su odobrene u frekvencijskim opsezima između 110 kHz i 160 kHz (148.5 kHz u Regionu 1) stanicama mobilne pomorske službe.
5.67A Stanice u amaterskoj službi koje koriste frekvencije u opsegu 135.7‒137.8 kHz neće prelaziti vrijednost maksimalne izračene snage (e. i. r. p.) od 1 W i ne smiju izazivati štetne smetnje stanicama radionavigacijske službe u zemljama koje su nabrojane u članu 5.67 ITU Radio pravilnika.
5.67B Korištenje opsega 135.7‒137.8 kHz u Alžiru, Egiptu, Iraku, Libanonu, Siriji, Sudanu, Južnom Sudanu i Tunisu ograničeno je na fiksnu i pomorsku mobilnu službu. U navedenim zemljama neće se koristiti amaterska služba u opsegu 135.7‒137.8 kHz i to trebaju uzeti u obzir zemlje koje su odobrile takvo korištenje. (WRC-19)
5.73 Frekvencijski opseg 285‒325 kHz (283.5‒325 kHz u Regionu 1) u pomorskoj radionavigacijskoj službi može se koristiti za prijenos dodatnih navigacijskih informacija korištenjem uskopojasnih metoda, pod uslovom da ne izazivaju štetne smetnje radiofarovima koji rade u radionavigacijskoj službi. (WRC-97)
5.74 Dodatna namjena: U Regionu 1, frekvencijski opseg 285.3‒285.7 kHz također je namijenjen pomorskoj radionavigacijskoj službi (osim radiofarova) na primarnoj osnovi.
5.76 Frekvencija 410 kHz određena je za radiogoniometriju u pomorskoj radionavigacijskoj službi. Druge radionavigacijske službe, za koje je namijenjen frekvencijski opseg 405‒ 415 kHz, neće stvarati štetne smetnje službi radiogoniometrije u frekvencijskom opsegu 406.5‒413.5 kHz.
5.79 Korištenje opsega 415‒495 kHz i 505‒526.5 kHz za pomorsku mobilnu službu, ograničeno je na radiotelegrafiju i može se također koristiti za NAVDAT sisteme u skladu s posljednjom verzijom preporuke ITU-R M. 2010, koja je predmet sporazuma između zainteresiranih i afektiranih administracija. NAVDAT predajne stanice su limitirane na obalne stanice. (WRC-19)
5.79A Prilikom postavljanja obalnih stanica u NAVTEX servisu na frekvencijama 490 kHz, 518 kHz i 4209.5 kHz, administracijama se strogo preporučuje da koordiniraju radne karakteristike u skladu s procedurama Međunarodne pomorske organizacije (IMO) (International Maritime Organization) (vidi Rezoluciju 339 (Rev. WRC-07)). (WRC-07)
5.80A Najveća ekvivalentna izotropno izračena snaga (e. i. r. p.) stanica u amaterskoj službi u radiofrekvencijskom opsegu 472‒479 kHz ne smije preći 1 W. Administracije mogu povećati ograničenje e. i. r. p. -a na 5 W u dijelovima njihovih teritorija koji su udaljeni više od 800 km od granica Alžira, Saudijske Arabije, Azerbejdžana, Bahreina, Bjelorusije, Kine, Komorosa, Džibutija, Egipta, Ujedinjenih Arapskih Emirata, Ruske Federacije, Irana, Iraka, Jordana, Kazahstana, Kuvajta, Libanona, Libije, Maroka, Mauritanije, Omana, Uzbekistana, Katara, Sirije, Kirgistana, Somalije, Sudana, Tunisa, Ukrajine i Jemena. U tom radiofrekvencijskom opsegu stanice u amaterskoj službi ne smiju stvarati štetne smetnje ili zahtijevati zaštitu od stanica u vazduhoplovnoj radionavigacijskoj službi. (WRC-12)
5.80B Korištenje radiofrekvencijskog opsega 472‒479 kHz u Alžiru, Saudijskoj Arabiji, Azerbejdžanu, Bahreinu, Bjelorusiji, Kini, Komorima, Džibutiju, Egiptu, Ujedinjenim Arapskim Emiratima, Ruskoj Federaciji, Iraku, Jordanu, Kazahstanu, Kuvajtu, Libanonu, Libiji, Mauritaniji, Omanu, Uzbekistanu, Kataru, Siriji, Kirgistanu, Somaliji, Sudanu, Tunisu i Jemenu ograničena je na pomorsku mobilnu i vazduhoplovnu radionavigacijsku službu. Amaterska služba ne smije se koristiti u gore navedenim državama u tom radiofrekvencijskom opsegu, što se mora uzeti u obzir u državama koje dopuštaju takvu upotrebu. (WRC-12)
5.82 U pomorskoj mobilnoj službi, frekvenciju 490 kHz će koristiti isključivo obalne stanice za prijenos navigacijskih i meteoroloških upozorenja i hitnih informacija brodovima, pomoću uskopojasne telegrafije s direktnim štampanjem. Uslovi za korištenje frekvencije 490 kHz propisani su u članovima 31. i 52. ITU Radio pravilnika. Pri korištenju frekvencijskog opsega 415‒495 kHz za vazduhoplovnu radionavigacijsku službu, od administracija se zahtijeva da obezbijede rad bez štetnih smetnji na frekvenciji 490 kHz. Pri korištenju frekvencijskog opsega 472‒479 kHz za amatersku službu, administracije će obezbijediti rad bez štetnih smetnji na frekvenciji 490 kHz. (WRC-12)
5.82D Prilikom stavljanja u rad obalnih stanica u sistemu NAVDAT na frekvencijama 500 kHz i 4226 kHz, uslovi za korištenje frekvencija 500 kHz i 4226 kHz propisani su u članovima 31. i 52. Administracijama se strogo preporučuje da koordiniraju karakteristike rada NAVDAT sistema u skladu s procedurama Međunarodne pomorske organizacije (IMO) (vidjeti Rezoluciju 364 (WRC-23)). (WRC-23)
5.84 Uslovi za korištenje frekvencije 518 kHz u pomorskoj mobilnoj službi propisani su u članovima 31. i 52. ITU Radio pravilnika. (WRC-07)
5.90 U frekvencijskom opsegu 1605‒1705 kHz, u slučajevima kada se radi o radiodifuznoj stanici u Regionu 2, geografsko područje upotrebe pomorskih mobilnih stanica u Regionu 1 bit će ograničeno na područje koje obezbjeđuje površinsko širenje radiotalasa.
5.92 Neke države u Regionu 1 za radiodeterminacijske sisteme upotrebljavaju frekvencijske opsege 1606.5‒1625 kHz, 1635‒1800 kHz, 1850‒2160 kHz, 2194‒2300 kHz, 2502‒2850 kHz i 3500‒3800 kHz u skladu sa sporazumom sadržanim u članu 9.21 ITU Radio pravilnika. Izračena srednja snaga ovih stanica ne smije preći 50 W.
5.96 U Njemačkoj, Armeniji, Austriji, Azerbejdžanu, Bjelorusiji, Hrvatskoj, Danskoj, Estoniji, Ruskoj Federaciji, Finskoj, Gruziji, Mađarskoj, Irskoj, Islandu, Izraelu, Kazahstanu, Latviji, Lihtenštajnu, Litvaniji, Malti, Moldaviji, Norveškoj, Uzbekistanu, Poljskoj, Kirgistanu, Slovačkoj, Češkoj Republici, Ujedinjenom Kraljevstvu Velike Britanije i Sjeverne Irske, Švedskoj, Švicarskoj, Tadžikistanu, Turkmenistanu i Ukrajini administracije mogu namijeniti do 200 kHz svojoj amaterskoj službi u radiofrekvencijskim opsezima 1715‒1800 kHz i 1850‒2000 kHz. Međutim, kod namjene radiofrekvencijskih opsega unutar tog radiofrekvencijskog opsega amaterskoj službi, administracije će, nakon obavljenih konsultacija s administracijama susjednih zemalja, poduzeti potrebne korake za sprječavanje štetnih smetnji amaterske službe prema mobilnim i fiksnim službama drugih zemalja. Srednja snaga bilo koje amaterske stanice ne smije biti veća od 10 W.
5.98 Alternativna namjena: U Armeniji, Azerbejdžanu, Bjelorusiji, Belgiji, Kamerunu, Kongu, Danskoj, Egiptu, Eritreji, Španiji, Etiopiji, Ruskoj Federaciji, Gruziji, Grčkoj, Italiji, Kazahstanu, Libanonu, Litvaniji, Siriji, Kirgistanu, Somaliji, Tadžikistanu, Tunisu, Turkmenistanu i Turskoj, frekvencijski opseg 1810‒1830 kHz namijenjen je fiksnoj i mobilnoj službi osim vazduhoplovne mobilne službe na primarnoj osnovi. (WRC-15)
5.99 Dodatna namjena: U Saudijskoj Arabiji, Austriji, Iraku, Libiji, Uzbekistanu, Slovačkoj, Rumuniji, Sloveniji, Čadu, Togou, opseg 1810‒1830 kHz također je namijenjen fiksnoj i mobilnoj službi, osim vazduhoplovne mobilne službe, na primarnoj osnovi. (WRC-12)
5.100 U Regionu 1, ovlaštenje radioamaterskoj službi za korištenje frekvencijskog opsega 1810‒1830 kHz u zemljama smještenim potpuno ili djelimično sjeverno od 40° N, bit će izdato samo nakon konsultacija sa zemljama spomenutim u članovima 5.98 i 5.99 ITU Radio pravilnika, kako bi odredili potrebne korake koje treba poduzeti da se spriječe štetne smetnje između amaterskih stanica i stanica drugih službi koje rade u skladu s članom 5.98 i 5.99 ITU Radio pravilnika.
5.103 U Regionu 1, prilikom dodjele frekvencija radiostanicama u fiksnim i mobilnim službama u frekvencijskim opsezima 1850‒2045 kHz, 2194‒2498 kHz, 2502‒2625 kHz i 2650‒2850 kHz, administracije trebaju uzeti u obzir specijalne zahtjeve pomorske mobilne službe.
5.104 U Regionu 1, frekvencijski opseg 2025‒2045 kHz koji koristi služba meteorološke pomoći, ograničen je na okeanografske radiostanice na plutajućim objektima.
5.108 Noseća frekvencija 2182 kHz je međunarodna frekvencija za slučaj opasnosti i poziv u pomoć za radiotelefoniju. Uslovi za korištenje frekvencijskog opsega 2173.5‒2190.5 kHz propisani su u članovima 31. i 52. ITU Radio pravilnika. (WRC-07)
5.109 Frekvencije 2187.5 kHz, 4207.5 kHz, 6312 kHz, 8414.5 kHz, 12577 kHz i 16804.5 kHz su međunarodne frekvencije za slučaj opasnosti za digitalni selektivni poziv. Uslovi za korištenje ovih frekvencija propisani su u članu 31. ITU Radio pravilnika.
5.110 Frekvencije 2174.5 kHz, 4177.5 kHz, 6268 kHz, 8376,5 kHz, 12520 kHz i 16695 kHz koriste se za sistem automatskog povezivanja (ACS), kako je opisano u najnovijoj verziji Preporuke ITU R M. 541. (WRC-23)
5.111 Noseće frekvencije 2182 kHz, 3023 kHz, 5680 kHz, 8364 kHz i frekvencije 121.5 MHz, 156.525 MHz, 156.8 MHz i 243 MHz također mogu biti korištene u skladu s važećim procedurama, za zemaljske radiokomunikacijske službe, za operacije traženja i spašavanja svemirskih letjelica s ljudskom posadom. Uslovi za korištenje ovih frekvencija propisani su u članu 31. ITU Radio pravilnika.
Isto važi za frekvencije 10003 kHz, 14993 kHz i 19993 kHz, ali u svakom od ovih slučajeva emisije moraju biti u granicama ± 3 kHz oko nazivne frekvencije. (WRC-07)
5.115 Noseće frekvencije: 3023 kHz i 5680 kHz mogu također biti korištene, u skladu s članom 31. ITU Radio pravilnika, za stanice u pomorskoj mobilnoj službi, koje su angažirane u koordiniranim operacijama potrage i spašavanja. (WRC-07)
5.116 Pozivaju se administracije da dozvole korištenje opsega 3155‒3195 kHz za obezbjeđivanje jedinstvenog svjetskog kanala za bežične slušne aparate male snage. Dodatni kanali za ove uređaje mogu dodijeliti administracije u opsezima između 3155 kHz i 3400 kHz prema lokalnim potrebama.
Napominje se da su frekvencije između 3000 kHz i 4000 kHz pogodne za slušne aparate koji su dizajnirani za rad na kratkim udaljenostima unutar indukcijskog polja.
5.127 Korištenje opsega 4000‒4063 kHz za pomorsku mobilnu službu ograničeno je na stanice na plovilima koje koriste radiotelefoniju (vidjeti član 52.220. i Dodatak 17 ITU Radio pravilnika).
5.128 Frekvencije u frekvencijskim opsezima 4063‒4123 kHz i 4130‒4438 kHz mogu iznimno koristiti stanice u fiksnoj službi, komunicirajući samo unutar granica zemlje u kojoj se nalaze, sa srednjom snagom koja ne prelazi 50 W, pod uslovom da se ne uzrokuju štetne smetnje pomorskoj mobilnoj službi. Osim toga, u Afganistanu, Argentini, Armeniji, Bjelorusiji, Bocvani, Burkini Faso, Srednjoafričkoj Republici, Kini, Ruskoj Federaciji, Gruziji, Indiji, Kazahstanu, Maliju, Nigeru, Pakistanu, Kirgistanu, Tadžikistanu, Čadu, Turkmenistanu i Ukrajini, u frekvencijskim opsezima 4063‒4123 kHz, 4130‒4133 kHz i 4408‒4438 kHz, stanice u fiksnoj službi, čija srednja snaga ne prelazi 1 kW, mogu raditi pod uslovom da su smještene najmanje 600 km od obale i da ne uzrokuju štetne smetnje pomorskoj mobilnoj službi. (WRC-19)
5.130 Uslovi korištenja frekvencija nosilaca 4125 kHz i 6215 kHz propisani su članovima 31. i 52. ITU Radio pravilnika. (WRC-07)
5.131 Frekvencija 4209.5 kHz koristi se samo za emitiranje obalnih stanica meteoroloških i navigacijskih upozorenja i hitnih informacija plovilima uskopojasnim tehnikama s direktnim štampanjem. (WRC-97)
5.132 Frekvencije 4210 kHz, 6314 kHz, 8416.5 kHz, 12579 kHz, 16806.5 kHz, 19680.5 kHz, 22376 kHz i 26100.5 kHz su međunarodne frekvencije za prijenos sigurnosnih pomorskih informacija (MSI) (vidjeti Dodatake 15 i 17 ITU Radio pravilnika). (WRC-23)
5.132A Stanice u radiolokacijskoj službi neće uzrokovati štetne smetnje, ili tražiti zaštitu od smetnji, stanicama koje rade u fiksnim ili mobilnim službama. Rad službe radiolokacije ograničen je na okeanografske radare koji rade u skladu s Rezolucijom 612 (Rev. WRC12). (WRC-12)
5.133B Stanice u amaterskoj službi, koje upotrebljavaju radiofrekvencijski opseg 5351.5‒5366.5 kHz, ne smiju preći najveću izračenu snagu od 15 W (e. i. r. p.). Međutim, u Regionu 2 u Meksiku, stanice u amaterskoj službi, koje upotrebljavaju radiofrekvencijski opseg 5351.5‒5366.5 kHz, ne smiju preći najveću izračenu snagu od 20 W (e. i. r. p.). U sljedećim državama Regiona 2: Antigva i Barbuda, Argentina, Bahami, Barbados, Belize, Bolivija, Brazil, Čile, Kolumbija, Kostarika, Kuba, Dominikanska Republika, Dominika, El Salvador, Ekvador, Grenada, Gvatemala, Gvajana, Haiti, Honduras, Jamajka, Nikaragva, Panama, Paragvaj, Peru, Sveta Lucija, Sveti Kristofor i Nevis, Sveti Vincent i Grenadini, Surinam, Trinidad i Tobago, Urugvaj, Venecuela, kao i u nizozemskim prekomorskim područjima u Regionu 2, stanice u amaterskoj službi, koje upotrebljavaju radiofrekvencijski opseg 5351.5‒5366.5 kHz, ne smiju preći najveću izračenu snagu od 25 W (e. i. r. p.). (WRC-19)
5.134 Korištenje opsega 5900‒5950 kHz, 7300‒7350 kHz, 9400‒9500 kHz, 11600‒11650 kHz, 12050‒12100 kHz, 13570‒13600 kHz, 13800‒13870 kHz, 15600‒15800 kHz, 17480‒17550 kHz i 18900‒19020 kHz za službu radiodifuzije podliježe proceduri definiranoj članom 12. ITU Radio pravilnika. Administracije se pozivaju da koriste ove opsege za uvođenje digitalno moduliranih emisija saglasno odlukama Rezolucije 517 (Rev. WRC-15). (WRC-07)
5.136 Dodatna namjena: Opseg 5900‒5950 kHz mogu koristiti stanice koje rade samo unutar granica država u kojima su locirane, u sljedećim službama: fiksna služba (u svim regionima), kopnena mobilna služba (Region 1), mobilna osim vazduhoplovne mobilne (R) službe (Region 2 i 3), pod uslovom da ne uzrokuju štetne smetnje radiodifuznoj službi. Prilikom upotrebe frekvencija za ove službe, od administracija se zahtijeva da koriste minimum zahtijevane snage uzimajući u obzir sezonsko korištenje frekvencija za radiodifuzne službe koje se objavljuje u skladu s ITU Radio pravilnikom. (WRC-07)
5.137 Pod uslovom da ne prouzrokuju štetne smetnje pomorskoj mobilnoj službi, opsezi 6200‒6213.5 kHz i 6220.5‒6525 kHz izuzetno mogu biti korišteni od strane fiksne službe, pod uslovom da se komunikacija vrši unutar države u kojoj su locirane, a da srednja snaga ne prelazi 50 W. Prilikom notifikacije ovih frekvencija bit će skrenuta pažnja Birou za radiokomunikacije ITU-a o gornjim uslovima.
5.137A Frekvencije 6337.5 kHz, 8443 kHz, 12663.5 kHz, 16909.5 kHz i 22450.5 kHz regionalne su frekvencije za prijenos informacija o pomorskim sigurnosnim informacijama (MSI) putem sistema NAVDAT (vidjeti Dodatke 15 i 17). (WRC-23)
5.138 Sljedeći frekvencijski opsezi:
6765‒6795 kHz (centralna frekvencija 6780 kHz),
433.05‒434.79 MHz (centralna frekvencija 433.92 MHz) u Regionu 1, osim u državama navedenim u članu 5.280 ITU Radio pravilnika,
61‒61.5 GHz (centralna frekvencija 61.25 GHz),
122‒123 GHz (centralna frekvencija 122.5 GHz) i
244‒246 GHz (centralna frekvencija 245 GHz)
predviđeni su za industrijske, naučne i medicinske primjene (ISM) i administracije će za njihovo korištenje izdavati posebno odobrenje, u dogovoru s ostalim administracijama čije radiokomunikacijske službe mogu biti ometane. Primjenjujući ovu odredbu, administracije će uzeti u obzir najnovije ITU-R Preporuke.
5.143 Dodatna namjena: Opseg 7300‒7350 kHz namijenjen je za fiksnu službu i za kopnenu mobilnu službu. Frekvencije iz ovog opsega mogu koristiti stanice u navedenim službama samo za komunikaciju unutar granica država u kojima su locirane, pod uslovom da ne uzrokuju štetne smetnje službi radiodifuzije. Pri korištenju frekvencija za ove službe, administracije će zahtijevati da se koriste minimalne zahtijevane snage uzimajući u obzir sezonsko korištenje frekvencija za radiodifuzne službe, objavljeno u skladu s ITU Radio pravilnikom. (WRC-07)
5.143B U Regionu 1 frekvencije u opsegu 7350‒7450 kHz mogu koristiti stanice u fiksnoj i kopnenoj mobilnoj službi koje komuniciraju samo unutar granica države u kojoj su locirane pod uslovom da ne uzrokuju štetne smetnje službi radiodifuzije. Ukupna izračena snaga svake stanice neće prelaziti 24 dBW. (WRC-12)
5.145 Uslovi korištenja frekvencija nosilaca 8291 kHz, 12290 kHz i 16420 kHz propisani su u članovima 31. i 52. ITU Radio pravilnika. (WRC-07)
5.145A Stanice radiolokacijske službe ne smiju uzrokovati štetnu smetnju, niti tražiti zaštitu od njih, stanicama u fiksnoj službi. Korištenje u radiolokacijskoj službi ograničeno je na okeanografske radare koji rade u skladu s Rezolucijom 612 (Rev. WRC-12). (WRC-12)
5.146 Dodatna namjena: Opsezi 9400‒9500 kHz, 11600‒11650 kHz, 12050‒12100 kHz, 15600‒15800 kHz, 17480‒17550 kHz i 18900‒19020 kHz namijenjeni su za fiksnu službu i to za komunikaciju unutar granica država u kojima su locirani, pod uslovom da ne uzrokuju štetne smetnje službi radiodifuzije. Pri korištenju ovih frekvencija u fiksnoj službi, administracije se pozivaju da koriste minimalnu zahtijevanu snagu uzimajući u obzir sezonsko korištenje frekvencija za radiodifuzne službe objavljeno u skladu s ITU Radio pravilnikom. (WRC-07)
5.147 Pod uslovom da ne uzrokuju štetne smetnje službi radiodifuzije, frekvencije iz opsega: 9775‒9900 kHz, 11650‒11700 kHz i 11975‒12050 kHz mogu koristiti stanice u fiksnoj službi za komunikaciju samo unutar granica država u kojima su locirane, pri čemu ukupna izračena snaga svake stanice ne prelazi 24 dBW.
5.149 Pri dodijeli sljedećih frekvencijskih opsega radiostanicama za koje su namijenjeni:
|
13360‒13410
kHz,
|
4950‒4990
MHz,
|
102‒109.5
GHz,
|
|
25550‒25670
kHz,
|
4990‒5000
MHz,
|
111.8‒114.25
GHz,
|
|
37.5‒38.25
MHz,
|
6650‒6675.2
MHz,
|
128.33‒128.59
GHz,
|
|
73‒74.6 MHz
u Regionima 1 i 3,
|
10.6‒10.68
GHz,
|
129.23‒129.49
GHz,
|
|
150.05‒153 MHz
u Regionu 1,
|
14.47‒14.5
GHz,
|
130‒134 GHz,
|
|
322‒328.6
MHz,
|
22.01‒22.21
GHz,
|
136‒148.5
GHz,
|
|
406.1‒410 MHz,
|
22.21‒22.5
GHz,
|
151.5‒158.5
GHz,
|
|
608‒614 MHz
u Regionima 1 i 3,
|
22.81‒22.86
GHz,
|
168.59‒168.93
GHz,
|
|
1330‒1 400
MHz,
|
23.07‒23.12
GHz,
|
171.11‒171.45
GHz,
|
|
1610.6‒1613.8
MHz,
|
31.2‒31.3
GHz,
|
172.31‒172.65
GHz,
|
|
1660‒1670
MHz,
|
31.5‒31.8 GHz
u Regionima 1 i 3,
|
173.52‒173.85
GHz,
|
|
1718.8‒1722.2
MHz,
|
36.43‒36.5
GHz,
|
195.75‒196.15
GHz,
|
|
2655‒2690
MHz,
|
42.5‒43.5
GHz,
|
209‒226 GHz,
|
|
3260‒3267
MHz,
|
48.94‒49.04
GHz,
|
241‒250 GHz,
|
|
3332‒3339
MHz,
|
76‒86 GHz,
|
252‒275 GHz,
|
|
3345.8‒3352.5
MHz,
|
92‒94 GHz,
|
|
|
4825‒4835
MHz,
|
94.1‒100
GHz,
|
|
od administracija se traži da poduzmu sve potrebne korake da zaštite radioastronomsku službu od neželjenih smetnji. Emitiranja svemirskih ili vazduhoplovnih stanica mogu biti posebno ozbiljni izvori smetnji radioastronomskoj službi (vidjeti članove 4.5 i 4.6, kao i član 29. ITU Radio pravilnika). (WRC-07)
5.150 Sljedeći frekvencijski opsezi:
13553‒13567 kHz (centralna frekvencija 13560 kHz),
26957‒27283 kHz (centralna frekvencija 27120 kHz),
40.66‒40.70 MHz (centralna frekvencija 40.68 MHz),
902‒928 MHz u Regionu 2 (centralna frekvencija 915 MHz),
2400‒2500 MHz (centralna frekvencija 2450 MHz),
5725‒5875 MHz (centralna frekvencija 5800 MHz) i
24‒24.25 GHz (centralna frekvencija 24.125 GHz)
također su predviđeni za industrijske, naučne i medicinske primjene (ISM). Radiokomunikacijske službe koje rade unutar ovih frekvencijskih opsega moraju prihvatiti štetne smetnje koje mogu uzrokovati ta korištenja. ISM oprema koja radi u ovim frekvencijskim opsezima podliježe odredbama iz člana 15.13 ITU Radio pravilnika.
5.151 Dodatna namjena: Opsezi 13570‒13600 kHz i 13800‒13870 kHz mogu biti korišteni za fiksnu i mobilnu službu, osim vazduhoplovne mobilne (R) službe. Frekvencije u ovim opsezima mogu koristiti stanice u navedenim službama za komunikaciju samo unutar granica država u kojima su locirane pod uslovom da ne uzrokuju štetne smetnje službi radiodifuzije. Pri korištenju frekvencija za ove službe, od administracija se zahtijeva da koriste najmanju potrebnu snagu uzimajući u obzir sezonsko korištenje frekvencija za radiodifuzne službe, kako je objavljeno u skladu s ITU Radio pravilnikom. (WRC-07)
5.155B Opseg 21870‒21924 kHz koristi se u fiksnoj službi za sigurnost u vazdušnoj plovidbi.
5.156A Korištenje opsega 23200‒23350 kHz ograničeno je na fiksnu službu za sigurnost u vazdušnoj plovidbi.
5.157 Korištenje opsega 23350‒24000 kHz u pomorskoj mobilnoj službi ograničeno je na radiotelegrafiju za komunikaciju između brodova.
5.159A Korištenje frekvencijskog opsega 40‒50 MHz od strane satelitske službe istraživanja Zemlje (aktivno) bit će u skladu s ograničenjima geografskog područja i operativnim i tehničkim uslovima definiranim u Rezoluciji 677 (WRC-23). Odredbe ove napomene ni na koji način ne umanjuju obavezu satelitske službe istraživanja Zemlje (aktivno) da radi kao sekundarna služba u skladu s 5.29 i 5.30. (WRC-23)
5.161B Zamjenska namjena: U Albaniji, Njemačkoj, Armeniji, Austriji, Bjelorusiji, Belgiji, Bosni i Hercegovini, Kipru, Vatikanu, Hrvatskoj, Danskoj, Španiji, Estoniji, Finskoj, Francuskoj, Grčkoj, Mađarskoj, Irskoj, Islandu, Italiji, Latviji, Sjevernoj Makedoniji, Lihtenštajnu, Litvaniji, Luksemburgu, Malti, Moldaviji, Monaku, Crnoj Gori, Norveškoj, Uzbekistanu, Nizozemskoj, Portugalu, Kirgistanu, Slovačkoj, Češkoj Republici, Rumuniji, Ujedinjenom Kraljevstvu Velike Britanije i Sjeverne Irske, San Marinu, Sloveniji, Švedskoj, Švicarskoj, Turskoj i Ukrajini, radiofrekvencijski opseg 42‒42.5 MHz namijenjen je za fiksnu i mobilnu službu na primarnoj osnovi. (WRC-23)
5.162A Dodatna namjena: u Njemačkoj, Austriji, Belgiji, Bosni i Hercegovini, Crnoj Gori, Kini, Vatikanu, Danskoj, Španiji, Estoniji, Finskoj, Francuskoj, Irskoj, Islandu, Italiji, Latviji, Sjevernoj Makedoniji, Lihtenštajnu, Litvaniji, Luksemburgu, Monaku, Norveškoj, Nizozemskoj, Poljskoj, Portugalu, Srbiji, Sloveniji, Republici Češkoj, Ujedinjenom Kraljevstvu Velike Britanije i Sjeverne Irske, Švedskoj i Švicarskoj frekvencijski opseg 46‒68 MHz također je namijenjen radiolokacijskoj službi na sekundarnoj osnovi. Korištenje je ograničeno na rad radara za mjerenje brzine i smjera vjetra u skladu s Rezolucijom 217 (Rev. WRC-23). (WRC-23)
5.164 Dodatna namjena: u Albaniji, Alžiru, Njemačkoj, Austriji, Belgiji, Bosni i Hercegovini, Bugarskoj, Bocvani, Obali Slonovače, Hrvatskoj, Danskoj, Španiji, Estoniji, Esvatiniju, Finskoj, Francuskoj, Gabonu, Grčkoj, Mađarskoj, Irskoj, Izraelu, Italiji, Jordanu, Libanonu, Libiji, Lihtenštajnu, Litvaniji, Luksemburgu, Madagaskaru, Maliju, Malti, Maroku, Mauritaniji, Monaku, Crnoj Gori, Nigeriji, Norveškoj, Nizozemskoj, Poljskoj, Siriji, Slovačkoj, Češkoj, Rumuniji, Ujedinjenom Kraljevstvu Velike Britanije i Sjeverne Irske, Srbiji, Sloveniji, Švedskoj, Švicarskoj, Čadu, Togou, Tunisu i Turskoj frekvencijski opseg 47‒68 MHz, u Južnoafričkoj Republici frekvencijski opseg 47‒50 MHz i u Latviji frekvencijski opseg 48.5‒56.5 MHz i 58‒68 MHz, također su namijenjeni kopnenoj mobilnoj službi na primarnoj osnovi. Međutim, stanice u zemaljskoj mobilnoj službi u zemljama navedenim uz svaki frekvencijski opseg, neće uzrokovati štetne smetnje, ili zahtijevati zaštitu od postojećih ili planiranih radiodifuznih stanica, u zemljama koje nisu spomenute uz frekvencijski opseg. (WRC-23)
5.166A Različita kategorija službe: u Austriji, Kipru, Vatikanu, Hrvatskoj, Danskoj, Španiji, Finskoj, Mađarskoj, Latviji, Nizozemskoj, Češkoj, Ujedinjenom Kraljevstvu Velike Britanije i Sjeverne Irske, Slovačkoj i Sloveniji, frekvencijski opseg 50.0‒50.5 MHz dodijeljen je amaterskoj službi na primarnoj osnovi. Stanice u amaterskoj službi u ovim zemljama ne smiju uzrokovati štetne smetnje, niti zahtijevati zaštitu od stanica radiodifuznih, fiksnih i mobilnih službi koje rade u skladu s ITU Radio pravilnikom u frekvencijskom opsegu 50.0‒50.5 MHz u zemljama koje nisu navedene u ovoj odredbi. Za stanicu ovih službi također se primjenjuju kriteriji zaštite iz napomene 5.169B. U Regionu 1, s izuzetkom zemalja navedenih u 5.169, radari za mjerenje brzine i smjera vjetra koji rade u radiolokacijskoj službi pod 5.162A ovlašteni su za rad na osnovu jednakosti sa stanicama u amaterskoj službi u frekvencijskom opsegu 50.0‒50.5 MHz. (WRC-19)
5.180 Frekvencija 75 MHz dodijeljena je radiofarovima za označavanje. Administracije neće dodjeljivati frekvencije blizu granica zaštitnog opsega radiostanicama ostalih službi koje bi, zbog svoje snage i geografskog položaja, mogle prouzrokovati neželjene smetnje ili na drugi način ograničiti djelovanje radiofarova.
Ubuduće treba nastojati da se još više poboljšaju karakteristike prijemnika na letjelicama i ograničiti snagu predajnih radiostanica u blizini graničnih frekvencija 74.8 MHz i 75.2 MHz.
5.197A Dodatna namjena: Opseg 108‒117.975 MHz također je namijenjen vazduhoplovnoj mobilnoj (R) službi na primarnoj osnovi, i to samo za sisteme koji rade u skladu s međunarodnim vazduhoplovnim standardima. Takvo korištenje bit će u saglasnosti s Rezolucijom 413 (Rev. WRC-23). Korištenje opsega 108‒112 MHz od strane vazduhoplovne mobilne službe (R) će biti ograničeno na sisteme sastavljene od zemaljskih predajnika i pripadajućih prijemnika koji pružaju navigacijske informacije kao podršku funkcijama vazduhoplovne navigacije u skladu s prepoznatljivim međunarodnim vazduhoplovnim standardima. (WRC-23)
5.198A Korištenje frekvencijskog opsega 117.975‒137 MHz od strane vazduhoplovne mobilne satelitske (R) službe predmet je koordinacije prema 9.11A. Ne primjenjuju se odredbe člana 9.16. Takvo korištenje bit će ograničeno na negeostacionarne satelitske sisteme koji rade u skladu s međunarodnim vazduhoplovnim standardima. Primjenjuje se Rezolucija 406 (WRC-23). (WRC-23)
5.198B Korištenje frekvencijskog opsega 117.975‒137 MHz od strane vazduhoplovne mobilne (R) službe imat će prioritet nad korištenjem vazduhoplovne mobilne satelitske (R) službe. (WRC-23)
5.200 U frekvencijskom opsegu 117.975‒137 MHz, frekvencija 121.5 MHz je frekvencija za slučaj opasnosti u vazduhoplovnoj službi, a tamo gdje je potrebno, frekvencija 123.1 MHz je pomoćna frekvencija toj frekvenciji. Mobilne stanice pomorske mobilne službe mogu komunicirati na ovim frekvencijama sa stanicama vazduhoplovne mobilne službe i vazduhoplovne mobilne satelitske službe u slučaju nesreće i u sigurnosne svrhe, pod uslovima navedenim u članu 31. ITU Radio pravilnika. (WRC-23)
5.203C Korištenje službe svemirskih operacija (svemir ‒ Zemlja) s negeostacionarnim satelitskim sistemima u kratkotrajnim misijama u frekvencijskom opsegu 137‒138 MHz podliježe Rezoluciji 660 (WRC-19). Primjenjuje se Rezolucija 32 (WRC-19). Ovi sistemi ne smiju uzrokovati štetne smetnje, niti zahtijevati zaštitu od postojećih službi kojima je frekvencijski opseg dodijeljen na primarnoj osnovi. (WRC-19)
5.208 Korištenje opsega 137‒138 MHz od strane mobilne satelitske službe predmet je koordinacije prema članu 9.11A ITU Radio pravilnika. (WRC-97)
5.208A Prilikom dodjele frekvencija svemirskim stanicama u mobilnoj satelitskoj službi u opsezima 137‒138 MHz, 387‒390 MHz i 400.15‒401 MHz i pomorskoj mobilnoj satelitskoj službi (svemir ‒ Zemlja) u frekvencijskim opsezima 157.1875‒157.3375 MHz i 161.7875‒161.9375 MHz, administracije će poduzeti sve praktične korake da zaštite radioastronomsku službu u opsezima 150.05‒153 MHz, 322‒328.6 MHz, 406.1‒410 MHz i 608‒614 MHz od štetnih smetnji koje potiču od neželjenih emisija, kao što je prikazano u posljednjoj verziji preporuke ITU-R RA. 769. Nivoi praga prijema štetnih smetnji radioastronomskoj službi, prikazani su u relevantnoj ITU preporuci. (WRC-19)
5.208B U frekvencijskim opsezima:
137‒138 MHz,
157.1875‒157.3375 MHz,
161.7875‒161.9375 MHz,
387‒390 MHz,
400.15‒401 MHz,
1452‒1492 MHz,
1525‒1610 MHz,
1613.8‒1626.5 MHz,
2655‒2690 MHz,
21.4‒22 GHz,
primjenjuje se Rezolucija 739 (Rev. WRC-15). (WRC-19)
5.209 Korištenje frekvencijskih opsega 137‒138 MHz, 14‒150.05 MHz, 399.9‒400.05 MHz, 400.15‒401 MHz, 454‒456 MHz i 459‒460 MHz od strane mobilne satelitske službe ograničeno je na negeostacionarne satelitske sisteme. (WRC-97)
5.209A Korištenje frekvencijskog opsega 137.175‒137.825 MHz od strane negeostacionarnih satelitskih sistema u službi svemirskih operacija identificiranih kao kratkotrajne misije u skladu s Dodatkom 4 ITU Radio pravilnika ne podliježe članu 9.11A. ITU Radio pravilnika. (WRC-19)
5.218 Dodatna namjena: Prema sporazumu postignutom u skladu s članom 9.21. ITU Radio pravilnika, frekvencijski opseg 148‒149.9 MHz također je namijenjen službi svemirskih operacija (Zemlja ‒ svemir), na primarnoj osnovi. Širina opsega svakog pojedinačnog prijenosa ne smije preći ± 25 kHz.
5.218A Frekvencijski opseg 148‒149.9 MHz u službi svemirskih operacija (Zemlja ‒ svemir) mogu koristiti negeostacionarni satelitski sistemi na kratkotrajnim misijama. Negeostacionarni satelitski sistemi u službi svemirskih operacija koji se koriste za kratkotrajne misije u skladu s Rezolucijom 32 (WRC-19) ITU Radio pravilnika nisu predmet sporazuma prema članu 9.21. U fazi koordinacije također se primjenjuju odredbe iz članova 9.17 i 9.18. U frekvencijskom opsegu 148‒149.9 MHz, negeostacionarni satelitski sistemi na kratkotrajnim misijama ne smiju uzrokovati neprihvatljive smetnje ili zahtijevati zaštitu od postojećih primarnih službi unutar ovog frekvencijskog opsega ili nametati dodatna ograničenja službi svemirskih operacija i mobilnoj satelitskoj službi. Osim toga, zemaljske stanice u negeostacionarnim satelitskim sistemima u službi svemirskih operacija na kratkotrajnim misijama u frekvencijskom opsegu 148‒149,9 MHz moraju obezbijediti da snaga gustine fluksa ne prelazi ‒ 149 dB (W/(m²( 4 kHz)) više od 1% vremena na granici teritorija sljedećih zemalja: Armenija, Azerbejdžan, Bjelorusija, Kina, Koreja (Rep.), Kuba, Ruska Federacija, Indija, Iran (Islamska Republika), Japan, Kazahstan, Malezija, Uzbekistan, Kirgistan, Tajland i Vijetnam. U slučaju da je ovo ograničenje snage gustine fluksa prekoračeno, potrebno je sklopiti sporazum prema članu 9.21 sa zemljama navedenim u ovoj napomeni. (WRC-19)
5.219 Korištenje frekvencijskog opsega 148‒149.9 MHz za mobilnu satelitsku službu je predmet koordinacije prema članu 9.11A ITU Radio pravilnika. Mobilna satelitska služba neće ograničavati razvoj i korištenje fiksnih, mobilnih i službi svemirskih operacija u frekvencijskom opsegu 148‒149.9 MHz. Korištenje opsega 148‒149.9 MHz od strane negeostacionarnih satelitskih sistema u službi svemirskih operacija identificiranih kao kratkotrajne misije nisu predmet člana 9.11A. (WRC-19)
5.220 Korištenje frekvencijskih opsega 149.9‒150.5 MHz i 399.9‒400.05 MHz za mobilnu satelitsku službu predmet je koordinacije date u članu 9.11A ITU Radio pravilnika. (WRC-15)
5.221 Radiostanice mobilne satelitske službe u frekvencijskom opsegu 148‒149.9 MHz neće uzrokovati štetne smetnje, niti zahtijevati zaštitu od njihovog rada, stanicama fiksnih ili mobilnih službi koje rade u skladu s Tabelom namjene frekvencijskih opsega u sljedećim zemljama: Albaniji, Alžiru, Njemačkoj, Saudijskoj Arabiji, Australiji, Austriji, Bahreinu, Bangladešu, Barbadosu, Bjelorusiji, Belgiji, Beninu, Bosni i Hercegovini, Bocvani, Brunejima, Bugarskoj, Kamerunu, Kini, Kipru, Kongu, Republici Koreji, Obali Slonovače, Hrvatskoj, Kubi, Danskoj, Džibutiju, Egiptu, Ujedinjenim Arapskim Emiratima, Eritreji, Španiji, Estoniji, Etiopiji, Ruskoj Federaciji, Finskoj, Francuskoj, Gabonu, Gruziji, Gani, Grčkoj, Gvineji, Gvineji Bisao, Mađarskoj, Indiji, Islamskoj Republici Iran, Irskoj, Islandu, Izraelu, Italiji, Jamajci, Japanu, Jordanu, Kazahstanu, Keniji, Demokratskoj Narodnoj Republici Koreji, Kuvajtu, Lesotu, Latviji, Libanonu, Libiji, Lihtenštajnu, Litvaniji, Luksemburgu, Sjevernoj Makedoniji, Maleziji, Maliju, Malti, Mauritaniji, Moldaviji, Mongoliji, Crnoj Gori, Mozambiku, Namibiji, Norveškoj, Novom Zelandu, Omanu, Ugandi, Uzbekistanu, Pakistanu, Panami, Papua Novoj Gvineji, Paragvaju, Nizozemskoj, Filipinima, Poljskoj, Portugalu, Kataru, Siriji, Kirgistanu, Slovačkoj, Rumuniji, Ujedinjenom Kraljevstvu Velike Britanije i Sjeverne Irske, Senegalu, Srbiji, Siera Leoneu, Singapuru, Sloveniji, Sudanu, Šri Lanki, Južnoj Africi, Švedskoj, Švicarskoj, Svazilendu, Tanzaniji, Čadu, Togou, Tongu, Trinidadu i Tobagu, Tunisu, Turskoj, Ukrajini, Vijetnamu, Jemenu, Zambiji i Zimbabveu. (WRC-23)
5.226 Frekvencija 156.525 MHz je međunarodna frekvencija pomorske mobilne VHF radiotelefonske službe koja se koristi u slučajevima opasnosti, bezbjednosti i pozivima u pomoć koristeći digitalni selektivni poziv (DSC). Uslovi za korištenje ovih frekvencija i opsega 156.4875‒156.5625 MHz sadržani su u članovima 31. i 52. i Dodatku 18 ITU Radio pravilnika.
Frekvencija 156.8 MHz je međunarodna frekvencija pomorske mobilne VHF radiotelefonske službe koja se koristi u slučajevima opasnosti, bezbjednosti i pozivima u pomoć. Uslovi za korištenje ove frekvencije i opsega 156.7625‒156.8375 MHz sadržani su u članu 31. i Dodatku 18 ITU Radio pravilnika.
U frekvencijskim opsezima 156‒156.7625 MHz, 156.5625‒156.7625 MHz, 156.8375‒157.45 MHz, 160.6‒160.975 MHz i 161.475‒162.05 MHz, svaka administracija dat će prednost pomorskoj mobilnoj službi samo na frekvencijama koje je administracija dodijelila stanicama pomorske mobilne službe (pogledati članove 31. i 52, i Dodatak 18 ITU Radio pravilnika).
Svako korištenje frekvencija u ovim opsezima od stanica drugih službi kojima su namijenjeni treba izbjegavati u područjima u kojima takvo korištenje može izazvati štetne smetnje stanicama pomorske mobilne VHF radiokomunikacijske službe.
Međutim, frekvencije 156.8 MHz i 156.525 MHz, te frekvencijski opsezi u kojima je pravo prvenstva dato pomorskoj mobilnoj službi, mogu se koristiti za radiokomunikacije na unutrašnjim plovnim putevima, u skladu sa sporazumom između zainteresiranih administracija, imajući u vidu postojeću upotrebu frekvencija i važeće sporazume. (WRC-07)
5.227 Dodatna namjena: Opsezi 156.4875‒156.5125 MHz i 156.5375‒156.5625 MHz također su namijenjeni za fiksnu i kopnenu mobilnu službu na primarnoj osnovi. Navedene službe koje koriste ove opsege neće uzrokovati štetne smetnje niti zahtijevati zaštitu od mobilne pomorske VHF službe. (WRC-07)
5.228 Korištenje radiofrekvencijskih opsega 156.7625‒156.7875 MHz i 156.8125‒156.8375 MHz u mobilnoj satelitskoj službi (Zemlja ‒ svemir) ograničena je na prijem emisija radiodifuznih poruka velikog dometa iz automatskog sistema prepoznavanja (AIS) (vidjeti najnovije izdanje preporuke ITU-R M. 1371). Izuzimajući AIS emisije, emisije komunikacijskih sistema u pomorskoj mobilnoj službi u ovim radiofrekvencijskim opsezima ne smiju prelaziti 1 W.
5.228AA Korištenje frekvencijskih opsega 161.9375‒161.9625 MHz i 161.9875‒162.0125 MHz u pomorskoj mobilnoj satelitskoj službi (Zemlja ‒ svemir) ograničena je na sisteme koji rade u skladu s Dodatkom 18 ITU Radio pravilnika. (WRC-15)
5.228AB Korištenje frekvencijskih opsega 157.1875‒157.3375 MHz i 161.7875‒161.9375 MHz u pomorskoj mobilnoj satelitskoj službi (Zemlja ‒ svemir) ograničeno je na negeostacionarne satelitske sisteme koji rade u skladu s Dodatkom 18 ITU Radio pravilnika. (WRC-19)
5.228C Korištenje frekvencijskih opsega 161.9625‒161.9875 MHz i 162.0125‒162.0375 MHz od strane pomorske mobilne službe i mobilne satelitske (Zemlja ‒ svemir) službe ograničeno je na automatski identifikacijski sistem (AIS), uključujući AIS predajnike za traženje i spašavanje (AIS-SART) i satelitske radiofarove za označavanje položaja u slučaju opasnosti s AIS-om (EPIRB-AIS). Korištenje ovih frekvencijskih opsega od strane vazduhoplovne mobilne (OR) službe ograničeno je na AIS emisije iz operacija za potragu i spašavanje avionima. Rad AIS-a, AIS-SART-a i EPIRB-AIS-a u ovim frekvencijskim opsezima neće ograničavati razvoj i korištenje fiksnih i mobilnih službi koje rade u susjednim frekvencijskim opsezima. (WRC-23)
5.228F Korištenje frekvencijskih opsega 161.9625‒161.9875 MHz i 162.0125‒162.0375 MHz od strane mobilne satelitske službe (Zemlja ‒ svemir) ograničeno je na prijem emisija sistema automatske identifikacije od stanica koje rade u pomorskoj mobilnoj službi. (WRC-12)
5.235 Dodatna namjena: u Njemačkoj, Austriji, Belgiji, Danskoj, Španiji, Finskoj, Francuskoj, Izraelu, Italiji, Lihtenštajnu, Malti, Monaku, Norveškoj, Nizozemskoj, Ujedinjenom Kraljevstvu Velike Britanije i Sjeverne Irske, Švedskoj i Švicarskoj, opseg 174‒223 MHz također je namijenjen kopnenoj mobilnoj službi na primarnoj osnovi. Međutim, stanice kopnene mobilne službe ne smiju uzrokovati štetne smetnje, niti zahtijevati zaštitu od radiodifuznih stanica, postojećih ili planiranih, u zemljama koje nisu navedene u ovoj napomeni.
5.254 Frekvencijski opsezi 235‒322 MHz i 335.4‒399.9 MHz mogu se koristiti za mobilnu satelitsku službu i predmet su sporazuma postignutog prema članu 9.21 ITU Radio pravilnika, pod uslovom da stanice ove službe ne uzrokuju štetne smetnje stanicama drugih službi koje rade ili se planira da rade u skladu s Planom namjene frekvencija osim za dodatnu namjenu navedenu u članu 5.256A. (WRC-03)
5.255 Frekvencijske opsege 312‒315 MHz (Zemlja ‒ svemir) i 387‒390 MHz (svemir ‒ Zemlja) u mobilnoj satelitskoj službi mogu također koristiti i negeostacionarni satelitski sistemi. Takva upotreba predmet je koordinacije prema članu 9.11A ITU Radio pravilnika.
5.256 Frekvenciju 243 MHz koriste stanice čamaca za spašavanje i druga oprema koja se koristi za slučajeve spašavanja i u svrhu preživljavanja. (WRC-07)
5.256A Dodatna namjena: U Kini, Ruskoj Federaciji i Kazahstanu, frekvencijski opseg 258‒261 MHz također je namijenjen službi istraživanje svemira (Zemlja ‒ svemir) i službi za operacije u svemiru (Zemlja ‒ svemir) na primarnoj osnovi. Stanice u službi istraživanja svemira (Zemlja ‒ svemir) i službi operacija u svemiru (Zemlja ‒ svemir) neće prouzrokovati štetne smetnje, niti će tražiti zaštitu od njih ili ograničavati njihovo korištenje i razvoj, sistemima mobilne službe i sistemima mobilne satelitske službe koje rade u ovom opsegu. Stanice u službi istraživanja svemira (Zemlja ‒ svemir) i operacije u svemiru (Zemlja ‒ svemir) neće ograničavati budući razvoj sistema fiksne službe drugih zemalja. (WRC-15)
5.257 Frekvencijski opseg 267‒272 MHz administracije mogu koristiti u svojim državama za svemirsku telemetriju na primarnoj osnovi i predmet je sporazuma postignutog prema članu 9.21 ITU Radio pravilnika.
5.258 Korištenje frekvencijskog opsega 328.6‒335.4 MHz u vazduhoplovnoj radionavigacijskoj službi ograničen je na sisteme za instrumentalno slijetanje ILS (kosina slijetanja ‒ glide path).
5.260A U frekvencijskom opsegu 399.9‒400.05 MHz, maksimalni e. i. r. p. bilo koje emisije zemaljskih stanica u mobilnoj satelitskoj službi ne smije prelaziti 5 dBW u bilo kojem opsegu od 4 kHz, a maksimalni e. i. r. p. svake zemaljske stanice u mobilnoj satelitskoj službi ne smije prelaziti 5 dBW u cijelom frekvencijskom opsegu 399.9‒400.05 MHz. Do 22. novembra 2022. godine, ovo se ograničenje ne primjenjuje na satelitske sisteme za koje je Biro za radiokomunikacije primio potpune podatke o notifikaciji do 22. novembra 2019. i koji su pušteni u rad do tog datuma. Nakon 22. novembra 2022. godine, ova će se ograničenja primjenjivati na sve sisteme u mobilnoj satelitskoj službi koji rade u ovom frekvencijskom opsegu.
U frekvencijskom opsegu 399.99‒400.02 MHz, gore navedena ograničenja e. i. r. p.-a primjenjivat će se nakon 22. novembra 2022. godine na sve sisteme u mobilnoj satelitskoj službi. Od administracija se traži da njihove satelitske veze mobilne satelitske službe u frekvencijskom opsegu 399.99‒400.02 MHz budu u skladu s e. i. r. p. ograničenjima kako je gore navedeno, nakon 22. novembra 2019. godine. (WRC-19)
5.260B U frekvencijskom opsegu 400.02‒400.05 MHz, odredbe iz člana 5.260A nisu primjenjive za linkove s telekomandama unutar mobilne satelitske službe. (WRC-19)
5.261 Emisije će biti ograničene u opsegu ± 25 kHz oko etalon frekvencije 400.1 MHz.
5.263 Frekvencijski opseg 400.15‒401 MHz također je namijenjen za službu istraživanja svemira u pravcu svemir ‒ svemir za komunikaciju sa stanicama s ljudskom posadom. Kod ove primjene, služba istraživanja svemira neće biti razmatrana kao sigurnosna služba.
5.264 Korištenje frekvencijskog opsega 400.15‒401 MHz za mobilnu satelitsku službu predmet je koordinacije prema članu 9.11A ITU Radio pravilnika. Gustina toka snage ograničena je Aneksom 1. Dodatka 5 ITU Radio pravilnika, sve dok je mjerodavna Svjetska radiokonferencija ne izmijeni.
5.264A U frekvencijskom opsegu 401‒403 MHz, maksimalni e. i. r. p. bilo koje emisije svake zemaljske stanice u meteorološkoj satelitskoj službi i satelitskoj službi istraživanja Zemlje ne smije prelaziti 22 dBW u bilo kojem opsegu od 4 kHz za geostacionarne satelitske sisteme i negeostacionarne satelitske sisteme s orbitom apogeja jednakom ili većom od 35 786 km.
Maksimalni e. i. r. p. bilo koje emisije svake zemaljske stanice u meteorološkoj satelitskoj službi i satelitskoj službi istraživanja Zemlje ne smije prelaziti 7 dBW u bilo kojem opsegu od 4 kHz za negeostacionarne satelitske sisteme s orbitom apogeja nižom od 35 786 km.
Maksimalni e. i. r. p. svake zemaljske stanice u meteorološkoj satelitskoj službi i satelitskoj službi istraživanja Zemlje ne smije prelaziti 22 dBW za geostacionarne satelitske sisteme i negeostacionarne satelitske sisteme s orbitom apogeja jednakom ili većom od 35 786 km u cijelom 401‒403 MHz frekvencijskom pojasu. Maksimalni e. i. r. p. svake zemaljske stanice u meteorološkoj satelitskoj službi i satelitskoj službi istraživanja Zemlje ne smije prelaziti 7 dBW za negeostacionarne satelitske sisteme s orbitom apogeja nižom od 35 786 km u cijelom frekvencijskom opsegu 401‒403 MHz.
Do 22. novembra 2029. godine, ova se ograničenja ne primjenjuju na satelitske sisteme za koje je Biro za radiokomunikacije primio potpune podatke o notifikaciji do 22. novembra 2019. i koji su pušteni u rad do tog datuma. Nakon 22. novembra 2029. godine, ova će se ograničenja primjenjivati na sve sisteme u meteorološkoj satelitskoj službi i satelitskoj službi istraživanja Zemlje koji rade u ovom frekvencijskom pojasu. (WRC-19)
5.264B Negeostacionarni satelitski sistemi u meteorološkoj satelitskoj službi i satelitskoj službi istraživanja Zemlje za koje je Biro za radiokomunikacije primio potpunu notifikaciju prije 28. aprila 2007. godine izuzeti su iz odredaba člana 5.264A ITU Radio pravilnika i mogu nastaviti da rade u frekvencijskom opsegu 401.898‒402.522 MHz na primarnoj osnovi bez prekoračenja maksimalnog nivoa e. i. r. p.-a od 12 dBW. (WRC-23)
5.265 U radiofrekvencijskom opsegu 403‒410 MHz primjenjuje se Rezolucija 205 (Rev. WRC-19). (WRC-19)
5.266 Korištenje frekvencijskog opsega 406‒406.1 MHz za mobilnu satelitsku službu ograničeno je na radiofarove za prikaz položaja u slučaju opasnosti. (Vidjeti član 31. ITU Radio pravilnika). (WRC-07)
5.267 Zabranjena je upotreba frekvencijskog opsega 406‒406.1 MHz za bilo kakva emitiranja koja mogu uzrokovati štetne smetnje odobrenim upotrebama.
5.279A Korištenje frekvencijskog opsega 432‒438 MHz za senzore u službi satelitskog istraživanja Zemlje (aktivno) bit će u skladu preporukom ITU-R RS. 1260-2. Pored toga, satelitsko istraživanje Zemlje (aktivno) u opsegu 432‒438 MHz neće uzrokovati štetne smetnje vazduhoplovnoj radionavigacijskoj službi u Kini. Odredbe ove napomene neće ni u kojem smislu smanjiti obavezu službe satelitskog istraživanja Zemlje (aktivno) da rade kao sekundarna služba u skladu s članovima 5.29 i 5.30 ITU Radio pravilnika. (WRC-19)
5.280 U Njemačkoj, Austriji, Bosni i Hercegovini, Hrvatskoj, Lihtenštajnu, Sjevernoj Makedoniji, Crnoj Gori, Portugalu, Srbiji, Sloveniji i Švicarskoj, frekvencijski opseg 433.05‒434.79 MHz (centralna frekvencija 433.92 MHz) određen je za industrijske, naučne i medicinske primjene (ISM). Radiokomunikacijske službe ovih zemalja koje rade unutar ovog frekvencijskog opsega moraju prihvatiti štetne smetnje koje mogu uzrokovati navedene primjene. ISM oprema, koja radi u ovom frekvencijskom opsegu, predmet je odredaba datih u članu 15.13 ITU Radio pravilnika. (WRC-19)
5.282 U opsezima 435‒438 MHz, 1260‒1270 MHz, 2400‒2450 MHz, 3400‒3410 MHz (samo za Regione 2 i 3) i 5650‒5670 MHz može raditi amaterska satelitska služba ako ne stvara štetne smetnje drugim službama koje rade u skladu s Tabelom namjene (vidjeti član 5.43 ITU Radio pravilnika). Administracije koje odobre takvo korištenje moraju odmah obezbijediti da se ukloni svaka štetna smetnja koju je stvorila radiostanica u amaterskoj satelitskoj službi, u skladu s odredbama člana 25.11 ITU Radio pravilnika. Korištenje opsega 1260‒1270 MHz i 5650‒5670 MHz u amaterskoj satelitskoj službi ograničeno je na smjer Zemlja ‒ svemir.
5.287 U pomorskoj mobilnoj službi, frekvencijski opsezi 457.5125‒457.5875 MHz i 467.5125‒467.5875 MHz ograničeni su na korištenje za brodske komunikacijske stanice. Karakteristike opreme koja će se koristiti i kanalni raspored će biti u skladu s Preporukom ITU-R M. 1174-4. Korištenje ovih frekvencija u teritorijalnim vodama može podlijegati nacionalnim propisima administracija država koje su za to zainteresirane. (WRC-19)
5.289 Primjene u službi satelitskog istraživanja Zemlje, osim u meteorološkoj satelitskoj službi, mogu biti i u frekvencijskim opsezima 460‒470 MHz i 1690‒1710 MHz za prijenose svemir ‒ Zemlja, pod uslovom da ne uzrokuju štetne smetnje stanicama koje rade u skladu s Tabelom namjene frekvencija.
5.291A Dodatna namjena: u Njemačkoj, Austriji, Danskoj, Estoniji, Lihtenštajnu, Srbiji i Švicarskoj, frekvencijski opseg 470‒494 MHz također je dodijeljen radiolokacijskoj službi na sekundarnoj osnovi. Ova upotreba ograničena je na rad radara za profiliranje vjetra u skladu s Rezolucijom 217 (Rev. WRC-23). (WRC-23)
5.295A Dodatna namjena: u Albaniji, Njemačkoj, Andori, Austriji, Belgiji, Bosni i Hercegovini, Bugarskoj, Kipru, Vatikanu, Hrvatskoj, Danskoj, Estoniji, Finskoj, Francuskoj, Gruziji, Grčkoj, Mađarskoj, Irskoj, Islandu, Latviji, Lihtenštajnu, Litvaniji, Luksemburgu, Sjevernoj Makedoniji, Malti, Moldaviji, Monaku, Crnoj Gori, Norveškoj, Uzbekistanu, Kraljevini Nizozemskoj, Poljskoj, Portugalu, Turskoj, Slovačkoj, Češkoj, Rumuniji, Ujedinjenom Kraljevstvu Velike Britanije i Sjeverne Irske, San Marinu, Srbiji, Sloveniji, Švedskoj, Švicarskoj i Ukrajini, frekvencijski opseg 470‒694 MHz dodijeljen je mobilnoj, osim vazduhoplovne mobilne službe na sekundarnoj osnovi, i predmet je sporazuma dobijenog prema članu 9.21. Za zaštitu radiodifuzne službe, stanice u mobilnoj službi ne smiju stvarati jačinu polja veću od 1% vremena na najvišoj visini smetnje ili 10 m iznad nivoa tla na granici teritorije bilo koje druge administracije koja prelazi vrijednost jačine polja izračunatu korištenjem § 4.1.3.2 Aneksa 2 Sporazuma GE06 s obzirom na dopuštene višestruke smetnje, prema tabeli A.1.10 i metodologiji datoj u Sporazumu GE06. Ta ograničenja se mogu prekoračiti na teritoriji bilo koje zemlje čija je administracija saglasna s tim. Ova dodjela ni na koji način neće negativno uticati na razvoj radiodifuzije niti umanjivati nove upise u Plan GE06 u službi radiodifuzije. (WRC-23)
5.296 Dodatna namjena: U Albaniji, Njemačkoj, Angoli, Saudijskoj Arabiji, Austriji, Bahreinu, Belgiji, Beninu, Bosni i Hercegovini, Bocvani, Bugarskoj, Burkini Faso, Burundiju, Kamerunu, Vatikanu, Kongu, Obali Slonovače, Hrvatskoj, Danskoj, Džibutiju, Egiptu, Ujedinjenim Arapskim Emiratima, Španiji, Estoniji, Esvatiniju, Finskoj, Francuskoj, Gabonu, Gruziji, Gani, Mađarskoj, Iraku, Irskoj, Islandu, Izraelu, Italiji, Jordanu, Keniji, Kuvajtu, Lesotu, Latviji, Libanonu, Libiji, Lihtenštajnu, Litvaniji, Luksemburgu, Sjevernoj Makedoniji, Malaviju, Maliju, Malti, Maroku, Mauricijusu, Mauritaniji, Moldaviji, Monaku, Mozambiku, Namibiji, Nigeru, Nigeriji, Norveškoj, Omanu, Ugandi, Nizozemskoj, Poljskoj, Portugalu, Kataru, Siriji, Slovačkoj, Češkoj Republici, Rumuniji, Ujedinjenom Kraljevstvu Velike Britanije i Sjeverne Irske, Ruandi, San Marinu, Srbiji, Sudanu, Južnoj Africi, Švedskoj, Švicarskoj, Tanzaniji, Čadu, Togou, Tunisu, Turskoj, Ukrajini, Zambiji i Zimbabveu radiofrekvencijski opseg 470‒694 MHz također je namijenjen na sekundarnoj osnovi za kopnenu mobilnu službu i namijenjen za pomoćne primjene u radiodifuziji i proizvodnji programa. Stanice u kopnenoj mobilnoj službi u navedenim državama ne smiju stvarati štetne smetnje postojećim ili planiranim stanicama koje rade u skladu s Planom namjene radiofrekvencijskog spektra u državama koje nisu navedene u ovoj napomeni. (WRC-23)
5.306 Dodatna namjena: u Regionu 1, osim u Afričkom radiodifuznom području (vidjeti član 5.10 do 5.13), i u Regionu 3 osim Kine i Indije, opseg 608‒614 MHz također je namijenjen za radioastronomsku službu na sekundarnoj osnovi. (WRC-23)
5.312A U Regionu 1, korištenje opsega 694‒790 MHz od strane mobilne, osim vazduhoplovne mobilne službe podliježe primjeni Rezloucije 760 (Rev. WRC-23). Vidjeti također i Rezoluciju 224 (Rev. WRC-23). (WRC-23)
5.312B Frekvencijski opseg 698‒960 MHz, ili njegovi dijelovi, u Regionu 2, i frekvencijski opseg 694‒960 MHz, ili njegovi dijelovi, u Regionu 1, identificirani su za korištenje od strane stanica na platformama na velikim nadmorskim visinama kao bazne stanice (HIBS) međunarodnih mobilnih telekomunikacija (IMT). Ova identifikacija ne isključuje korištenje ovih frekvencijskih opsega od strane bilo koje primjene službi kojima su namijenjeni i ne utvrđuje prioritet u ITU Radio pravilniku. Primjenjivat će se Rezolucija 213 (WRC-23). HIBS ne zahtijeva zaštitu od postojećih primarnih službi. Odredbe člana 5.43A se ne primjenjuju, vidjeti odjeljak Rješenje 2 Rezolucije 213 (WRC-23). Takvo korištenje HIBS-a u frekvencijskim opsezima 694‒728 MHz, 830‒835 MHz i 805.3‒806.9 MHz ograničeno je na prijem putem HIBS-a. (WRC-23)
5.316B Namjena za mobilnu službu osim vazduhoplovne mobilne u Regionu 1, u frekvencijskom opsegu 790‒862 MHz predmet je saglasnosti postignute prema članu 9.21 ITU Radio pravilnika, imajući u vidu vazduhoplovnu radionavigacijsku službu u zemljama nabrojanim u članu 5.312. Za zemlje potpisnice sporazuma GE06, korištenje stanica u mobilnoj službi također je predmet uspješne primjene procedura tog sporazuma. Rezolucije 224 (Rev. WRC-23) i 749 (Rev. WRC-23) primjenjivat će se po potrebi. (WRC-23)
5.317A Dijelovi opsega 698‒960 MHz u Regionu 2 i opsega 694‒790 MHz u Regionu 1 i 790‒960 MHz u Regionima 1 i 3, koji su namijenjeni za mobilnu službu na primarnoj osnovi identificirani su za korištenje od strane administracija koje žele implementirati IMT (International Mobile Telecommunications), vidjeti Rezolucije 224 (Rev. WRC-23), 760 (WRC-23) i Rezoluciju 749 (Rev. WRC-23), gdje je primjenjivo. Ova identifikacija ne onemogućava korištenje ovih opsega za bilo koje aplikacije u službama kojima su namijenjene i ne uspostavlja prioritet u ITU Radio pravilniku. (WRC-23)
5.327A Korištenje opsega 960‒1164 MHz od strane vazduhoplovne mobilne (R) službe, ograničeno je na sisteme koji rade u skladu s prepoznatim međunarodnim vazduhoplovnim standardima. Takvo korištenje će biti u skladu s Rezolucijom 417 (Rev. WRC-15). (WRC-15)
5.328 Frekvencijski opseg 960‒1215 MHz rezerviran je na svjetskom nivou za rad i razvoj pomoćnih elektronskih sredstava vazduhoplovne navigacije i svih sredstava na Zemlji koja su s njima direktno povezana. (WRC-2000)
5.328A Stanice u radionavigacijskoj satelitskoj službi u opsegu 1164‒1215 MHz trebaju raditi u saglasnosti s odredbama Rezolucije 609 (Rev. WRC-07) i neće zahtijevati zaštitu od stanica u vazduhoplovnoj radionavigacijskoj službi u opsegu 960‒1215 MHz. Odredbe člana 5.43A ITU Radio pravilnika se ne primjenjuju. Primjenjuju se odredbe člana 21.18 ITU Radio pravilnika. (WRC-07)
5.328AA Opseg 1087.7‒1092.3 MHz također je namijenjen i vazduhoplovnoj mobilnoj satelitskoj (R) službi (Zemlja ‒ svemir) na primarnoj osnovi, s ograničenjem na prijem ADS-B (Automatic Dependent Surveillance ‒ Broadcast) emisija od predajnika na vazduhoplovima koji rade u skladu s međunarodno priznatim vazduhoplovnim standardima. Stanice u vazduhoplovnoj mobilnoj satelitskoj službi (R) neće zahtijevati zaštitu od stanica u vazduhoplovnoj radionavigacijskoj službi. Primjenjuje se Rezolucija 425 (Rev. WRC-19). (WRC-19)
5.328B U slučaju korištenja opsega 1164‒1300 MHz, 1559‒1610 MHz i 5010‒5030 MHz od strane sistema i mreža u radionavigacijskoj satelitskoj službi za koje je kompletna koordinacija ili informacija o notifikaciji primljena u Birou za radiokomunikacije poslije 1. januara 2005. godine, primjenjivat će se odredbe članova 9.12, 9.12A i 9.13 ITU Radio pravilnika. Također će se primjenjivati i Rezolucija 610 (WRC-03); međutim, u slučaju mreža i sistema službe satelitske radionavigacije (svemir ‒ svemir), Rezolucija 610 (WRC-03) će se primjenjivati samo na stanicama koje emitiraju iz svemira. U skladu s članom 5.329A, za sisteme i mreže u službi satelitske radionavigacije (svemir ‒ svemir) u opsezima 1215‒1300 MHz i 1559‒1610 MHz, odredbe članova 9.7, 9.12, 9.12A i 9.13 će se primjenjivati samo u vezi s drugim sistemima i mrežama u službi satelitske radionavigacije (svemir ‒ svemir). (WRC-07)
5.329 Korištenje opsega 1215‒1300 MHz od strane službe satelitske radionavigacije moguće je pod uslovom da ne stvara neželjene smetnje radionavigacijskoj službi, te da ne zahtijeva zaštitu u skladu s članom 5.331 ITU Radio pravilnika. Korištenje satelitske radionavigacije u opsegu 1215‒1300 MHz podliježe uslovu da ne prouzrokuje štetne smetnje radiolokacijskoj službi. Član 5.43 ITU Radio pravilnika neće se primjenjivati u odnosu na radiolokacijsku službu. Rezolucija 608 (Rev. WRC-19) će se primjenjivati. (WRC-19)
5.329A Korištenje sistema u radionavigacijskoj satelitskoj službi (svemir ‒ svemir), koji rade u opsezima 1215‒1300 MHz i 1559‒1610 MHz neće se primjenjivati u svrhe bezbjednosti i neće se zahtijevati nikakva dodatna ograničenja u odnosu na službu satelitske radionavigacije (svemir ‒ Zemlja) i druge sisteme i službe koje rade u skladu s Tabelom namjene frekvencija. (WRC-07)
5.331 Dodatna namjena: u Alžiru, Njemačkoj, Saudijskoj Arabiji, Australiji, Austriji, Bahrainu, Bjelorusiji, Belgiji, Beninu, Bosni i Hercegovini, Brazilu, Burundiju, Burkini Faso, Kamerunu, Kini, Republici Koreji, Hrvatskoj, Danskoj, Egiptu, Ujedinjenim Arapskim Emiratima, Estoniji, Ruskoj Federaciji, Finskoj, Francuskoj, Gani, Grčkoj, Gvineji, Ekvatorijalnoj Gvineji, Mađarskoj, Indiji, Indoneziji, Islamskoj Republici Iran, Iraku, Izraelu, Irskoj, Jordanu, Keniji, Kuvajtu, Lihtenštajnu, Lesotu, Latviji, Libanonu, Litvaniji, Luksemburgu, Sjevernoj Makedoniji, Madagaskaru, Maliju, Mauritaniji, Crnoj Gori, Nigeriji, Norveškoj, Omanu, Pakistanu, Palestini (u skladu s Rezolucijom 99 (Rev. Dubai, 2018) Plenipotentiary Conference), Nizozemskoj, Poljskoj, Portugalu, Kataru, Siriji, Demokratskoj Narodnoj Republici Koreji, Slovačkoj, Srbiji, Sloveniji, Ujedinjenom Kraljevstvu Velike Britanije i Sjeverne Irske, Somaliji, Sudanu, Južnom Sudanu, Šri Lanki, Južnoafričkoj Republici, Švedskoj, Švicarskoj, Tajlandu, Togou, Turskoj, Venecueli, Vijetnamu, frekvencijski opseg 1215‒1300 MHz također je namijenjen radionavigacijskoj službi na primarnoj osnovi. U Kanadi i Sjedinjenim Američkim Državama, opseg 1240‒1300 MHz također je namijenjen za radionavigacijsku službu i korištenje radionavigacijske službe bit će ograničeno na vazduhoplovnu radionavigaciju. (WRC-23)
5.332 U frekvencijskom opsegu 1215‒1260 MHz, aktivni senzori u svemiru u službi satelitskog istraživanja Zemlje i službi istraživanja svemira neće uzrokovati štetne smetnje niti zahtijevati zaštitu od njih, ili na neki drugi način uticati na rad ili razvoj radiolokacijske službe, radionavigacijske satelitske službe i drugih službi za koje je ovaj opseg namijenjen na primarnoj osnovi. (WRC-2000)
5.332A Administracije koje odobravaju rad amaterskih i amaterskih satelitskih službi u frekvencijskom opsegu 1240‒1300 MHz, ili njegovim dijelovima, obezbijedit će da amaterske i amaterske satelitske službe ne uzrokuju štetne smetnje prijemnicima radionavigacijske satelitske službe (svemir ‒ Zemlja), u skladu s članom 5.29 (vidjeti najnoviju verziju Preporuke ITU R M. 2164). Administracija koja to odobrava, po prijemu izvještaja o štetnoj smetnji koje uzrokuje stanica amaterskih ili amaterskih satelitskih službi, poduzet će sve potrebne korake za brzo uklanjanje takvih smetnji. (WRC-23)
5.335A U opsegu 1260‒1300 MHz aktivni senzori na svemirskim letjelicama u službi istraživanja Zemlje satelitom i službi istraživanja svemira neće prouzrokovati štetne smetnje niti tražiti zaštitu ili na drugi način ograničavati rad i razvoj radiolokacijske ili drugih službi kojima je ovaj opseg dodijeljen na primarnoj osnovi. (WRC-2000)
5.337 Korištenje frekvencijskih opsega 1300‒1350 MHz, 2700‒2900 MHz i 9000‒9200 MHz u vazduhoplovnoj radionavigacijskoj službi ograničeno je na radare na Zemlji i na pridružene vazduhoplovne transpondere koji emitiraju samo na frekvencijama iz ovog opsega i samo kada su pobuđeni radarima koji rade u istom frekvencijskom opsegu.
5.337A Korištenje opsega 1300‒1350 MHz za zemaljske stanice u radionavigacijskoj satelitskoj službi i stanice u radiolokacijskoj službi neće stvarati štetne smetnje niti ograničavati rad i razvoj vazduhoplovne radionavigacijske službe. (WRC-2000)
5.338A U opsezima 1350‒1400 MHz, 1427‒1452 MHz, 22.55‒23.55 GHz, 24.25‒27.5 MHz, 30‒31.3 GHz, 49.7‒50.2 GHz, 50.4‒50.9 GHz, 51.4‒52.6 GHz, 81‒86 GHz i 92‒94 GHz, primjenjuje se Rezolucija 750 (Rev. WRC-19). (WRC-19)
5.339 Frekvencijski opsezi 1370‒1400 MHz, 2640‒2655 MHz, 4950‒4990 MHz i 15.20‒15.35 GHz, također su namijenjeni službi istraživanja svemira (pasivno) i službi satelitskog istraživanja Zemlje (pasivno), na sekundarnoj osnovi.
5.340 U sljedećim frekvencijskim opsezima zabranjene su sve emisije:
1400‒1427 MHz,
|
2690‒2700 MHz,
|
osim onih navedenih u 5.422,
|
|
10.68‒10.7 GHz,
|
osim onih navedenih u 5.483,
|
|
15.35‒15.4 GHz,
|
osim onih navedenih u 5.511,
|
31.3‒31.5 GHz,
|
31.5‒31.8 GHz,
|
u Regionu 2,
|
|
48.94‒49.04 GHz,
|
od vazduhoplovnih stanica,
|
50.2‒50.4 GHz
3,
52.6‒54.25 GHz,
86‒92 GHz,
100‒102 GHz,
109.5‒111.8 GHz,
114.25‒116 GHz,
148.5‒151.5 GHz,
164‒167 GHz,
182‒185 GHz,
190‒191.8 GHz,
200‒209 GHz,
226‒231.5 GHz,
250‒252 GHz. (WRC-03)
5.341 U frekvencijskim opsezima 1400‒1727 MHz, 101‒120 GHz i 197‒220 GHz, pojedine države provode pasivna istraživanja putem programa potrage za namjerno izazvanim emisijama vanzemaljskog porijekla.
5.345 Korištenje frekvencijskog opsega 1452‒1492 MHz u satelitskoj službi radiodifuzije i u službi radiodifuzije, ograničeno je na digitalni radio i predmet je odredaba datih u Rezoluciji 528 (Rev. WRC-19). (WRC-19)
5.348 Korištenje opsega 1518‒1525 MHz za mobilnu satelitsku službu predmet je koordinacije prema članu 9.11A ITU Radio pravilnika. U opsegu 1518‒1525 MHz, stanice u mobilnoj satelitskoj službi neće tražiti zaštitu od stanica u fiksnoj službi. Odredbe člana 5.43A ITU Radio pravilnika se ne primjenjuju. (WRC-03)
5.348A U opsegu 1518‒1525 MHz, koordinacijski prag u smislu nivoa gustine fluksa snage na površini Zemlje u primjeni odredbe člana 9.11A za svemirske stanice u mobilnoj satelitskoj službi (svemir ‒ Zemlja), u odnosu na korištenje specijaliziranih mobilnih radija u zemaljskoj mobilnoj službi ili korištenje u saradnji s javnom komutiranom telekomunikacijskom mrežom (PSTN) koje rade na teritoriji Japana, će biti ‒ 150 dB (W/m²) u bilo koja 4 kHz opsega za sve uglove dolaska, umjesto onih datih u Tabeli 5 ‒ 2 Dodatka 5 ITU Radio pravilnika. U opsegu 1518‒1525 MHz, stanice u mobilnoj satelitskoj službi neće tražiti zaštitu od stanica u mobilnoj službi na teritoriji Japana. Odredbe člana 5.43A ITU Radio pravilnika se ne primjenjuju. (WRC-03)
5.351 Frekvencijski opsezi 1525‒1544 MHz, 1545‒1559 MHz, 1626.5‒1645.5 MHz i 1646.5‒1660.5 MHz neće se koristiti za linkove za napajanje bilo koje službe. Međutim, u izuzetnim okolnostima, administracija može ovlastiti zemaljsku stanicu na određenoj fiksnoj tački neke mobilne satelitske službe da komunicira putem svemirskih stanica koje rade u ovim opsezima.
5.351A Za korištenje opsega 1518‒1544 MHz, 1545‒1559 MHz, 1610‒1645.5 MHz, 1646.5‒1660.5 MHz, 1668‒1675 MHz, 1980‒2010 MHz, 2170‒2200 MHz, 2483.5‒2520 MHz i 2670‒2690 MHz za mobilnu satelitsku službu, pogledati Rezolucije 212 (Rev. WRC-23) i 225 (Rev. WRC-23). (WRC-23)
5.353A Prilikom primjene procedura iz odjeljka II člana 9. ITU Radio pravilnika u mobilnoj satelitskoj službi u frekvencijskim opsezima 1530‒1544 MHz i 1626.5‒1645.5 MHz, prioritet će se dati zahtjevima za spektar za komunikacije za slučajeve nesreća, hitnih i sigurnosnih slučajeva u okviru globalnog pomorskog sigurnosnog sistema (GMDSS). Kada se radi o pristupu i momentalnoj raspoloživosti, pomorske mobilne satelitske komunikacije za slučajeve nesreća, hitnih i sigurnosnih poziva, imat će prvenstvo nad drugim mobilnim satelitskim komunikacijama unutar mreže. Mobilni satelitski sistemi neće uzrokovati neprihvatljive smetnje, niti tražiti zaštitu od njih, komunikacijama za slučajeve opasnosti, hitnih i sigurnosnih komunikacija u okviru GMDSS-a. I u drugim mobilnim satelitskim službama vodit će se računa o prioritetnom statusu komunikacija vezanih za bezbjednost (Odredbe Rezolucije 222 (WRC-2000, Rev. WRC-23) će se primjenjivati). (WRC-23)
5.354 Korištenje frekvencijskih opsega 1525‒1559 MHz i 1626.5‒1660.5 MHz u mobilnim satelitskim službama predmet je koordinacije date u članu 9.11A ITU Radio pravilnika.
5.356 Korištenje frekvencijskog opsega 1544‒1545 MHz u mobilnoj satelitskoj službi (svemir ‒ Zemlja) ograničeno je na komunikacije za slučaj opasnosti i potrebe sigurnosti. (Vidjeti član 31. ITU Radio pravilnika.)
5.357 U frekvencijskom opsegu 1545‒1555 MHz, prijenosi od zemaljskih vazduhoplovnih stanica direktno do radiostanica u vazduhoplovima ili između stanica u vazduhoplovima u vazduhoplovnoj mobilnoj službi (R), također su dozvoljeni kada se takvi prijenosi koriste da se prošire ili dopune veze satelit – vazduhoplov.
5.357A U primjeni postupaka iz odjeljka II člana 9. ITU Radio pravilnika na mobilnu satelitsku službu u radiofrekvencijskim opsezima 1545‒1555 MHz i 1646.5‒1656.5 MHz, prioritet će se dati zahtjevima za spektar vazduhoplovne mobilne satelitske službe (R), radi obezbjeđivanja prijenosa poruka s prvenstvom od 1 do 6 prema članu 44. ITU Radio pravilnika. Komunikacije vazduhoplovne mobilne satelitske službe (R) s prioritetom od 1 do 6 prema članu 44. ITU Radio pravilnika imaju prvenstvo pristupa i neposrednu raspoloživost, ako je potrebno i prethodnim "oslobađanjem zauzete veze", nad svim drugim mobilnim satelitskim komunikacijama koje se obavljaju unutar određene mreže. Mobilni satelitski sistemi ne smiju stvarati neprihvatljive smetnje, niti zahtijevati zaštitu od vazduhoplovne mobilne satelitske (R) službe s prvenstvom komunikacije od 1 do 6 u članu 44. ITU Radio pravilnika. Prvenstvo komunikacija vezanih za bezbjednost u drugim mobilnim satelitskim službama mora se uzeti u obzir, primjenjuju se odredbe Rezolucije 222 (Rev. WRC-23). (WRC-23)
5.364 Korištenje frekvencijskog opsega 1610‒1626.5 MHz u mobilnoj satelitskoj službi (Zemlja ‒ svemir) i u radiolokacijskoj satelitskoj službi (Zemlja ‒ svemir), predmet su koordinacije date u članu 9.11A ITU Radio pravilnika. Mobilna zemaljska stanica u bilo kojoj od navedenih službi u ovom opsegu ne smije proizvoditi vršnu gustinu e. i. r. p.-a veću od ‒ 15 dB (W/4 kHz) u dijelu frekvencijskog opsega u kojem neki sistemi rade u skladu s odredbama člana 5.366 ITU Radio pravilnika, ako nije drugačije dogovoreno sa zainteresiranim administracijama. U dijelu frekvencijskog opsega u kojem takvi sistemi ne rade, srednja gustina e. i. r. p.-a mobilne zemaljske stanice neće prelaziti vrijednost ‒ 3 dB (W/4 kHz). Stanice mobilne satelitske službe neće tražiti zaštitu od stanica u vazduhoplovnoj radionavigacijskoj službi od stanica koje rade u skladu s odredbama datim članom 5.366 i stanica u fiksnoj službi koje rade u skladu s odredbama datim u članu 5.359. Administracije odgovorne za koordinaciju mobilnih satelitskih mreža poduzet će sve praktične mjere da obezbijede zaštitu stanicama koje rade u skladu s odredbama datim u članu 5.366 ITU Radio pravilnika.
3.365 Korištenje opsega 1613.8‒1626.5 MHz za mobilnu satelitsku službu (svemir ‒ Zemlja) predmet je koordinacije prema odredbama člana 9.11 ITU Radio pravilnika.
5.366 Frekvencijski opseg 1610 ‒ 1626.5 MHz rezerviran je na svjetskom nivou za upotrebu i razvoj vazduhoplovnih elektronskih pomagala za vazduhoplovnu navigaciju i svih pridruženih sredstava smještenih na Zemlji ili na satelitu. Ovakvo korištenje je predmet sporazuma postignutog prema članu 9.21 ITU Radio pravilnika.
5.367 Dodatna namjena: Frekvencijski opseg 1610‒1626.5 MHz također je namijenjen vazduhoplovnoj mobilnoj satelitskoj službi (R) na primarnoj osnovi i predmet je sporazuma dobijenog na osnovu odredaba iz člana 9.21 ITU Radio pravilnika. (WRC-12)
5.368 Kada se radi o radiodeterminacijskoj satelitskoj i mobilnoj satelitskoj službi, odredbe iz člana 4.10 ITU Radio pravilnika ne primjenjuju se u frekvencijskom opsegu 1610‒ 1626.5 MHz. Međutim, član 4.10 primjenjuje se u frekvencijskom opsegu 1610‒ 1626.5 MHz za vazduhoplovnu radionavigacijsku satelitsku službu kada radi u skladu s članom 5.366 ITU Radio pravilnika i za vazduhoplovnu mobilnu satelitsku službu (R) kada radi u skladu s članom 5.367 i za frekvencijske opsege 1614.4225–1618.725 MHz ili 1616.3–1620.38 MHz (Zemlja ‒ svemir) (vidjeti Rješenje 5 Rezolucije 365 (WRC-23)) i 1621.35–1626.5 MHz za pomorsku mobilnu satelitsku službu kada se koristi za GMDSS. Primjenjujući procedure odljeljka II člana 9, te odredbu člana 4. tačka 10. ne primjenjuju se za frekvencijske opsege 1614.4225–1618.725 MHz ili 1616.3–1620.38 MHz (Zemlja ‒ svemir) (vidjeti Rješenje 5 Rezolucije 365 (WRC-23)) i opseg 2483.59–2499.91 MHz (svemir ‒ Zemlja) za pomorsku mobilnu satelitsku službu kada je korištena za GMDSS sa satelitskim mrežama ili sistemima za koje je Radiokomunikacijski biro primio kompletne koordinacijske informacije prije 20. novembra 2023. godine, Rezolucija 365 (WRC-23) se primjenjuje. (WRC-23)
5.369 Različite kategorije službi: u Angoli, Australiji, Kini, Eritreji, Etiopiji, Indiji, Iranu, Izraelu, Libanonu, Liberiji, Madagaskaru, Maliju, Pakistanu, Papua Novoj Gvineji, Siriji, Kongu, Sudanu, Južnom Sudanu, Togou i Zambiji, namjena opsega 1610‒1626.5 MHz za radiodeterminacijsku satelitsku službu (Zemlja ‒ svemir) je na primarnoj osnovi (vidjeti član 5.33 ITU Radio pravilnika), u skladu sa saglasnošću dobijenoj od zemalja koje nisu nabrojane u ovoj napomeni, a prema članu 9.21 ITU Radio pravilnika. (WRC-12)
5.371 Dodatna namjena: u Regionu 1, frekvencijski opseg 1610‒1626.5 MHz (Zemlja ‒ svemir) također je namijenjen radiodeterminacijskoj satelitskoj službi na sekundarnoj osnovi i predmet je sporazuma postignutog prema članu 9.21 ITU Radio pravilnika. (WRC-12)
5.372 Stanice radiodeterminacijske satelitske i mobilne satelitske službe neće uzrokovati štetne smetnje stanicama radioastronomske službe koje koriste frekvencijski opseg 1610.6‒1613.8 MHz (primjenjuje se član 29.13 ITU Radio pravilnika). Ekvivalentna snaga gustine fluksa (epfd) dobijena u frekvencijskom opsegu 1610.6‒1613.8 MHz od strane svih svemirskih stanica u negeostacionarnom satelitskom sistemu u mobilnoj satelitskoj službi (svemir ‒ Zemlja) koje rade u frekvencijskom opsegu 1613.8‒1626.5 MHz će biti u skladu s kriterijima zaštite navedenim u preporukama ITUR RA. 7692 i ITUR RA. 15132, koristeći metodologiju datu u preporuci ITUR M. 15831, i dijagram antene za radioastronomiju opisan u preporuci ITUR RA. 16310. (WRC-19)
5.372A Pomorska mobilna satelitska služba u frekvencijskim opsezima 1614.4225‒1618.725 MHz ili 1616.3‒1620.38 MHz (Zemlja ‒ svemir) (vidi odjeljak 5 Rezolucije 365 (WRC-23)) i 2483.59‒2499.91 MHz (svemir ‒ Zemlja) kada se koriste za globalni pomorski sistem za pomoć i sigurnost (GMDSS) ograničen je na geostacionarne satelitske mreže identificirane u Rezoluciji 365 (WRC-23) i njima pridružene zemaljske stanice smještene unutar područja pokrivanja od 75°E do 135°E geografske dužine i od 10°N do 55°N geografske širine. Primjenjuje se Rezolucija 365 (WRC-23). (WRC-23)
5.373 Prijemne pomorske mobilne zemaljske stanice u frekvencijskom opsegu 1621.35‒1626.5 MHz neće nametati dodatna ograničenja zemaljskim stanicama koje rade u pomorskoj mobilnoj satelitskoj službi ili pomorskim zemaljskim stanicama radiodeterminacijske satelitske službe koje rade u skladu s ITU Radio pravilnikom u frekvencijskom opsegu 1610‒1621.35 MHz ili na zemaljskim stanicama koje rade u pomorskoj mobilnoj satelitskoj službi koje rade u skladu s ITU Radio pravilnikom u frekvencijskom opsegu 1626.5‒1660.5 MHz, osim ako nije drugačije dogovoreno između administracija koje prijavljuju notifikaciju. (WRC-19)
5.373A Prijemne pomorske mobilne zemaljske stanice u frekvencijskom opsegu 1621.35‒1626.5 MHz ne smiju nametati ograničenja na dodjele zemaljskih stanica mobilne satelitske službe (Zemlja ‒ svemir) i radiodeterminacijske satelitske službe (Zemlja ‒ svemir) u frekvencijskom opsegu 1621.35‒1626.5 MHz u mrežama za koje je Biro za radiokomunikacije primio potpune informacije o koordinaciji prije 28. oktobra 2019. godine. (WRC-19)
5.375 Korištenje frekvencijskog opsega 1645.5‒1646.5 MHz za mobilnu satelitsku uslugu (Zemlja ‒ svemir) i za međusatelitske veze ograničeno je na komunikacije u slučaju opasnosti, hitnosti i sigurnosti (vidi član 31). (WRC-23)
5.376A Mobilne zemaljske stanice koje rade u frekvencijskom opsegu 1660‒1660.5 MHz neće uzrokovati štetne smetnje stanicama koje rade u radioastronomskoj službi. (WRC-97)
5.379A Administracijama se nalaže da pruže svu praktičnu zaštitu u frekvencijskom opsegu 1660.5‒1668.4 MHz za buduće istraživanje u radioastronomiji, posebno eliminiranjem prijenosa vazduh ‒ Zemlja u službi meteorološke pomoći frekvencijskom opsegu 1664.4‒1668.4 MHz, što je prije praktično moguće.
5.379B Frekvencijski opseg 1668‒1675 MHz koji koristi mobilna satelitska služba predmet je koordinacije prema članu 9.11A ITU Radio pravilnika. (WRC-23)
5.379C Da bi se zaštitila radioastronomska služba u opsegu 1668‒1670 MHz, vrijednost ukupne gustine toka snage koju proizvode mobilne zemaljske stanice u mreži mobilnog satelitskog servisa koje rade u ovom opsegu neće prelaziti ‒ 181 dB (W/m²) u 10 MHz i ‒ 194 dB (W/m²) svakih 20 kHz na bilo kojoj radioastronomskoj stanici upisanoj u ITU međunarodni registar frekvencija za više od 2% perioda integracije od 2000 s. (WRC-03)
5.379D Za frekvencijski opseg 1668.4‒1675 MHz koji je izdijeljen između mobilne satelitske službe i fiksne i mobilne službe primjenjivat će se Rezolucija 744 (Rev. WRC-23). (WRC-23)
5.379E U opsegu 1668.4‒1675 MHz, stanice u mobilnoj satelitskoj službi neće uzrokovati štetne smetnje stanicama službe meteorološke pomoći u Kini, Iranu, Japanu i Uzbekistanu. U opsegu 1668.4‒1675 MHz, administracijama se nalaže da ne implementiraju nove sisteme službe meteorološke pomoći i pozivaju se da izvrše migraciju postojeće službe meteorološke pomoći u druge opsege što je prije moguće. (WRC-03)
5.380A U frekvencijskom opsegu 1670‒1675 MHz, stanice u mobilnoj satelitskoj službi neće uzrokovati štetnu smetnju niti će spriječiti razvoj postojećih zemaljskih stanica u meteorološkoj satelitskoj službi prijavljenih prije 1. januara 2004. godine. Sve nove dodjele za ove zemaljske stanice u ovom opsegu će također biti zaštićene od štetnih smetnji od stanica mobilne satelitske službe. (WRC-07)
5.384A Frekvencijski opsezi ili dijelovi opsega 1710‒1885 MHz, 2300‒2400 MHz i 2500‒2690 MHz određeni su za administracije koje žele implementirati međunarodne mobilne telekomunikacije (IMT) u skladu s Rezolucijom 223 (Rev. WRC-15). Ova identifikacija neće spriječiti korištenje ovih opsega za bilo koju primjenu servisa za koji su namijenjeni i neće dati prioritet u ITU Radio pravilniku. (WRC-15)
5.385 Dodatna namjena: Frekvencijski opseg 1718.8‒1722.2 MHz također je namijenjen radioastronomskoj službi na sekundarnoj osnovi za posmatranja spektralne linije. (WRC-2000)
5.388 Frekvencijski opsezi 1885‒2025 MHz i 2110‒2200 MHz namijenjeni su za korištenje na svjetskom nivou za administracije koje žele implementirati međunarodne mobilne telekomunikacije (IMT). Takva upotreba ne sprječava druge službe da koriste ove frekvencijske opsege koji su im i namijenjeni. Ovi frekvencijski opsezi trebaju biti na raspolaganju za IMT u skladu s Rezolucijom 212 (Rev. WRC-23). (Vidjeti također Rezoluciju 223 (Rev. WRC-23). (WRC-23)
5.388A U Regionima 1 i 3, opsezi 1710‒1980 MHz, 2010‒2025 MHz i 2110‒2170 MHz, a u Regionu 2 opsezi 1710‒1980 MHz i 2110‒2160 MHz mogu koristiti stanice s platformama na velikim visinama kao bazne stanice (HIBS) za pružanje Međunarodnih mobilnih komunikacija (IMT). Ova identifikacija ne isključuje korištenje ovih frekvencijskih opsega bilo kojom primjenom službi kojima su dodijeljeni i ne utvrđuje prioritet u Pravilniku o radijskom prometu. Primjenjivat će se Rezolucija 221 (Rev. WRC-23). HIBS ne zahtijeva zaštitu od postojećih primarnih usluga. Odredbe člana 5.43A se ne primjenjuju. Takva upotreba HIBS-a u frekvencijskim opsezima 1710‒1785 MHz u Regionima 1 i 2, i 1710‒1815 MHz u Regionu 3 ograničena je na prijem putem HIBS-a, a u frekvencijskom opsegu 2110‒2170 MHz ograničena je na prijenos s HIBS-a. (WRC-23)
5.389A Korištenje frekvencijskih opsega 1980‒2010 MHz i 2170‒2200 MHz u mobilnoj satelitskoj službi podliježe koordinaciji prema članu 9.11A i odredbama iz Rezolucije 716 ITU Radio pravilnika (Rev. WRC-23). (WRC-23)
5.391 Pri dodjeli frekvencija mobilnoj službi u frekvencijskim opsezima 2025‒2110 MHz i 2200‒2290 MHz, administracije neće uvesti mobilne sisteme visoke gustine, kao što je opisano u Preporuci ITU-R SA 1154-0 i uzet će u obzir tu Preporuku prilikom uvođenja bilo kojeg drugog tipa mobilnog sistema. (WRC-15)
5.392 Od administracija se zahtijeva da poduzmu sve praktične mjere kako bi obezbijedile da prijenosi svemir ‒ svemir između dva ili više negeostacionarnih satelita u službi istraživanja u svemiru, u službi svemirskih operacija i u službi satelitskog istraživanja Zemlje u frekvencijskim opsezima 2025‒2110 MHz i 2200‒2290 MHz neće ometati prijenose Zemlja ‒ svemir, svemir ‒ Zemlja i druge svemir ‒ svemir prijenose tih službi u tim opsezima između geostacionarnih i negeostacionarnih satelita.
5.402 Korištenje frekvencijskog opsega 2483.5‒2500 MHz od strane mobilne satelitske i radiodeterminacijske satelitske službe predmet je koordinacije prema članu 9.11A ITU Radio pravilnika. Od administracija se zahtijeva da poduzmu sve praktične korake da spriječe štetne smetnje u radioastronomskoj službi koje mogu izazvati emisije u frekvencijskom opsegu 2483.5‒2500 MHz, a naročito one izazvane zračenjem drugog harmonika koje mogu upadati u frekvencijski opseg 4990‒5000 MHz koji je u cijelom svijetu namijenjen radioastronomskoj službi.
5.409A Frekvencijski opseg 2500‒2690 MHz u Regionima 1 i 2, i frekvencijski opseg 2500‒2655 MHz u Regionu 3 identificirani su za korištenje od strane stanica na platformama na velikim nadmorskim visinama (HIBS), kao bazne stanice međunarodnih mobilnih telekomunikacija (IMT). Ova identifikacija ne isključuje korištenje ovih frekvencijskih opsega bilo kojom primjenom službi kojima su dodijeljeni i ne utvrđuje prioritet u ITU Radio pravilniku. Primjenjivat će se Rezolucija 218 (WRC-23). HIBS ne zahtijeva zaštitu od postojećih primarnih službi. Odredbe člana 5.43A se ne primjenjuju. Takva upotreba HIBS-a u frekvencijskim opsezima 2500‒2510 MHz u Regionima 1 i 2, i 2500‒2535 MHz u Regionu 3 ograničena je na prijem putem HIBS-a. (WRC-23)
5.413 Pri projektiranju sistema u radiodifuznoj satelitskoj službi u frekvencijskim opsezima između 2520 MHz i 2670 MHz, administracije se pozivaju da poduzmu sve potrebne korake za zaštitu radioastronomske službe u frekvencijskom opsegu 2690‒2700 MHz. (WRC-23)
5.418B Korištenje opsega 2630‒2655 MHz od strane negeostacionarnih satelitskih sistema u radiodifuznoj satelitskoj službi (zvuk), u skladu s odredbom člana 5.418 ITU Radio pravilnika, za koje je kompletna informacija o koordinaciji ili notifikaciji iz Dodatka 4 primljena poslije 2. juna 2000. godine, podliježe primjeni odredaba člana 9.12. ITU Radio pravilnika. (WRC-03)
5.418C Korištenje opsega 2630‒2655 MHz od strane geostacionarnih satelitskih mreža za koje je kompletna informacija o koordinaciji ili notifikaciji Dodatka 4 ITU Radio pravilnika primljena poslije 2. juna 2000. godine, podliježe primjeni odredaba člana 9.13 uzimajući u obzir negeostacionarne satelitske sisteme u radiodifuznoj satelitskoj službi (zvuk), u skladu s odredbama člana 5.418 ITU Radio pravilnika, dok se odredbe člana 22.2 ITU Radio pravilnika ne primjenjuju. (WRC-03)
5.419 Korištenje frekvencijskog opsega 2670‒2690 MHz od strane mobilne satelitske službe podliježe koordinaciji prema odredbama člana 9.11A. (WRC-23)
5.423 U frekvencijskom opsegu 2700‒2900 MHz, radarima smještenim na Zemlji koji se koriste za meteorološke svrhe, dozvoljava se da rade na jednakoj osnovi sa stanicama u vazduhoplovnoj radionavigacijskoj službi.
5.424A U frekvencijskom opsegu 2900‒3100 MHz, stanice u radiolokacijskoj službi neće prouzrokovati štetne smetnje ili zahtijevati zaštitu od radarskih sistema u radionavigacijskoj službi. (WRC-03)
5.425 Korištenje frekvencijskog opsega 2900‒3100 MHz u sistemu brodske radiodetekcije (interrogator-transponder, SIT) bit će ograničeno na podopseg 2930‒2950 MHz.
5.426 Korištenje frekvencijskog opsega 2900‒3100 MHz u vazduhoplovnoj radionavigacijskoj službi ograničeno je na radare smještene na Zemlji.
5.427 U frekvencijskim opsezima 2900‒3100 MHz i 9300‒9500 MHz odziv radara transpondera treba se razlikovati od radarskih radiofarova (racons) i neće izazivati smetnje brodskim i vazduhoplovnim radarima u radionavigacijskoj službi, imajući u vidu član 4.9 ITU Radio pravilnika.
5.430A Namjena frekvencijskog opsega 3400‒3600 MHz mobilnoj osim vazduhoplovne mobilne službe na primarnoj osnovi predmet je sporazuma prema članu 9.21 ITU Radio pravilnika. Ovaj frekvencijski opseg identificiran je za Međunarodne mobilne telekomunikacije (IMT). Ova identifikacija ne ograničava upotrebu ovog opsega za bilo koju primjenu službi kojima je namijenjen i ne uspostavlja prvenstvo u ITU Radio pravilniku. U procesu koordinacije, također vrijede odredbe članova 9.17 i 9.18 ITU Radio pravilnika. Prije nego što administracija počne upotrebljavati baznu ili mobilnu stanicu mobilne službe u ovom opsegu, mora obezbijediti da gustina toka snage (pfd) izračena 3 m iznad tla ne prelazi ‒ 154.5 dB (W/(m²( kHz)) za više od 20% vremena na granici teritorije bilo koje druge administracije. Ovo ograničenje može biti premašeno na teritoriji bilo koje države čija se administracija s time složila. Kako bi se obezbijedilo da je ispoštovano pfd ograničenje na granici teritorije bilo koje druge administracije, moraju se vršiti proračuni i potvrde, uzimajući u obzir sve bitne informacije, uz obostrani pristanak obje administracije (administracije odgovorne za terestrijalnu stanicu i administracije odgovorne za zemaljsku stanicu), i uz pomoć ITU Biroa za radiokomunikacije, ukoliko je zatražena. U slučaju neslaganja, proračune i potvrde pfd-a napravit će Biro, uzimajući u obzir gore spomenute informacije. Stanice u mobilnoj službi u opsegu 3400‒3600 MHz neće tražiti više zaštite od svemirskih stanica nego što je određeno Tabelom 21 ‒ 4 u ITU Radio pravilniku. (WRC-15)
5.434A Korištenje frekvencijskog opsega 3600‒3800 MHz od strane mobilne osim vazduhoplovne mobilne službe na primarnoj osnovi u Regionu 1 podložno je sporazumu dobijenom prema članu 9.21, ako je donja granica gustine toka snage (pfd) prekoračena. Odredbe članova 9.17 i 9.18 također se primjenjuju u fazi koordinacije. Prije nego što administracija u Regionu 1 stavi u upotrebu stanicu u mobilnoj službi u frekvencijskom opsegu 3600‒3800 MHz, za zaštitu stanica u fiksnoj i fiksnoj satelitskoj službi, mora obezbijediti da pfd proizveden na 3 m iznad zemlje ne prelazi ‒ 154,5 dB (W/(m²( kHz)) više od 20% vremena na granici teritorija bilo koje druge administracije. Stanice u mobilnoj službi koje rade u frekvencijskom opsegu 3600‒3800 MHz ne smiju zahtijevati veću zaštitu od svemirskih stanica od one predviđene u Tabeli 21 ‒ 4 ITU Radio pravilnika. (WRC-23)
5.436 Korištenje opsega 4200‒4400 MHz od strane stanica u vazduhoplovnoj mobilnoj službi (R) rezervirano je ekskluzivno za bežične avionske intrakomunikacijske sisteme koji rade u skladu s međunarodno priznatim vazduhoplovnim standardima. Takvo korištenje bit će u skladu s Rezolucijom 424 (Rev. WRC-23). (WRC-23)
5.437 Upotreba pasivnih senzora u satelitskoj službi istraživanja Zemlje i službi istraživanja svemira može se odobriti u frekvencijskom opsegu 4200‒4400 MHz na sekundarnoj osnovi. (WRC15)
5.438 Korištenje frekvencijskog opsega 4200‒4400 MHz u vazduhoplovnoj radionavigacijskoj službi rezervirano je isključivo za radiovisinomjere postavljene na vazduhoplovu i za pripadajuće transpondere na tlu. (WRC-15)
5.440 Satelitskoj službi etalona frekvencije i signala tačnog vremena može biti odobreno korištenje frekvencije 4202 MHz za prijenose svemir ‒ Zemlja, a korištenje frekvencije 6427 MHz za prijenose Zemlja ‒ svemir. Takvi prijenosi ograničit će se unutar ± 2 MHz od ovih frekvencija i predmet su sporazuma postignutog prema članu 9.21. ITU Radio pravilnika.
5.441 Korištenje frekvencijskih opsega 4500‒4800 MHz (svemir ‒ Zemlja), 6725‒7025 MHz (Zemlja ‒ svemir) u fiksnoj satelitskoj službi bit će u skladu s odredbama Dodatka 30B ITU Radio pravilnika. Korištenje frekvencijskih opsega 10.7‒10.95 GHz (svemir ‒ Zemlja), 11.2‒11.45 GHz (svemir ‒ Zemlja) i 12.75‒13.25 GHz (Zemlja ‒ svemir) od strane GSO satelitskih sistema u fiksnoj satelitskoj službi bit će u skladu s odredbama Dodatka 30B. Korištenje frekvencijskih opsega 10.7‒10.95 GHz (svemir ‒ Zemlja), 11.2‒11.45 GHz (svemir ‒ Zemlja) i 12.75‒13.25 GHz (Zemlja ‒ svemir) od strane NGSO satelitskih sistema u fiksnoj satelitskoj službi bit će u skladu s odredbama člana 9.12 ITU Radio pravilnika o koordinaciji s drugim negeostacionarnim satelitskim sistemima u fiksnoj satelitskoj službi. Negeostacionarni satelitski sistem u fiksnoj satelitskoj službi neće tražiti zaštitu od geostacionarnih satelitskih mreža u fiksnoj satelitskoj službi koje rade u skladu s ITU Radio pravilnikom, bez obzira na datum prijema potvrde od strane Biroa za radiokomunikacije ITU-a ukupnih podataka o koordinaciji ili notifikaciji za negeostacionarne satelitske sisteme u fiksnoj satelitskoj službi i ukupnih podataka o koordinaciji i notifikaciji za geostacionarne satelitske mreže, a odredbe člana 5.43A ITU Radio pravilnika se ne primjenjuju. Negeostacionarni satelitski sistemi u fiksnoj satelitskoj službi u navedenim opsezima će raditi na takav način da će svaka neprihvatljiva smetnja koja se pojavi u toku rada biti odmah eliminirana. (WRC-2000)
5.442 U opsezima 4825‒4835 MHz i 4950‒4990 MHz namjena za mobilnu službu ograničena je na mobilnu, osim vazduhoplovne mobilne službe. U Regionu 2 (osim Brazila, Kube, Gvatemale, Meksika, Paragvaja, Urugvaja i Venecuele), i u Australiji, opseg 4825‒4835MHz također je namijenjen vazduhoplovnoj mobilnoj službi, ograničeno na vazduhoplovnu mobilnu telemetriju za testiranje stanica na letjelicama. Takvo korištenje bit će u skladu s Rezolucijom 416 (WRC07) i neće uzrokovati štetnu smetnju fiksnoj službi. (WRC-15)
5.443AA U opsezima 5000‒5030 MHz i 5091‒5150 MHz, vazduhoplovna mobilna satelitska služba (R) predmet je sporazuma koji se zaključuje u skladu s odredbom člana 9.21 ITU Radio pravilnika. Upotreba ovih opsega od strane vazduhoplovne mobilne satelitske službe (R) ograničena je na međunarodno standardizirane vazduhoplovne sisteme. (WRC-15)
5.443B Ukupna gustina toka snage gustine proizvedena na površini Zemlje u opsegu 5030‒5150 MHz od svih svemirskih stanica između bilo kojeg radionavigacijskog satelitskog sistema (svemir ‒ Zemlja) koji rade u opsegu 5010‒5030 MHz neće prelaziti ‒ 124.5 dB (W/m²) u opsegu širine 150 kHz, kako ne bi prouzrokovali štetne smetnje mikrotalasnim sistemima za slijetanje koji rade iznad 5030 MHz. Da ne bi prouzrokovali štetne smetnje radioastronomskoj službi u opsegu 4990‒5000 MHz, sistemi radionavigacijske satelitske službe koji rade u opsegu 5010‒5030 MHz pridržavat će se ograničenja u opsegu 4990‒5000 MHz, kako je definirano u Rezoluciji 741 (Rev. WRC-15). (WRC-15)
5.443C Korištenje opsega 5030‒5091 MHz od strane vazduhoplovne mobilne službe (R) ograničeno je na međunarodno standardizirane vazduhoplovne sisteme. Neželjene emisije od strane vazduhoplovne mobilne službe (R) u opsegu 5030‒5091 MHz bit će ograničene kako bi se zaštitile RNSS prijemne veze u susjednom opsegu 5010‒5030 MHz. U međuvremenu, dok se relevantnom ITU Preporukom ne utvrdi odgovarajuća vrijednost, koristit će se ograničenje gustine e. i. r. p. od ‒ 75 dBW/MHz u opsegu 5010‒5030 MHz za neželjene emisije AM(R)S stanica. (WRC-12)
5.443D U opsegu 5030‒5091 MHz, vazduhoplovna mobilna satelitska služba (R) podliježe postupku koordinacije prema odredbama člana 9.11A ITU Radio pravilnika. Upotreba ovog opsega od strane vazduhoplovne mobilne satelitske (R) službe ograničena je na međunarodno standardizirane vazduhoplovne sisteme. (WRC-12)
5.444 Frekvencijski opseg 5030‒5150 MHz trebao bi se koristiti za međunarodni standardni sistem preciznog prilaza i slijetanja (mikrotalasni sistem slijetanja). U opsegu 5030‒5091 MHz, zahtjevi ovog sistema trebaju imati prednost nad drugim upotrebama ovog opsega. Za korištenje opsega 5091‒5150 MHz primjenjuje se član 5.444A i Rezolucija 114 (Rev. WRC-15). (WRC-15)
5.444A Korištenje frekvencijskog opsega 5091‒5150 MHz namijenjenog za fiksnu satelitsku službu (Zemlja ‒ svemir) ograničeno je na linkove za napajanje negeostacionarnih satelitskih sistema u mobilnoj satelitskoj službi i predmet je koordinacije prema članu 9.11A ITU Radio pravilnika. Za korištenje opsega 5091‒5150 MHz za linkove za napajanje negeostacionarnih satelitskih sistema mobilne satelitske službe, primjenjuje se Rezolucija 114 (Rev. WRC-15). Međutim, kako bi se obezbijedila zaštita od štetnih smetnji vazduhoplovnoj radionavigacijskog službi, zahtijeva se koordinacija linkova za napajanje zemaljskih stanica negeostacionarnih satelitskih sistema u mobilnoj satelitskoj službi koji su odvojeni za manje od 450 km od teritorije administracije na čijoj teritoriji rade zemaljske stanice vazduhoplovne radionavigacijske službe. (WRC-15)
5.444B Korištenje frekvencijskog opsega 5091‒5150 MHz za vazduhoplovnu mobilnu službu ograničeno je na:
- sisteme koji rade u vazduhoplovnoj mobilnoj (R) službi i u skladu s međunarodnim vazduhoplovnim standardima, ograničeno na površinske primjene na aerodromima. Takvo korštenje bit će u skladu s Rezolucijom 748 (Rev. WRC19);
- prijenose vazduhoplovne telemetrije iz stanica u vazduhoplovima (vidjeti br. 1.83) u skladu s Rezolucijom 418 (Rev. WRC19).(WRC19)
5.446 Dodatna namjena: U zemljama nabrojanim u članu 5.369 ITU Radio pravilnika, frekvencijski opseg 5150‒5216 MHz također je namijenjen i radiodeterminacijskoj satelitskoj službi (svemir ‒ Zemlja) na primarnoj osnovi i predmet je sporazuma postignutog prema članu 9.21. U Regionu 2 (osim u Meksika). Ovaj frekvencijski opseg također je namijenjen radiodeterminacijskoj satelitskoj službi (svemir ‒ Zemlja) na primarnoj osnovi. U Regionima 1 i 3, osim onih zemalja nabrojanih u članu 5.369 i u Bangladešu, frekvencijski opseg namijenjen je radiodeterminacijskoj satelitskoj službi (svemir ‒ Zemlja), ali na sekundarnoj osnovi. Korištenje od strane radiodeterminacijske satelitske službe ograničeno je na linkove za napajanje u vezi s radiodeterminacijskom satelitskom službom koja radi u opsezima 1610‒1626.5 MHz i/ili 2483.5‒2500 MHz. Ukupna gustina toka snage na površini Zemlje ne smije da prelazi vrijednost ‒ 159 dB (W/m²) u bilo kojem opsegu od 4 kHz za sve upadne uglove. (WRC-15)
5.446A Korištenje opsega 5150‒5350 MHz i 5470‒5725 MHz od strane stanica u mobilnoj osim vazduhoplovne mobilne službe treba biti u skladu s Rezolucijom 229 (Rev. WRC-23). (WRC-23)
5.446B U opsegu 5150‒5250 MHz stanice u mobilnoj službi neće zahtijevati zaštitu od zemaljskih stanica u fiksnoj satelitskoj službi. Odredbe člana 5.43A ITU Radio pravilnika ne primjenjuju se za mobilne službe, uzimajući u obzir FSS zemaljske stanice. (WRC-03)
5.446C Dodatna namjena: U Regionu 1 (osim u državama: Alžiru, Saudijskoj Arabiji, Bahreinu, Egiptu, Ujedinjenim Arapskim Emiratima, Iraku, Jordanu, Kuvajtu, Libanonu, Maroku, Omanu, Kataru, Siriji, Sudanu, Južnom Sudanu i Tunisu), radiofrekvencijski opseg 5150‒5250 MHz također je namijenjen vazduhoplovnoj mobilnoj službi na primarnoj osnovi, uz ograničenje na prijenos signala vazduhoplovne telemetrije sa stanica na vazduhoplovu (vidjeti tačku 1.83 RR-a), u skladu s Rezolucijom 418 (Rev. WRC-19). Ove stanice ne mogu zahtijevati zaštitu od drugih stanica koje rade u skladu s članom 5. ITU Radio pravilnika, pri čemu se odredbe člana 5.43A ITU Radio pravilnika ne primjenjuju. (WRC-19)
5.447A Namjena za fiksnu satelitsku službu (Zemlja ‒ svemir) ograničena je na linkove za napajanje u negeostacionarnim satelitskim sistemima u mobilnoj satelitskoj službi i predmet je koordinacije prema članu 9.11A ITU Radio pravilnika.
5.447B Dodatna namjena: Frekvencijski opseg 5150‒5216 MHz također je namijenjen fiksnoj satelitskoj službi (svemir ‒ Zemlja) na primarnoj osnovi. Namjena je ograničena na linkove za napajanje negeostacionarnih mobilnih satelitskih sistema u mobilnoj satelitskoj službi i predmet je odredaba člana 9.11A ITU Radio pravilnika. Gustina toka snage na Zemljinoj površini koju proizvode svemirske stanice fiksne satelitske službe koje rade u smjeru svemir ‒ Zemlja u frekvencijskom opsegu 5150‒5216 MHz ni u kojem slučaju neće prelaziti ‒ 164 dB (W/m²) u bilo kojem opsegu 4 kHz za sve upadne uglove.
5.447C Administracije nadležne za mreže u fiksnoj satelitskoj službi u radiofrekvencijskom opsegu 5150‒5250 MHz, koje rade u skladu s članom 5.447A i članom 5.447B ITU Radio pravilnika, provode usklađivanje na ravnopravnoj osnovi u skladu s članom 9.11 ITU Radio pravilnika s administracijama nadležnim za negeostacionarne satelitske mreže, koje rade u skladu s članom 5.446 ITU Radio pravilnika i bile su u upotrebi do 17. novembra 1995. godine. Satelitske mreže, koje rade u skladu s članom 5.446 ITU Radio pravilnika, a u upotrebi su nakon 17. novembra 1995. godine, ne mogu zahtijevati zaštitu, niti smiju stvarati štetne smetnje stanicama u fiksnoj satelitskoj službi koje rade u skladu s članovima 5.447A i 5.447B ITU Radio pravilnika.
5.447D Namjena frekvencijskog opsega 5250‒5255 MHz za službu istraživanja svemira na primarnoj osnovi ograničena je na aktivne senzore u svemiru. Druga korištenja ovog opsega od strane službe istraživanja svemira su na sekundarnoj osnovi. (WRC-97)
5.447F U opsegu 5250‒5350 MHz stanice u mobilnoj službi neće zahtijevati zaštitu od radiolokacijske službe, službe satelitskog istraživanja Zemlje (aktivno) i službe istraživanja svemira (aktivno). Ove službe neće nametati mobilnoj službi strožije kriterije zaštite, zasnovane na karakteristikama mobilne službe nego što su one propisane u Rezoluciji 229 (Rev. WRC-23). (WRC-23)
5.448A Korištenje frekvencijskog opsega 5250‒5350 MHz u službama satelitskog istraživanja Zemlje (aktivno) i istraživanja svemira (aktivno) neće zahtijevati zaštitu od radiolokacijske službe, odredbe člana 5.43A se ne primjenjuju. (WRC-03)
5.448B Služba satelitskog istraživanja Zemlje (aktivno) koja radi u frekvencijskom opsegu 5350‒5570 MHz i služba istraživanja svemira (aktivno) koja radi u opsegu 5460‒5570 MHz neće izazivati štetne smetnje vazduhoplovnoj radionavigacijskoj službi u opsegu 5350‒5460 MHz, službi radionavigacije u opsegu 5460‒5470 MHz i službi pomorske radionavigacije u opsegu 5470‒5570 MHz. (WRC-03)
5.448C Služba istraživanja svemira (aktivno) koja radi u opsegu 5350‒5460 MHz neće uzrokovati štetne smetnje niti zahtijevati zaštitu od rada drugih službi kojima je ovaj opseg namijenjen. (WRC-03)
5.448D U frekvencijskom opsegu 5350‒5470 MHz stanice u radiolokacijskoj službi neće uzrokovati štetne smetnje niti tražiti zaštitu od radarskih sistema u vazduhoplovnoj radionavigacijskoj službi koja radi u saglasnosti s članom 5.449 ITU Radio pravilnika. (WRC-03)
5.449 Korištenje frekvencijskog opsega 5350‒5470 MHz u vazduhoplovnoj radionavigacijskoj službi ograničena je na radare i pridružene radiofarove.
5.450A U opsegu 5470‒5725 MHz, stanice u mobilnoj službi neće zahtijevati zaštitu od radiodeterminacijskih službi. Radiodeterminacijske službe ne smiju nametati strožije uslove mobilnoj službi od onih navedenih u Rezoluciji 229 (Rev. WRC-23). (WRC-23)
5.450B U frekvencijskom opsegu 5470‒5650 MHz, stanice u radiolokacijskoj službi, osim radara na Zemlji koji se koriste u meteorološke svrhe u opsegu 5600‒5650 MHz, neće prouzrokovati štetne smetnje niti zahtijevati zaštitu od radarskih sistema u pomorskoj radionavigacijskoj službi. (WRC-03)
5.452 Između 5600 MHz i 5650 MHz, radarima koji su smješteni na tlu, a koriste se za meteorološke svrhe, dozvoljava se da rade na jednakoj osnovi sa stanicama pomorske radionavigacijske službe.
5.457A U frekvencijskim opsezima 5925‒6425 MHz i 14‒14.5 GHz, zemaljske stanice locirane na plovilima mogu komunicirati sa svemirskim stanicama u fiksnoj satelitskoj službi. Takva upotreba mora biti u skladu s Rezolucijom 902 (Rev. WRC-23). U frekvencijskom opsegu 5925‒6425 MHz, zemaljske stanice locirane na plovilima koje komuniciraju sa svemirskim stanicama fiksne satelitske službe mogu koristiti predajnu antenu čiji je minimalni prečnik 1,2 m i raditi bez prethodne saglasnosti bilo koje administracije ukoliko se nalaze na rastojanju od najmanje 330 km od granice pri niskom vodostaju koja je zvanično priznata od priobalne države. Primjenjivat će se sve ostale odredbe Rezolucije 902 (Rev. WRC-23). (WRC-23)
5.457E Frekvencijski opsezi 6425‒7125 MHz u Regionu 1 i 7025‒7125 MHz u Regionu 3 identificirani su za korištenje od strane administracija koje žele implementirati zemaljsku komponentu Međunarodnih mobilnih telekomunikacija (IMT). Ova identifikacija ne isključuje korištenje ovih frekvencijskih opsega za bilo koju primjenu službi kojima su namijenjeni i ne utvrđuje prioritet u ITU Radio pravilniku. Primjenjuje se Rezolucija 220 (WRC-23). Frekvencijski opsezi se također koriste za implementaciju bežičnih pristupnih sistema (WAS), uključujući lokalne radiomreže (RLAN). (WRC-23)
5.458 U opsegu 6425‒7075 MHz, mjerenja pasivnim mikrotalasnim senzorom vrše se na okeanima. U opsegu 7075‒7250 MHz vrše se mjerenja pasivnim mikrotalasnim senzorom. U budućem planiranju opsega 6425‒7025 MHz i 7075‒7250 MHz, administracije moraju voditi računa o službama satelitskog istraživanja Zemlje (pasivno) i istraživanja svemira (pasivno).
5.458A Prilikom dodjeljivanja frekvencija u frekvencijskom opsegu 6700‒7075 MHz svemirskim stanicama u fiksnoj satelitskoj službi, od administracija se zahtijeva da poduzmu sve praktične korake kako bi zaštitili posmatranja spektralne linije u službi radioastronomije u frekvencijskom opsegu 6650‒6675.2 MHz od štetnih smetnji koje im stvaraju neželjene emisije.
5.458B Namjena frekvencija za pravac svemir ‒ Zemlja u fiksnoj satelitskoj službi, u frekvencijskom opsegu 6700‒7075 MHz, ograničena je na linkove za napajanje za negeostacionarne satelitske sisteme mobilne satelitske službe i predmet je koordinacije prema članu 9.11A ITU Radio pravilnika. Linkovi za napajanje za negeostacionarne satelitske sisteme mobilne satelitske službe koji koriste frekvencijski opseg 6700‒7075 MHz (svemir ‒ Zemlja) nisu predmet člana 22.2 ITU Radio pravilnika.
5.460 Emisije u daleki svemir od sistema službe istraživanja svemira (Zemlja ‒ svemir) nisu dozvoljene u opsegu 7190‒7235 MHz. Geostacionarni sateliti u službi istraživanja svemira koji rade u opsegu 7190‒7235 MHz neće zahtijevati zaštitu od postojećih ili budućih stanica fiksnih ili mobilnih službi i neće se primjenjivati odredba člana 5.43A ITU Radio pravilnika. (WRC-15)
5.460A Korištenje opsega 7190‒7250 MHz (Zemlja ‒ svemir) od strane službe za satelitsko istraživanje Zemlje ograničeno je na praćenje, telemetriju i upravljanje pri operacijama svemirskih letjelica. Svemirske stanice u službi istraživanja Zemlje satelitom (Zemlja ‒ svemir) u opsegu 7190‒7250 MHz neće zahtijevati zaštitu od postojećih i budućih stanica u fiksnoj i mobilnoj službi i pri tome se odredba člana 5.43A ITU Radio pravilnika neće primjenjivati. Primjenjivat će se odredba člana 9.17 ITU Radio pravilnika. Dodatno, da bi se obezbijedila zaštita postojećim sistemima i daljnjem razvoju fiksne i mobilne službe, lokacija zemaljskih stanica koje pružaju podršku svemirskim letjelicama u službi istraživanja Zemlje satelitom u negeostacionarnim ili geostacionarnim orbitama treba držati rastojanje od najmanje 10 km i 50 km, respektivno, u odnosu na granicu susjednih država, ukoliko nije dogovoreno manje rastojanje između odgovarajućih administracija. (WRC-15)
5.460B Svemirske stanice u geostacionarnim orbitama koje rade u službi satelitskog istraživanja Zemlje (Zemlja ‒ svemir) u opsegu 7190‒7235 MHz neće zahtijevati zaštitu od postojećih i budućih stanica u službi istraživanja svemira i pri tome se odredba člana 5.43A ITU Radio pravilnika neće primjenjivati. (WRC-15)
5.461 Dodatna namjena: Frekvencijski opsezi 7250‒7375 MHz (svemir ‒ Zemlja) i 7900‒8025 MHz (Zemlja ‒ svemir) također su namijenjeni za mobilnu satelitsku službu na primarnoj osnovi i predmet su sporazuma postignutog prema članu 9.21 ITU Radio pravilnika, s izuzetkom da se odredba člana 9.21 neće primjenjivati na geostacionarne satelitske mreže u mobilnoj satelitskoj službi za koju je Biro primio kompletnu koordinacijsku informaciju do 01. januara 2025. godine, imajući u vidu negeostacionarne satelitske sisteme za koje je Biro primio kompletne koordinacijske ili notifikacijske informacije do 01. januara 2025. godine. Negeostacionarni sateltski sistemi za koje je Biro primio kompletne koordinacijske ili notifikacijske informacije do 01. januara 2025. godine, neće uzrokovati neprihvatljivu smetnju i neće tražiti zaštitu od geostacionarnih satelitskih mreža u mobilnoj satelitskoj službi koja radi u skladu s odredbama ITU Radio pravilnika. Odredbe člana 5.43A se ne primjenjuju. (WRC-23)
5.461A Korištenje frekvencijskog opsega 7450‒7550 MHz od strane meteorološke satelitske službe (svemir ‒ Zemlja), ograničeno je na geostacionarne satelitske sisteme. (WRC-23)
5.461AA Korištenje frekvencijskog opsega 7375‒7750 MHz od strane pomorske mobilne satelitske službe ograničeno je na geostacionarne satelitske mreže. (WRC15)
5.461AB U opsegu 7375‒7750 MHz, zemaljske stanice pomorske mobilne satelitske službe neće zahtijevati zaštitu od stanica u fiksnoj i mobilnoj, osim vazduhoplovne mobilne, niti ograničavati njihovo korištenje i razvoj. Odredba člana 5.43A ITU Radio pravilnika se neće primjenjivati. (WRC-15).
5.461AC U frekvencijskom opsegu 7375‒7750 MHz, negeostacionarni satelitski sistemi koji rade u fiksnoj satelitskoj službi za koje Biro primi potpunu informaciju o koordinaciji ili obavijesti od 1. januara 2025. godine neće uzrokovati neprihvatljive smetnje i neće zahtijevati zaštitu od geostacionarnih satelitskih mreža u pomorskoj mobilnoj satelitskoj službi koja radi u skladu s ovim Pravilnikom. Odredbe člana 5.43A se ne primjenjuju. (WRC-23)
5.461B Korištenje opsega 7750‒7900 MHz od strane meteorološke satelitske službe (svemir ‒ Zemlja) ograničeno je na negeostacionarne satelitske sisteme. (WRC-12)
5.462A U Regionima 1 i 3 (osim Japana), u frekvencijskom opsegu 8025‒8400 MHz, služba satelitskog istraživanja Zemlje koja koristi geostacionarne satelite, bez pristanka zainteresiranih administracija, neće prelaziti sljedeće vrijednosti gustine protoka snage za upadne uglove (θ):
- 135 dB (W/m²) u 1 MHz opsega za 0° ≤ θ < 5°
- 135 + 0.5 (θ – 5) dB (W/m²) u 1 MHz opsega za 5° ≤ θ < 25°
- 125 dB (W/m²) u 1 MHz opseg za 25° ≤ θ ≤ 90° (WRC-12)
5.463 Stanicama u vazduhoplovu ne dozvoljava se da emitiraju u frekvencijskom opsegu 8025‒8400 MHz. (WRC-97)
5.465 U službi istraživanja svemira, korištenje frekvencijskog opsega 8400‒8450 MHz ograničeno je na daleki svemir.
5.469A U opsegu 8550‒8650 MHz, stanice u satelitskoj službi istraživanja Zemlje (aktivno) i službi istraživanja svemira (aktivno) neće prouzrokovati štetne smetnje ili ograničiti korištenje i razvoj stanica radiolokacijske službe. (WRC-97)
5.470 Korištenje frekvencijskog opsega 8750‒8850 MHz od strane vazduhoplovne radionavigacijske službe ograničeno je na vazduhoplovnu navigacijsku pomoć u smislu Doplerovog efekta na centralnoj frekvenciji 8800 MHz.
5.472 U frekvencijskim opsezima 8850‒9000 MHz i 9200‒9225 MHz, pomorska radionavigacijska služba ograničena je na obalne radare.
5.473A U opsegu 9000‒9200 MHz, stanice koje rade u radiolokacijskoj službi ne smiju izazivati štetnu smetnju sistemima identificiranim u odredbi člana 5.337 ITU Radio pravilnika koji rade u vazduhoplovnoj radionavigacijskoj službi ili radarskim sistemima u pomorskoj radionavigacijskoj službi koji rade u ovom opsegu na primarnoj osnovi u zemljama navedenim u odredbi člana 5.471 ITU Radio pravilnika, niti će zahtijevati zaštitu od njih. (WRC-07)
5.474 U frekvencijskom opsegu 9200‒9500 MHz, transponderi za potragu i spašavanje (SART) mogu biti korišteni u skladu sa odgovarajućom ITU-R preporukom (vidjeti također i član 31. ITU Radio pravilnika).
5.474A Korištenje opsega 9200‒9300 MHz i 9900‒10400 MHz za službu za satelitsko istraživanje Zemlje (aktivno) i službu za istraživanja svemira (aktivno) ograničeno je na sisteme koji zahtijevaju neophodnu širinu opsega veću od 600 MHz, koji se ne mogu u potpunosti smjestiti u okviru opsega 9300‒9900 MHz. Takvo korištenje podliježe sporazumu s Alžirom, Saudijskom Arabijom, Bahreinom, Egiptom, Indonezijom, Iranom, Libanonom i Tunisom zaključenim u skladu s odredbom člana 9.21 ITU Radio pravilnika. Smatra se da administracija koja ne odgovori u skladu s odredbom člana 9.52 ITU Radio pravilnika nije dala saglasnost na koordinacioni zahtjev. U tom slučaju, u svrhu koordinacije satelitskih sistema u službi za satelitsko istraživanje Zemlje može se tražiti asistencija ITU Biroa, u skladu s pododjeljkom IID člana 9. ITU Radio pravilnika. (WRC- 15)
5.474B Stanice u službi satelitskog istraživanja Zemlje (aktivno) uskladit će se s Preporukom ITU-R RS. 2066-0. (WRC-15)
5.474C Stanice u službi satelitskog istraživanja Zemlje (aktivno) uskladit će se s Preporukom ITU-R RS. 2065-0. (WRC-15)
5.474D Stanice u službi satelitskog istraživanja Zemlje (aktivno) ne smiju prouzrokovati štetnu smetnju stanicama u pomorskoj radionavigacijskoj i radiolokacijskoj službi u opsegu 9200‒9300 MHz, radionavigacijskoj i radiolokacijskoj službi u opsegu 9900‒10000 MHz i radiolokacijskoj službi u opsegu 10‒10.4 GHz, niti zahtijevati zaštitu od njih. (WRC-15)
5.475 Korištenje frekvencijskog opsega 9300‒9500 MHz u vazduhoplovnoj radionavigacijskoj službi, ograničeno je na vazduhoplovne meteorološke radare i radare smještene na zemlji. Uz to, dozvoljen je rad radarskih farova smještenih na zemlji u vazduhoplovnoj radionavigacijskoj službi u frekvencijskom opsegu 9300‒9320 MHz, pod uslovom da ne uzrokuje štetne smetnje pomorskoj radionavigacijskoj službi. (WRC-07)
5.475A Korištenje opsega 9300‒9500 MHz od strane službe satelitskog istraživanja Zemlje (aktivno) i službe istraživanja svemira (aktivno) ograničeno je na sisteme koji zahtijevaju širinu kanala veću od 300 MHz, koji ne mogu biti u potpunosti smješteni unutar opsega 9500‒9800 MHz. (WRC-07)
5.475B U frekvencijskom opsegu 9300‒9500 MHz, stanice u radiolokacijskoj službi neće uzrokovati štetne smetnje, niti zahtijevati zaštitu od radara u radionavigacijskoj službi koji rade u skladu s ITU Radio pravilnikom. Zemaljski radari za meteorološke svrhe imaju prioritet nad ostalim radiolokacijskim korištenjima. (WRC-07)
5.476A U frekvencijskom opsegu 9300‒9800 MHz, stanice u službi satelitskog istraživanja Zemlje (aktivno) i službi istraživanja svemira (aktivno) neće uzrokovati štetne smetnje stanicama radionavigacijske i radiolokacijske službe, niti će sprječavati njihovo korištenje i razvoj. (WRC-07)
5.478A Korištenje opsega 9800‒9900 MHz od strane službe satelitskog istraživanja Zemlje (aktivno) i službe istraživanja svemira (aktivno) ograničeno je na sisteme koji zahtijevaju širinu kanala veću od 500 MHz, koji ne mogu biti u potpunosti smješteni unutar opsega 9300‒9800 MHz.
5.478B U opsegu 9800‒9900 MHz, stanice u službi satelitskog istraživanja Zemlje (aktivno) i službi istraživanja svemira (aktivno) neće uzrokovati štetne smetnje, niti zahtijevati zaštitu od stanica u fiksnoj službi kojima je ovaj opseg namijenjen na sekundarnoj osnovi.
5.479 Frekvencijski opseg 9975‒10025 MHz također je namijenjen meteorološkoj satelitskoj službi na sekundarnoj osnovi i koristit će ga meteorološki radari.
5.482 U frekvencijskom opsegu 10.6‒10.68 GHz, snaga dovedena na antenu stanicama fiksne i mobilne službe, osim vazduhoplovne mobilne, neće prelaziti ‒ 3 dBW. Ovo ograničenje može se prekoračiti u skladu sa sporazumom postignutim prema članu 9.21 ITU Radio pravilnika. Međutim, u Alžiru, Saudijskoj Arabiji, Armeniji, Azerbejdžanu, Bahreinu, Bangladešu, Bjelorusiji, Egiptu, Ujedinjenim Arapskim Emiratima, Gruziji, Indiji, Indoneziji, Iranu, Iraku, Jordanu, Libijskoj Arapskoj Džamahiriji, Kazahstanu, Kuvajtu, Libanonu, Maroku, Mauritaniji, Moldaviji, Nigeriji, Omanu, Uzbekistanu, Pakistanu, Filipinima, Kataru, Siriji, Kirgistanu, Singapuru, Tadžikistanu, Tunisu, Turkmenistanu i Vijetnamu, ovo ograničenje na fiksnu i mobilnu službu osim vazduhoplovne mobilne službe nije primjenjivo. (WRC-07)
5.482A Rezolucija 751 (WRC-07) primjenjuje se za zajedničko korištenje frekvencijskog opsega 10.6‒10.68 GHz od strane službe satelitskog istraživanja Zemlje (pasivno) i fiksne i mobilne službe, osim vazduhoplovne mobilne. (WRC-07)
5.484 U Regionu 1, korištenje frekvencijskog opsega 10.7‒11.7 GHz od strane fiksne satelitske službe (Zemlja ‒ svemir) ograničeno je na linkove za napajanje za službu satelitske radiodifuzije.
5.484A Korištenje frekvencijskih opsega 10.95‒11.2 GHz (svemir ‒ Zemlja), 11.45‒11.7 GHz (svemir ‒ Zemlja), 11.7‒12.2 GHz (svemir ‒ Zemlja) u Regionu 2, 12.2‒12.75 GHz (svemir ‒ Zemlja) u Regionu 3, 12.5‒12.75 GHz (svemir ‒ Zemlja) u Regionu 1, 13.75‒14.5 GHz (Zemlja ‒ svemir), 17.3‒17.7 GHz (svemir ‒ Zemlja) u Regionu 2, 17.8‒18.6 GHz (svemir ‒ Zemlja), 19.7‒20.2 GHz (svemir ‒ Zemlja), 27.5‒28.6 GHz (Zemlja ‒ svemir), 29.5‒30 GHz (Zemlja ‒ svemir) negeostacionarnim satelitskim sistemima u fiksnoj satelitskoj službi podliježe primjeni odredbe člana 9.12 za koordinaciju s drugim negeostacionarnim satelitskim sistemima u fiksnoj satelitskoj službi. Negeostacionarni satelitski sistemi u fiksnoj satelitskoj službi ne smiju zahtijevati zaštitu od geostacionarnih satelitskih mreža u fiksnoj satelitskoj službi koje rade u skladu s ITU Radio pravilnikom o radijskom prometu, bez obzira na datume kada Biro primi potpunu koordinaciju ili notifikaciju, prema potrebi, za negeostacionarne satelitske sisteme u fiksnoj satelitskoj službi i potpune informacije o koordinaciji ili notifikaciji, prema potrebi, za geostacionarne satelitske mreže, a odredbe člana 5.43A se ne primjenjuju. Negeostacionarni satelitski sistemi u fiksnoj satelitskoj službi u gore navedenim opsezima moraju raditi na takav način da se sve neprihvatljive smetnje koje se mogu pojaviti u toku njihovog rada brzo uklone. U Regionu 2, odredba člana 22.2 nastavit će se primjenjivati u frekvencijskom opsegu 17.3‒17.7 GHz. (WRC-23)
5.484B Rezolucija 155 (WRC-15) se primjenjuje. (WRC-15)
5.487 U frekvencijskom opsegu 11.7‒12.5 GHz u Regionima 1 i 3, fiksna, fiksna satelitska, mobilna, osim vazduhoplovne mobilne, i radiodifuzna služba u skladu s njima dodijeljenim opsezima neće uzrokovati štetne smetnje, niti tražiti zaštitu od rada stanica satelitske radiodifuzije koje rade u skladu s odredbama Dodatka 30 ITU Radio pravilnika u Regionima 1 i 3. (WRC-03)
5.487A Dodatna namjena: u Regionu 1, opseg 11.7‒12.5 GHz, u Regionu 2, opseg 12.2‒12.7 GHz, u Regionu 3, opseg 11.7‒12.2 GHz, također su dodijeljeni za fiksnu satelitsku službu (svemir ‒ Zemlja) na primarnoj osnovi, s ograničenjem na negeostacionarne sisteme i podliježu primjeni odredbe člana 9.12 ITU Radio pravilnika za koordinaciju s drugim negeostacionarnim satelitskim sistemima u fiksnoj satelitskoj službi. Negeostacionarni satelitski sistemi u fiksnoj satelitskoj službi neće tražiti zaštitu od geostacionarnih satelitskih mreža u službi satelitske radiodifuzije koji rade u skladu s ITU Radio pravilnikom, bez obzira na datum na koji je Biro za radiokomunikacije ITU-a primio informaciju o završenom usklađivanju ili notifikaciji za negeostacionarne satelitske sisteme u fiksnoj satelitskoj službi i informaciju o završenom usklađivanju ili o notifikaciji, za geostacionarne satelitske mreže, te se odredbe člana 5.43A ITU Radio pravilnika ne primjenjuju. Negeostacionarni satelitski sistemi u fiksnoj satelitskoj službi u gore navedenim opsezima trebaju djelovati tako da u slučaju neprihvatljivih smetnji, koje mogu biti zapažene tokom njihovog djelovanja, one budu brzo otklonjene. (WRC-03)
5.492 Frekvencijske dodjele stanicama službe satelitske radiodifuzije koje su usklađene s odgovarajućim regionalnim planom ili uključene u listu Dodatka 30 ITU Radio pravilnika Regiona 1 i 3, također se mogu koristiti za prijenose u fiksnoj satelitskoj službi (svemir ‒ Zemlja), pod uslovom da takvi prijenosi ne uzrokuju veće smetnje i ne zahtijevaju veću zaštitu od smetnji nego prijenosi satelitske radiodifuzne službe koji se vrše prema tom planu ili listi. (WRC-2000)
5.496A Frekvencijski opseg 12.75‒13.25 GHz (Zemlja ‒ svemir) mogu koristiti pokretne zemaljske stanice, ograničene na zemaljske stanice u avionima i plovilima, koje komuniciraju s geostacionarnim svemirskim stanicama u fiksnoj satelitskoj službi. Primjenjivat će se Rezolucija 121 (WRC-23). (WRC-23)
5.497 Korištenje frekvencijskog opsega 13.25‒13.4 GHz u vazduhoplovnoj radionavigacijskoj službi ograničeno je na navigacionu pomoćnu opremu koja koristi Doplerov efekat.
5.498A Služba satelitskog istraživanja Zemlje (aktivno) i služba istraživanja svemira (aktivno) koje rade u frekvencijskom opsegu 13.25‒13.4 GHz neće uzrokovati štetne smetnje vazduhoplovnoj radionavigacijskoj službi, niti će sprječavati njen rad i razvoj. (WRC-97)
5.499A Korištenje opsega 13.4‒13.65 GHz od strane fiksne satelitske službe (svemir ‒ Zemlja) ograničeno je na geostacionarne satelitske sisteme i predmet je sporazuma zaključenog u skladu s odredbom člana 9.21 ITU Radio pravilnika u odnosu na satelitske sisteme u službi istraživanja svemira (svemir ‒ svemir) za prijenos podataka od svemirske stanice u geostacionarnoj satelitskoj orbiti do pridružene svemirske stanice u negeostacionarnoj satelitskoj orbiti za koje je informacija o objavljivanju primljena od ITU Biroa do 27. novembra 2015. godine. (WRC-15)
5.499B U opsegu 13.4‒13.65 GHz neće se sprječavati razvoj i rad predajnih zemaljskih stanica u satelitskoj službi etalona frekvencije i signala tačnog vremena (Zemlja ‒ svemir) na sekundarnoj osnovi iz razloga namjene ovog opsega sistemima fiksne satelitske službe na primarnoj osnovi (svemir ‒ Zemlja). (WRC-15)
5.499C Namjena opsega 13.4‒13.65 GHz službi istraživanja svemira na primarnoj osnovi ograničena je na:
- satelitske sisteme u službi istraživanja svemira (svemir ‒ svemir) za prijenos podataka od svemirske stanice u geostacionarnoj satelitskoj orbiti do pridružene svemirske stanice u negeostacionarnoj satelitskoj orbiti za koje je informacija o objavljivanju primljena od ITU Biroa do 27. novembra 2015. godine,
- aktivne senzore svemirskih letjelica,
- satelitske sisteme u službi istraživanja svemira (svemir ‒ Zemlja) za prijenos podataka od svemirske stanice u geostacionarnoj satelitskoj orbiti do pridružene zemaljske stanice.
Ostala korištenja opsega od strane službe istraživanja svemira su na sekundarnoj osnovi. (WRC-15)
5.499D U opsegu 13.4‒13.65 GHz, satelitski sistemi u službi istraživanja svemira (svemir ‒ Zemlja) i/ili službi istraživanja svemira (svemir ‒ svemir) ne smiju prouzrokovati štetnu smetnju stanicama u fiksnoj, mobilnoj, radiolokacijskoj i službi istraživanja Zemlje (aktivno), niti zahtijevati zaštitu od njih. (WRC-15)
5.499E U frekvencijskom opsegu 13.4‒13.65 GHz, geostacionarne satelitske mreže u fiksnoj satelitskoj službi (svemir ‒ Zemlja) neće tražiti zaštitu od svemirskih stanica u službi satelitskog istraživanja Zemlje (aktivno) koje rade u skladu s ITU Radio pravilnikom, a odredbe člana 5.43A se ne primjenjuju. Odredbe člana 22.2 ne primjenjuju se na službu satelitskog istraživanja Zemlje (aktivno), imajući u vidu fiksnu satelitsku službu (svemir ‒ Zemlja) u ovom frekvencijskom opsegu. (WRC-15)
5.501A Namjena frekvencijskog opsega 13.65‒13.75 GHz za službu istraživanja svemira na primarnoj osnovi ograničena je na aktivne senzore u svemiru. Druga korištenja frekvencijskog opsega od strane službe istraživanja svemira su na sekundarnoj osnovi. (WRC-15)
5.501B U frekvencijskom opsegu 13.4‒13.75 GHz, služba satelitskog istraživanja Zemlje (aktivno) i služba istraživanja svemira (aktivno) neće uzrokovati štetne smetnje radiolokacijskoj službi, niti će sprječavati njen rad i razvoj. (WRC-07)
5.502 U opsegu 13.75 do 14 GHz, zemaljska stanica u geostacionarnoj fiksnoj satelitskoj službi će imati minimalni prečnik antene 1.2 m, a zemaljska stanica u negeostacionarnoj fiksnoj satelitskoj službi će imati minimalni prečnik antene 4.5 m. Osim toga, e. i. r. p. u prosjeku više od jedne sekunde, izračen od stanice u radiolokacijskoj ili radionavigacijskoj službi ne smije prelaziti 59 dBW za uglove elevacije iznad 2° i 65 dBW za manje uglove elevacije. Prije početka korištenja zemaljskih stanica u geostacionarnim satelitskim mrežama u fiksnoj satelitskoj službi u ovom opsegu s antenom manjom od 4.5 m, obezbijedit će se da gustina toka snage proizvedena od strane zemaljskih stanica ne prelazi:
- - 115 dB (W/(m²·10 MHz)) za više od 1% vremena proizvedena na 36 m iznad nivoa mora na niskom vodostaju, kao službeno priznatih od strane priobalne države;
- - 115 dB (W/(m²·10 MHz)) za više od 1% vremena proizvedena na 3 m iznad nivoa tla na granici teritorije jedne administracije koja je implementirala ili planira implementirati kopnene mobilne radare u tom opsegu, ukoliko to nije postignuto ranijim sporazumom.
Za zemaljsku stanicu u fiksnoj satelitskoj službi koja ima prečnik antene veći ili jednak 4.5 m, e. i. r. p. bilo koje emisije treba biti najmanje 68 dBW i ne bi trebao prelaziti 85 dBW. (WRC-03)
5.503 U frekvencijskom opsegu 13.75‒14 GHz, geostacionarne svemirske stanice u službi istraživanja svemira za koje je Radiokomunikacijski biro primio podatke za objavu prije 31. januara 1992. godine, radit će na istoj osnovi s radiostanicama u fiksnoj satelitskoj službi; nakon tog datuma, nove geostacionarne svemirske stanice u službi istraživanja svemira radit će na sekundarnoj osnovi. Dok ove geostacionarne svemirske stanice, u službi istraživanja svemira, za koje je Biro primio informacije za prethodnu objavu prije 31. januara 1992. godine, ne prestanu s radom u ovom opsegu:
- U opsegu 13.77‒13.78 GHz, emisije gustine e. i. r. p.-a bilo koje zemaljske stanice u fiksnoj satelitskoj službi koja je u komunikaciji sa svemirskom stanicom u geostacionarnoj satelitskoj orbiti ne smiju prelaziti:
i) 4.7D + 28 dB (W/40 kHz), pri čemu je D prečnik antene za zemaljske stanice u fiksnoj satelitskoj službi (m) za antene prečnika jednakog ili većeg od 1.2 m, a manjeg od 4.5 m;
ii) 49.2 + 20 log (D/4.5) dB (W/40 kHz), pri čemu je D prečnik antene za zemaljske stanice u fiksnoj satelitskoj službi (m) za antene prečnika jednakog ili većeg od 4.5 m, a manjeg od 31.9 m;
iii) 66.2 dB (W/40 kHz) za bilo koju antenu za zemaljske stanice u fiksnoj satelitskoj službi za prečnike (m) jednake ili veće od 31.9 m;
iv) 56.2 dB (W/4 kHz) za uski opseg (manje od 40 kHz nužne širine opsega) zemaljskih stanica u fiksnoj satelitskoj službi, emisija iz bilo koje zemaljske stanice u fiksnoj satelitskoj službi koja ima antenu prečnika 4.5 m ili veću;
- e. i. r. p. gustina emisije bilo koje zemaljske stanice u fiksnoj satelitskoj službi koja je u komunikaciji sa svemirskom stanicom u negeostacionarnoj satelitskoj orbiti ne smije prelaziti 51 dBW u 6 MHz opsegu od 13.772 do 13.778 GHz.
Automatsko upravljanje snagom može se koristiti za povećanje gustine e. i. r. p.-a u ovim rasponima frekvencija da bi nadoknadila prigušenja kišom, u mjeri u kojoj gustina toka snage za svemirske stanice u fiksnoj satelitskoj službi ne prelazi vrijednost e. i. r. p.-a uzrokovanu korištenjem od strane jedne od zemaljskih stanica iznad ograničenja u uslovima vedrog neba. (WRC-03)
5.504 Korištenje frekvencijskog opsega 14‒14.3 GHz u radionavigacijskoj službi trebalo bi biti takvo da obezbijedi dovoljnu zaštitu svemirskim stanicama fiksne satelitske službe.
5.504A U opsegu 14‒14.5 GHz, zemaljske stanice u vazduhoplovima u sekundarnoj vazduhoplovnoj mobilnoj satelitskoj službi mogu također biti u vezi sa svemirskim stanicama u fiksnoj satelitskoj službi. Primjenjuju se uslovi iz odredaba članova 5.29, 5.30 i 5.31 ITU Radio pravilnika. (WRC-03)
5.504B Rad zemaljskih stanica na letjelicama u vazduhoplovnoj mobilnoj satelitskoj službi u opsegu 14‒14.5 GHz, moraju se uskladiti s odredbama Aneksa 1, Dio C Preporuke ITU-R M. 1643-0, u odnosu na bilo koje radioastronomske stanice locirane na teritoriji Španije, Francuske, Indije, Italije, Ujedinjenog Kraljevstva Velike Britanije i Sjeverne Irske i Južnoafričke Republike, koje vrše posmatranja u opsegu 14.47‒14.5 GHz. (WRC-15)
5.504C U opsegu 14‒14.25 GHz, gustina toka snage proizvedena na teritorijama zemalja Saudijske Arabije, Bahreina, Bocvane, Obale Slonovače, Egipta, Gvineje, Indije, Irana, Kuvajta, Nigerije, Omana, Sirijske Arapske Republike, Ujedinjenog Kraljevstva Velike Britanije i Sjeverne Irske i Tunisa od strane bilo koje zemaljske stanice na letjelicama u vazduhoplovnoj mobilnoj satelitskoj službi neće prelaziti ograničenja data u Aneksu 1, Dio B Preporuke ITU-R M. 1643-0, ukoliko nije drugačije dogovoreno između ugroženih administracija. Odredbe ove napomene ni u kojem slučaju ne umanjuju obaveze vazduhoplovne mobilne satelitske službe da radi kao sekundarna služba u skladu s odredbom člana 5.29 ITU Radio pravilnika. (WRC-15)
5.506 Frekvencijski opseg 14‒14.5 GHz može se koristiti u okviru fiksne satelitske službe (Zemlja ‒ svemir) za linkove za napajanje za službu satelitske radiodifuzije i predmet je koordinacije s drugim mrežama u fiksnoj satelitskoj službi. Takvo korištenje linkova za napajanje rezervirano je za zemlje izvan Evrope.
5.506A U frekvencijskom opsegu 14‒14.5 GHz, brodske zemaljske stanice u pomorskoj satelitskoj službi s e. i. r. p.-om većim od 21 dBW, radit će pod istim uslovima kao i zemaljske stanice locirane na plovilima kako je propisano Rezolucijom 902 (Rev. WRC-23). Ova napomena neće se primjenjivati na brodske zemaljske stanice za koje je kompletiran Dodatak 4 i koje je ITU Biro primio prije 05. jula 2003. godine. (WRC-23)
5.506B Zemaljske stanice na brodovima koje komuniciraju sa svemirskim stanicama u fiksnoj satelitskoj službi mogu raditi u opsegu 14‒14.5 GHz bez prethodne saglasnosti Kipra i Malte, unutar minimalne razdaljine od ovih zemalja date u Rezoluciji 902 (Rev. WRC-23). (WRC-23)
5.508A U opsegu 14.25‒14.3 GHz, gustina toka snage proizvedena na teritorijama zemalja Saudijske Arabije, Bocvane, Kine, Obale Slonovače, Egipta, Francuske, Gvineje, Indije, Irana, Italije, Kuvajta, Nigerije, Omana, Sirijske Arapske Republike, Ujedinjenog Kraljevstva Velike Britanije i Sjeverne Irske i Tunisa od strane bilo koje vazduhoplovne zemaljske stanice u vazduhoplovnoj mobilnoj satelitskoj službi neće prelaziti ograničenja data u Aneksu 1, Dio B Preporuke ITU-R M. 1643-0, ukoliko nije drugačije dogovoreno između ugroženih administracija. Odredbe ove napomene ni u kojem slučaju ne umanjuju obaveze vazduhoplovne mobilne satelitske službe da radi kao sekundarna služba u skladu s odredbom člana 5.29 ITU Radio pravilnika. (WRC-15)
5.509A U opsegu 14.3‒14.5 GHz, gustina toka snage proizvedena na teritorijama zemalja Saudijske Arabije, Bocvane, Kameruna, Kine, Obale Slonovače, Egipta, Francuske, Gabona, Gvineje, Indije, Irana, Italije, Kuvajta, Maroka, Nigerije, Omana, Sirijske Arapske Republike, Ujedinjenog Kraljevstva Velike Britanije i Sjeverne Irske, Tunisa i Vijetnama od strane bilo koje vazduhoplovne zemaljske stanice u vazduhoplovnoj mobilnoj satelitskoj službi neće prelaziti ograničenja data u Aneksu 1, Dio B Preporuke ITU-R M. 1643, ukoliko nije drugačije dogovoreno između ugroženih administracija. Odredbe ove napomene ni u kojem slučaju ne umanjuju obaveze vazduhoplovne mobilne satelitske službe da radi kao sekundarna služba u skladu s odredbom člana 5.29 ITU Radio pravilnika. (WRC-15)
5.509E U frekvencijskim opsezima 14.5‒14.75 GHz u zemljama navedenim u Rezoluciji 163 (WRC-15) i 14.5‒14.8 GHz u zemljama navedenim u Rezoluciji 164 (WRC-15), lokacija zemaljskih stanica u fiksnoj satelitskoj službi (Zemlja ‒ svemir), a ne za linkove za napajanje za radiodifuzijsku satelitsku službu mora održavati razmak od najmanje 500 km od granice(a) drugih zemalja, osim ako te administracije izričito ne dogovore kraće udaljenosti. Ne primjenjuju se odredbe člana 9.17 pri primjeni ove odredbe, a administracije bi trebale uzeti u obzir relevantne dijelove ITU Radio pravilnika i najnovije relevantne ITU R preporuke. (WRC-23)
5.509F U frekvencijskim opsezima 14.5‒14.75 GHz u zemljama navedenim u Rezoluciji 163 (WRC-15) i 14.5‒14.8 GHz u zemljama navedenim u Rezoluciji 164 (WRC-15), zemaljske stanice u fiksnoj satelitskoj službi (Zemlja ‒ svemir), a ne za linkove za napajanje za radiodifuzne satelitske službe neće ograničiti buduću implementaciju fiksnih i mobilnih servisa. (WRC-23)
5.510A Namjena frekvencijskog opsega 14.8‒15.35 GHz službi istraživanja svemira na primarnoj osnovi ograničena je na satelitske sisteme koji rade u smjerovima svemir ‒ svemir, svemir ‒ Zemlja i Zemlja ‒ svemir na udaljenostima od Zemlje manjim od 2 × 10
6 km u skladu s Rezolucijom 678 (WRC-23). Druge upotrebe frekvencijskog opsega od strane službe istraživanja svemira su na sekundarnoj osnovi. Korištenje frekvencijskog opsega 14.8‒15.35 GHz od strane službe istraživanja svemira (svemir‒ Zemlja) (Zemlja ‒ svemir) je na sekundarnoj osnovi u odnosu na zemaljske službe u Alžiru, Saudijskoj Arabiji, Bahreinu, Koreji (Rep.), Egiptu, Ujedinjenim Arapskim Emiratima, Sjedinjenim Državama, Indiji, Iraku, Japanu, Kuvajtu, Libiji, Maroku, Mauritaniji, Omanu, Kataru, Sirijskoj Arapskoj Republici, Tunisu i Jemenu. (WRC-23)
5.511C Stanice koje rade u vazduhoplovnoj radionavigacijskoj službi ograničit će efektivnu vrijednost e. i. r. p.-a u skladu s Preporukom ITU-R S. 1340-0. Minimalna udaljenost potrebna da se zaštite vazduhoplovne radionavigacijske stanice (primjenjuje se odredba člana 4.10 ITU Radio pravilnika) od štetnih smetnji od linka za napajanje zemaljskih stanica i maksimalni e. i. r. p. koji link za napajanje emitira u pravcu lokalne horizontalne površine bit će u skladu s Preporukom ITU-R S. 1340-0. (WRC-15)
5.511E U opsegu 15.4‒15.7 GHz, stanice koje rade u radiolokacijskoj službi neće izazivati štetnu smetnju stanicama koje rade u vazduhoplovnoj radionavigacijskoj službi, niti će zahtijevati zaštitu od njih. (WRC-12)
5.511F U cilju zaštite radioastronomske službe u opsegu 15.35‒15.4 GHz, radiolokacijske stanice koje rade u opsegu 15.4‒15.7 GHz neće preći nivo gustine toka snage od ‒ 156 dB (W/m²) u opsegu širine 50 MHz u okviru opsega 15.35‒15.4 GHz u bilo kojoj radioastronomskoj opservatoriji duže od 2% vremena. (WRC-12)
5.511G Stanice u vazduhoplovnoj mobilnoj (OR) službi koje rade u frekvencijskom opsegu 15.41‒15.7 GHz ne smiju uzrokovati štetne smetnje radioastronomskoj službi koja radi u frekvencijskom opsegu 15.35‒15.4 GHz. Ukupna gustina toka snage (pfd) primljena od stanica u vazduhoplovnoj mobilnoj (OR) službi koje rade u frekvencijskom opsegu 15.41‒15.7 GHz na bilo kojoj radioastronomskoj stanici koja radi u frekvencijskom opsegu 15.35‒15.4 GHz mora biti u skladu s kriterijima zaštite navedenim u preporukama ITU R RA.769 2 i ITU R RA. 1513 2, osim ako to nije izričito dogovoreno od strane afektirane administracije. (WRC-23)
5.513A Aktivni senzori u svemiru koji rade u frekvencijskom opsegu 17.2‒17.3 GHz neće uzrokovati štetne smetnje niti ograničavati razvoj radiolokacijskih i drugih službi kojima je ovaj opseg namijenjen na primarnoj osnovi. (WRC-97)
5.516 Korištenje frekvencijskog opsega 17.3‒18.1 GHz od strane geostacionarnih (GSO) satelitskih sistema u fiksnoj satelitskoj službi (Zemlja ‒ svemir) ograničeno je na linkove za napajanje za službu satelitske radiodifuzije. Korištenje opsega 17.3‒17.8 GHz u Regionu 2 od strane sistema fiksne satelitske službe (Zemlja ‒ svemir) ograničeno je na geostacionarne satelite. Za korištenje opsega 17.3‒17.8 GHz u Regionu 2 od strane linkova za napajanje u radiodifuznoj satelitskoj službi u opsegu 12.2‒12.7 GHz (vidjeti član 11. ITU Radio pravilnika). Korištenje opsega 17.3‒18.1 GHz (Zemlja ‒ svemir) u Regionima 1 i 3, i opsega 17.8‒18.1 GHz (Zemlja ‒ svemir) u Regionu 2 od strane negeostacionarnih satelitskih sistema u fiksnoj satelitskoj službi predmet je primjene odredaba člana 9.12 ITU Radio pravilnika što se tiče koordinacije s drugim negeostacionarnim satelitskim sistemima u fiksnoj satelitskoj službi. Negeostacionarni satelitski sistemi u fiksnoj satelitskoj službi neće tražiti zaštitu od geostacionarnih satelitskih mreža u fiksnoj satelitskoj službi koji rade u skladu s ITU Radio pravilnikom, bez obzira na datum kada je Biro primio informaciju o završenom usklađivanju ili notifikaciji, za negeostacionarne satelitske sisteme u fiksnoj satelitskoj službi, i informaciju o završenom usklađivanju ili o notifikaciji, kao odgovarajuću, za geostacionarne satelitske mreže, te se odredbe člana 5.43A ne primjenjuju. Negeostacionarni satelitski sistemi u fiksnoj satelitskoj službi u gore navedenim opsezima će raditi na takav način da će se bilo koja neprihvatljiva smetnja koja se može pojaviti tokom rada vrlo brzo eliminirati. (WRC-2000)
5.516A U frekvencijskom opsegu 17.3‒17.7 GHz, zemaljske stanice u fiksnoj satelitskoj službi (svemir ‒ Zemlja) u Regionu 1 neće zahtijevati zaštitu od zemaljskih stanica za napajanje u radiodifuznoj satelitskoj službi koje rade u skladu s Dodatkom 30A ITU Radio pravilnika, niti će postavljati bilo kakva ograničenja ili restrikcije na lokacijama zemaljskih stanica za napajanje u satelitskoj radiodifuznoj službi bilo gdje u servisnoj zoni linka za napajanje. (WRC-03)
5.516B Slijedeći opsezi identificirani su za korištenje u primjenama velike gustine u fiksnoj satelitskoj službi (HDFSS):
17.3‒17.7 GHz (svemir ‒ Zemlja) u Regionu 1,
18.3‒19.3 GHz (svemir ‒ Zemlja) u Regionu 2,
19.7‒20.2 GHz (svemir ‒ Zemlja) u svim regionima,
39.5‒40 GHz (svemir ‒ Zemlja) u Regionu 1,
40‒40.5 GHz (svemir ‒ Zemlja) u svim regionima,
40.5‒42 GHz (svemir ‒ Zemlja) u Regionu 2,
47.5‒47.9 GHz (svemir ‒ Zemlja) u Regionu 1,
48.2‒48.54 GHz (svemir ‒ Zemlja) u Regionu 1,
49.44‒50.2 GHz (svemir ‒ Zemlja) u Regionu 1,
i
27.5‒27.82 GHz (Zemlja ‒ svemir) u Regionu 1,
28.35‒28.45 GHz (Zemlja ‒ svemir) u Regionu 2,
28.45‒28.94 GHz (Zemlja ‒ svemir) u svim regionima,
28.94‒29.1 GHz (Zemlja ‒ svemir) u Regionima 2 i 3,
29.25‒29.46 GHz (Zemlja ‒ svemir) u Regionu 2,
29.46‒30 GHz (Zemlja ‒ svemir) u svim regionima,
48.2‒50.2 GHz (Zemlja ‒ svemir) u Regionu 2.
Ova identifikacija neće spriječiti korištenje ovih opsega od drugih primjena u fiksnoj satelitskoj službi ili ostalih službi kojima su ovi opsezi namijenjeni na koprimarnoj osnovi i neće određivati prioritet u ITU Radio pravilniku između korisnika opsega. Administracije ovo trebaju uzeti u obzir kada razmatraju regulatorne odredbe u odnosu na ove opsege. Vidjeti Rezoluciju 143 (Rev. WRC-19). (WRC-19)
5.517A Rad zemaljskih stanica u pokretu koje komuniciraju sa svemirskim stanicama geostacionarne fiksne satelitske službe u frekvencijskim opsezima 17.7‒19.7 GHz (svemir ‒ Zemlja) i 27.5‒29.5 GHz (Zemlja ‒ svemir) podliježe primjeni Rezolucije 169 (Rev. WRC-23). (WRC-23)
5.517B Rad vazduhoplovnih i pomorskih zemaljskih stanica u pokretu koje komuniciraju s negeostacionarnim svemirskim stanicama u fiksnoj satelitskoj službi u frekvencijskim opsezima 17.7‒18.6 GHz, 18.8‒19.3 GHz i 19.7‒20.2 GHz (svemir ‒ Zemlja) i 27.5‒29.1 GHz i 29.5‒30 GHz (Zemlja ‒ svemir) podliježu primjeni Rezolucije 123 (WRC-23). (WRC-23)
5.519 Dodatna namjena: Frekvencijski opseg 18.0‒18.3 GHz u Regionu 2 i opseg 18.1‒18.4 GHz u Regionima 1 i 3 također su namijenjeni za meteorološku satelitsku službu (svemir ‒ Zemlja) na primarnoj osnovi. Ovo korištenje ograničeno je na geostacionarne satelite. (WRC-07)
5.520 Korištenje frekvencijskog opsega 18.1‒18.4 GHz u fiksnoj satelitskoj službi (Zemlja ‒ svemir) ograničeno je na linkove za napajanje u službi satelitske radiodifuzije. (WRC-2000)
5.521A Za korištenje frekvencijskih opsega 18.1‒18.6 GHz, 18.8‒20.2 GHz i 27.5‒30 GHz, ili njihovih dijelova, od strane svemirskih stanica u međusatelitskoj službi, primjenjivat će se Rezolucija 679 (WRC-23). Takva upotreba je ograničena na istraživanje svemira, svemirske operacije i/ili satelitske aplikacije za istraživanje Zemlje, kao i prijenos podataka koji potiču iz industrijskih i medicinskih aktivnosti u svemiru. Pri korištenju ovih frekvencija, administracije će obezbijediti da se ova međusatelitska usluga koristi samo u gore navedene svrhe i da nije predmet koordinacije prema odredbi člana 9.11A. Za korištenje frekvencijskih opsega 18.1‒18.6 GHz, 18.8‒20.2 GHz, 27.5‒29.1 GHz i 29.5‒30 GHz od strane svemirskih stanica, dodjela je ograničena na međusatelitske veze između negeostacionarnih satelita ili između negeostacionarnih satelita i geostacionarnih satelita. Za korištenje frekvencijskog opsega 29.1‒29.5 GHz od strane svemirskih stanica, dodjela je ograničena na međusatelitske veze između negeostacionarnih satelita i geostacionarnih satelita. Odredbe člana 4.10 se ne primjenjuju. (WRC-23)
5.522A Emisije fiksne službe i fiksne satelitske službe u opsegu 18.6‒18.8 GHz ograničene su na vrijednosti date u odredbama članova 21.5A i 21.16.2. ITU Radio pravilnika (WRC-2000)
5.522B Upotreba opsega 18.6‒18.8 GHz od strane fiksne satelitske službe ograničena je na geostacionarne sisteme i sisteme s orbitom apogeja većom od 20 000 km. (WRC-2000)
5.523A Korištenje frekvencijskih opsega 18.8‒19.3 GHz (svemir ‒ Zemlja) i 28.6‒29.1 GHz (Zemlja ‒ svemir) od strane mreža geostacionarnih (GSO) i negeostacionarnih (NGSO) fiksnih satelitskih službi predmet je primjene odredaba člana 9.11A, a odredba člana 22.2 ITU Radio pravilnika neće se primjenjivati. Negeostacionarne mreže neće uzrokovati neprihvatljive smetnje mrežama geostacionarne fiksne satelitske službe za koje se smatra da je Radiokomunikacijski biro primio kompletirane podatke iz Dodatka 4 prije 18. novembra 1995. godine. (WRC-23)
5.523B Korištenje frekvencijskog opsega 19.3‒19.6 GHz (Zemlja ‒ svemir) od strane fiksne satelitske službe ograničeno je na linkove za napajanje za negeostacionarne sisteme u mobilnoj satelitskoj službi. Na ovu upotrebu primjenjuju se odredbe člana 9.11A, a odredbe člana 22.2 se ne primjenjuju.
5.523C Odredbe člana 22.2 iz ITU Radio pravilnika nastavit će se primjenjivati u frekvencijskim opsezima 19.3‒19.6 GHz i 29.1‒29.4 GHz, između linkova za napajanje mreža negeostacionarne mobilne satelitske službe i onih mreža fiksne satelitske službe za koje se smatra da je Radiokomunikacijski biro primio potpune informacije propisane u Dodatku 4 ili informacije o prijavi prije 18. novembra 1995. godine. (WRC-97)
5.523D Na korištenje frekvencijskog opsega 19.3‒19.7 GHz (svemir ‒ Zemlja) od strane sistema geostacionarne fiksne satelitske službe i od strane linkova za napajanje negeostacionarnih satelitskih sistema mobilne satelitske službe primjenjuju se odredbe člana 9.11A ITU Radio pravilnika, ali se ne primjenjuju odredbe člana 22.2. Korištenje ovog frekvencijskog opsega za druge NGSO/FSS sisteme, ili u slučajevima navedenim u članovima 5.523C i 5.523E nije predmet odredaba člana 9.11A, i za njega će i dalje važiti odredbe člana 9.11 (osim 9.11A) i odredbe člana 22.2 ITU Radio pravilnika. (WRC-97)
5.523DA Kako bi se zaštitili linkovi za napajanje negeostacionarnih mreža u mobilnoj satelitskoj službi u frekvencijskom opsegu 19.3‒19.7 GHz, vrijednosti gustine fluksa snage proizvedene na površini Zemlje za sve uglove prijema od strane svemirske stanice u međusatelitskoj službi koja radi u ovom opsegu u skladu s Rezolucijom 679 (WRC-23) ne smiju prelaziti ‒ 140 dB (W/m²) u bilo kojem 1 MHz unutar 150 km od bilo koje od gore navedenih zemaljskih stanica linka za napajanje upisanim u Glavnom međunarodnom frekvencijskom registru. (WRC-23)
5.523E Odredbe člana 22.2 iz ITU Radio pravilnika nastavit će se primjenjivati u frekvencijskim opsezima 19.6‒19.7 GHz i 29.4‒29.5 GHz, između linkova za napajanje mreža negeostacionarne mobilne satelitske službe i onih mreža fiksne satelitske službe za koje se smatra da je Radiokomunikacijski biro primio potpune informacije propisane u Dodatku 4 ili informacije o prijavi prije 21. novembra 1997. godine. (WRC-97)
5.525 Kako bi se olakšao proces međuregionalne koordinacije između mreža u mobilnoj satelitskoj službi i fiksnoj satelitskoj službi, frekvencije nosioca u mobilnoj satelitskoj službi koje su najosjetljivije na smetnje bit će, u mjeri u kojoj je to moguće, smještene u višim dijelovima frekvencijskih opsega 19.7‒20.2 GHz i 29.5‒30 GHz.
5.526 U frekvencijskim opsezima 19.7‒20.2 GHz i 29.5‒30 GHz u Regionu 2 i u frekvencijskim opsezima 20.1‒20.2 i 29.9‒30 GHz u Regionima 1 i 3, mreže koje su u fiksnoj satelitskoj službi i u mobilnoj satelitskoj službi mogu obuhvatati linkove između zemaljskih stanica na određenim ili neodređenim tačkama ili, dok su u pokretu preko jednog ili više satelita, za komunikacije tačka-tačka i tačka-više tačaka.
5.527 U opsezima 19.7‒20.2 GHz i 29.5‒30 GHz, odredbe člana 4.10 ITU Radio pravilnika ne primjenjuju se na mobilnu satelitsku službu.
5.527A Rad zemaljskih stanica u pokretu koje komuniciraju s FSS servisom predmet je Rezolucije 156 (Rev. WRC-23). (WRC23)
5.528 Frekvencijski opseg namijenjen mobilnoj satelitskoj službi upotrebljavat će mreže koje koriste antene s usmjerenim zračenjem uskog snopa i druge napredne tehnologije u svemirskim stanicama. Administracije čiji sistemi rade u mobilnoj satelitskoj službi u opsegu 19.7‒20.1 GHz u Regionu 2 i opsegu 20.1‒20.2 GHz poduzet će sve praktične korake da obezbijede kontinuiranu raspoloživost ovih opsega za administracije čiji fiksni i mobilni sistemi rade u skladu s odredbama člana 5.524 ITU Radio pravilnika.
5.529A U frekvencijskim opsezima 20.2‒21.2 GHz i 30‒31 GHz, negeostacionarni satelitski sistemi za koje je Biro primio potpunu informaciju o koordinaciji ili notifikaciju od 1. januara 2025. godine, ne smiju uzrokovati neprihvatljive smetnje i ne smiju tražiti zaštitu od geostacionarnih satelitskih mreža u mobilnoj satelitskoj službi koja radi u skladu s ovim Pravilnikom. Odredbe člana 5.43A se ne primjenjuju. (WRC-23)
5.530A Ukoliko nije drugačije dogovoreno između zainteresiranih administracija, nijedna stanica u fiksnoj ili mobilnoj službi jedne administracije neće proizvoditi gustinu toka snage veću od ‒ 120.4 dB (W/m² ·MHz) na visini od 3 m iznad tla u bilo kojoj tački na teritoriji bilo koje druge administracije u toku više od 20% vremena. Prilikom proračuna, administracije će koristiti najnoviju verziju preporuke ITU-R P. 452 (vidjeti preporuku ITU-R BO. 1898). (WRC-15)
5.530B U opsegu 21.4‒22 GHz, u cilju podržavanja razvoja radiodifuzne satelitske službe, preporučuje se administracijama u Regionima 1 i 3 da ne postavljaju stanice mobilne službe, kao i da ograniče postavljanje stanica u linkovima tačka-tačka fiksne službe. (WRC-12)
5.531A Korištenje vazduhoplovne mobilne (OR) službe u frekvencijskom opsegu 22‒22.2 GHz ograničeno je na primjene koje nisu vezane za bezbjednost. (WRC-23)
5.531B Stanice na letjelicama u vazduhoplovnoj mobilnoj (OR) službi koje rade u frekvencijskom opsegu 22‒22.2 GHz podliježu sporazumu dobijenom prema odredbama člana 9.21 u odnosu na fiksnu službom i neće uzrokovati štetne smetnje, niti zahtijevati zaštitu od fiksne službe. Sljedeće vrijednosti gustine toka snage koriste se kao prag za koordinaciju prema odredbama člana 9.21:
|
−
110dB (W/(m²·MHz))
|
za
|
0°
≤ θ ≤ 12.6°
|
|
2.86
θ − 146dB (W/(m²·MHz))
|
za
|
12.6°
< θ ≤ 15°
|
|
0.87
θ − 116dB (W/(m²·MHz))
|
za
|
15°
< θ ≤ 30°
|
|
0.067
θ − 92dB (W/(m²·MHz))
|
za
|
30°
< θ ≤ 90°
|
pri čemu je θ ugao dolaska upadnog talasa iznad horizontalne ravni izražen u stepenima.
Ovaj kriterij treba primijeniti na granici teritorije druge administracije za svaku stanicu vazduhoplova koja se nalazi na visini do 15 km iznad tla. U provođenju proračuna treba koristiti najnoviju verziju Preporuke ITU R P. 525. (WRC-23)
5.531C Stanice u vazduhoplovnoj mobilnoj (OR) službi koje rade u frekvencijskom opsegu 22‒22.2 GHz ne smiju uzrokovati štetne smetnje radioastronomskoj službi koja radi u frekvencijskom opsegu 22.21‒22.5 GHz. Ukupna gustina toka snage (pfd) primljena od ovih stanica na bilo kojoj radioastronomskoj stanici koja radi u frekvencijskom opsegu 22.21‒22.5 GHz mora biti u skladu s kriterijima zaštite navedenim u Preporukama ITU R RA. 769 2 i ITU R RA. 1513 2, osim ako to nije posebno dogovoreno s pogođenim administracijama. (WRC-23)
5.531D Korištenje vazduhoplovne mobilne (OR) službe u frekvencijskom opsegu 22‒22.2 GHz izvan državnih granica ne smije uzrokovati štetne smetnje, niti zahtijevati zaštitu od službi u drugim zemljama koje rade u skladu s Planom namjene frekvencija. (WRC-23)
5.531F Kako bi se zaštitile stanice satelitske službe istraživanja Zemlje (pasivno) koje rade u frekvencijskom opsegu 22.21‒22.5 GHz, neželjena ekvivalentna izotropna izračena snaga (e. i. r. p.) stanica koje rade u vazduhoplovnoj mobilnoj (OR) službi ne smije prelaziti ‒ 23 dBW u bilo kojih 100 MHz u frekvencijskom opsegu 22.21‒22.5 GHz. (WRC-23)
5.532 Korištenje opsega 22.21‒22.5 GHz od strane službe satelitskog istraživanja Zemlje satelitom (pasivno) i službe istraživanja svemira (pasivno) ne smije nametati ograničenja fiksnoj i mobilnoj službi, osim vazduhoplovne mobilne službe.
5.532AB Frekvencijski opseg 24.25‒27.5 GHz identificiran je za upotrebu od strane administracija koje žele implementirati zemaljsku komponentu međunarodnih mobilnih telekomunikacija (IMT). Ova identifikacija ne isključuje korištenje ovog frekvencijskog opsega bilo kojom primjenom službi kojima je namijenjen i ne utvrđuje prioritet u ITU Radio pravilniku. Primjenjuje se Rezolucija 242 (Rev. WRC-23). (WRC-23)
5.532B Korištenje opsega 24.65‒25.25 GHz za fiksnu satelitsku službu (Zemlja ‒ svemir) u Regionu 1 i 24.65‒24.79 GHz u Regionu 3 ograničeno je na zemaljske stanice čiji je minimalni prečnik antene 4.5 m. (WRC-12)
5.535A Korištenje frekvencijskog opsega 29.1‒29.5 GHz (Zemlja ‒ svemir) od strane fiksne satelitske službe ograničeno je na geostacionarne satelitske sisteme i linkove za napajanje negeostacionarnih satelitskih sistema u mobilnoj satelitskoj službi. Na ovo korištenje primjenjuju se odredbe člana 9.11A, ali se ne primjenjuju odredbe iz člana 22.2, osim kako je naznačeno u članovima 5.523C i 523E, pri čemu takvo korištenje ne podliježe odredbama člana 9.11A, i nastavit će podlijegati odredbama člana 9. (osim 9.11A) i procedurama člana 11, kao i odredbama iz člana 22.2 ITU Radio pravilnika. (WRC-97)
5.536 Korištenje opsega 25.25‒27.5 GHz za međusatelitsku službu ograničeno je na istraživanje svemira i primjene u satelitskom istraživanju Zemlje, kao i za prijenos podataka koji nastaju od industrijskih i medicinskih aktivnosti u svemiru.
5.536A Administracije čije zemaljske stanice rade u službi satelitskog istraživanja Zemlje ili službi istraživanja svemira neće zahtijevati zaštitu od stanica u fiksnoj i mobilnoj službi drugih administracija. Dodatno, zemaljske stanice u službi satelitskog istraživanja Zemlje ili službi istraživanja svemira mogu da rade uzimajući u obzir važeću Preporuku ITU-R SA. 1862. Primjenjuje se Rezolucija 242 (Rev. WRC-23). (WRC-23)
5.538 Dodatna namjena: Frekvencijski opsezi 27.5‒27.501 GHz i 29.999‒30.000 GHz također su namijenjeni fiksnoj satelitskoj službi (svemir ‒ Zemlja) na primarnoj osnovi za prijenose signala radiofarova namijenjenih za kontrolu predajne snage. Takvi prijenosi svemir ‒ Zemlja neće prelaziti ekvivalentnu izotropnu izračenu snagu (e. i. r. p.) od +10 dBW u smjeru susjednih satelita na geostacionarnoj satelitskoj orbiti. (WRC-07)
5.539 Frekvencijski opseg 27.5‒30 GHz može koristiti fiksna satelitska služba (Zemlja ‒ svemir) da bi se obezbijedili linkovi za napajanje za službu satelitske radiodifuzije.
5.540 Dodatna namjena: Frekvencijski opseg 27.501‒29.999 GHz također je namijenjen za fiksnu satelitsku službu (svemir ‒ Zemlja) na sekundarnoj osnovi za prijenose signala radiofarova namijenjenih za kontrolu predajne snage.
5.541 U frekvencijskom opsegu 28.5‒30 GHz, služba satelitskog istraživanja Zemlje ograničena je na prijenos podataka između radiostanica, a ne za primarno prikupljanje informacija pomoću aktivnih i pasivnih senzora.
5.541A Linkovi za napajanje NGSO/MSS mreža i GSO/FSS mreža koje rade u frekvencijskom opsegu 29.1‒29.5 GHz (Zemlja ‒ svemir) primijenit će kontrolu prilagođenja predajne snage i druge metode kompenzacije gubitka, tako da će se prijenosi zemaljskih stanica obavljati na takvom nivou snage koji je potreban za dostizanje željenih performansi linka, dok se smanjuje nivo uzajamnih smetnji između obje mreže. Ove metode primjenjivat će se na mreže za koje je Radiokomunikacijski biro ITU-a primio podatke za koordinaciju iz Dodatka 4 nakon 17. maja 1996. godine, sve dok se ne izvrše promjene na sljedećoj Svjetskoj radiokonferenciji. Administracije koje predaju podatke za koordinaciju iz Dodatka 4 prije ovog datuma podstiču se da koriste ove tehnike. (WRC-2000)
5.543 Frekvencijski opseg 29.95‒30 GHz može biti korišten za linkove svemir ‒ svemir u službi satelitskog istraživanja Zemlje za telemetriju, potragu i u svrhu kontrole na sekundarnoj osnovi.
5.543B Namjena za fiksnu službu u frekvencijskom opsegu 31‒31.3 GHz identificirana je za svjetsku upotrebu od strane stanica na platformama na velikim visinama (HAPS). Ova identifikacija ne isključuje korištenje ovog frekvencijskog opsega od strane drugih primjena u fiksnoj službi ili drugih službi kojima je ovaj frekvencijski opseg namijenjen na koprimarnoj osnovi i ne utvrđuje prioritet u ITU Radio pravilniku. Takvo korištenje dodjela za fiksnu službu od strane HAPS-a mora biti u skladu s odredbama Rezolucije 167 (Rev. WRC-23). (WRC-23)
5.547 Frekvencijski opsezi 31.8‒33.4 GHz, 37‒40 GHz, 40.5‒43.5 GHz, 51.4‒52.6 GHz, 55.78‒59 GHz i 64‒66 GHz raspoloživi su za aplikacije visoke gustine u fiksnoj službi. Administracija ovo treba uzeti u obzir pri razmatranju regulatornih odredaba u vezi s ovim opsezima. Zbog potencijalne implementacije aplikacija visoke gustine u fiksnoj satelitskoj službi u opsezima 39.5‒40 GHz i 40.5‒42 GHz (vidjeti član 5.516B), administracije bi trebale dodatno uzeti u obzir potencijalna ograničenja na aplikacije visoke gustine u fiksnoj službi. (WRC-23)
5.547A Administracije bi trebale poduzeti praktične mjere kako bi se umanjile potencijalne smetnje između stanica u fiksnoj službi i stanica u vazduhoplovnoj radionavigacijskoj službi u opsegu 31.8‒33.4 GHz, uzimajući u obzir operativne potrebe za vazduhoplovne radarske sisteme. (WRC-2000)
5.548 U projektiranju sistema za međusatelitske službe u opsegu 32.3‒33 GHz, radionavigacijske službe u frekvencijskom opsegu 32‒33 GHz i za službu istraživanja svemira (daleki svemir) u frekvencijskom opsegu 31.8‒32.3 GHz, administracije će poduzeti sve potrebne mjere da spriječe štetne smetnje između ovih službi, imajući u vidu sigurnosne aspekte radionavigacijske službe (vidjeti Preporuku 707 (Rev. WRC-23)). (WRC-23)
5.549A U opsegu 35.5‒36.0 GHz, srednja vrijednost gustine fluksa na površini Zemlje koju proizvodi svemirski senzor u službi satelitskog istraživanja Zemlje (aktivno) ili službi satelitskog istraživanja svemira (aktivno) neće prelaziti ‒ 73.3 dB (W/m²) za bilo koji ugao veći od 0.8° od centralnog snopa. (WRC-03)
5.550A Rezolucija 752 (WRC-07) primjenjuje se za zajedničko korištenje opsega 36‒37 GHz između službi satelitskog istraživanja Zemlje (pasivno) i fiksne i mobilne službe. (WRC-07)
5.550B Frekvencijski opseg 37‒43.5 GHz, ili njegovi dijelovi, identificiran je za korištenje od strane administracija koje žele implementirati zemaljsku komponentu međunarodnih mobilnih telekomunikacija (IMT). Ova identifikacija ne isključuje korištenje ovog frekvencijskog opsega u bilo kojoj službi kojima je dodijeljen opseg i ne utvrđuje prioritet u ITU Radio pravilniku. Zbog mogućeg postavljanja FSS zemaljskih stanica u frekvencijskom opsegu 37.5‒42.5 GHz i aplikacija visoke gustine u fiksnoj satelitskoj službi u frekvencijskim opsezima 39.5‒40 GHz u Regionu 1, 40‒40.5 GHz u svim regionima i 40.5‒42 GHz u Regionu 2 (vidjeti odredbe člana 5.516B), administracije bi trebale dodatno uzeti u obzir potencijalna ograničenja za IMT u tim frekvencijskim opsezima, prema potrebi. Primjenjuje se Rezolucija 243 (Rev. WRC-23). (WRC-23)
5.550C Upotreba frekvencijskih opsega 37.5‒39.5 GHz (svemir ‒ Zemlja), 39.5‒42.5 GHz (svemir ‒ Zemlja), 47.2‒50.2 GHz (Zemlja ‒ svemir) i 50.4‒51.4 GHz (Zemlja ‒ svemir) od strane negeostacionarnih satelitskih sistema u fiksnoj satelitskoj službi podliježe primjeni odredaba člana 9.12 ITU Radio pravilnika za koordinaciju s drugim negeostacionarnim satelitskim sistemima u fiksnoj satelitskoj službi, ali ne i s negeostacionarnim satelitskim sistemima u ostalim službama. Također će se primjenjivati Rezolucija 770 (WRC-19), a odredbe iz člana 22.2 i dalje će se primjenjivati. (WRC-19)
5.550CA Negeostacionarni satelitski sistemi u fiksnoj satelitskoj službi koji rade s apogejskom visinom iznad 407 km i ispod 2 000 km u frekvencijskom opsegu 37.5‒38 GHz ne smiju premašiti neželjenu emisiju gustine e. i. r. p.-a od − 21 dB (W/100 MHz) po svemirskoj stanici za uglove veće od 65.0° od nadira u odnosu na svemirsku stanicu u fiksnoj satelitskoj službi u frekvencijskom opsegu 36‒37 GHz kako bi se zaštitila služba satelitskog istraživanja Zemlje (pasivna) koja radi u navedenom frekvencijskom opsegu. (WRC-23)
5.550D Namjena za fiksnu službu u frekvencijskom opsegu 38‒39.5 GHz identificirana je za svjetsku upotrebu od strane administracija koje žele implementirati stanice na platformi na velikim visinama (HAPS). U smjeru HAPS ‒ zemlja, HAPS zemaljska stanica neće tražiti zaštitu od stanica u fiksnoj, mobilnoj i fiksnoj satelitskoj službi; i odredbe člana 5.43A se ne primjenjuju. Ova identifikacija ne isključuje korištenje ovog frekvencijskog opsega drugim aplikacijama fiksne službe ili drugim službama kojima je ovaj frekvencijski opseg dodijeljen na koprimarnoj osnovi i ne uspostavlja prioritet u ITU Radio pravilniku. Nadalje, HAPS ne smije neopravdano ograničavati razvoj fiksnih satelitskih, fiksnih i mobilnih servisa. Takvo korištenje dodjele za fiksne servise od strane HAPS-a mora biti u skladu s odredbama Rezolucije 168 (Rev. WRC-23). (WRC-23)
5.550E Korištenje frekvencijskih opsega 39.5‒40 GHz i 40‒40.5 GHz od strane negeostacionarnih satelitskih sistema u mobilnoj satelitskoj službi (svemir ‒ Zemlja) i od strane negeostacionarnih satelitskih sistema u fiksnoj satelitskoj službi (svemir ‒ Zemlja) podliježe primjeni odredaba člana 9.12 za koordinaciju s drugim negeostacionarnim satelitskim sistemima u fiksnim satelitskim i mobilnim satelitskim službama, ali ne i s negeostacionarnim satelitskim sistemima u drugim službama. Odredbe člana 22.2 nastavit će se primjenjivati za negeostacionarne satelitske sisteme. (WRC-19)
5.551H Ekvivalentna gustina toka snage (e. p. f. d.) koja je proizvedena, u opsegu 42.5‒43.5 GHz od svih svemirskih stanica u bilo kojem negeostacionarnom satelitskom sistemu u fiksnoj satelitskoj službi (svemir ‒ Zemlja) ili u radiodifuznoj satelitskoj službi (svemir ‒ Zemlja) koja radi u opsegu 42‒42.5 GHz neće prelaziti sljedeće vrijednosti na mjestu radioastronomskih stanica za više od 2% vremena:
- - 230 dB (W/m²) u 1 GHz i ‒ 246 dB (W/m²) u bilo kojih 500 kHz opsega 42.5‒43.5 GHz na lokaciji bilo koje radioastronomske stanice registrirane na teleskopu s jednom paraboličnom antenom; i
- - 209 dB (W/m²) u bilo kojih 500 kHz opsega 42.5‒43.5 GHz na lokaciji bilo koje radioastronomske stanice registrirane kao vrlo duga osnovna linija interferometarske stanice.
Ove e. p. f. d. vrijednosti bit će procijenjene korištenjem metodologije date u Preporuci ITU-R S. 1586-1 i preporučenim modelom antene s maksimalnim dobitkom antene u radioastronomskoj službi datim u Preporuci ITU-R RA. 1631-0 i primjenjivat će se preko cijelog neba i za elevacione uglove veće od minimalnog radnog ugla radioteleskopa θ
min (za koji će definirana vrijednost od 5° biti usvojena u nedostatku prijavljene informacije).
Ove vrijednosti će se primjenjivati u bilo kojoj radioastronomskoj stanici:
- koja je bila u funkciji prije 5. jula 2003. godine i koja će biti prijavljena u ITU prije 4. januara 2004. godine; ili
- koja je bila prijavljena prije dana prijema kompletne informacije o koordinaciji ili notifikaciji Dodatka 4 za odgovarajuće svemirske stanice čija je upotreba ograničena.
Druge radioastronomske stanice prijavljene poslije ovih datuma moraju tražiti saglasnost od administracija koje imaju odobrene svemirske stanice. U Regionu 2 primjenjuje se Rezolucija 743 (WRC-03). Ograničenja u ovoj napomeni mogu biti prevaziđena na lokaciji radioastronomske stanice bilo koje države čija se administracija složi. (WRC-23)
5.551I Gustina toka snage u opsegu 42.5‒43.5 GHz proizvedena od bilo koje geostacionarne svemirske stanice u fiksnoj satelitskoj službi (svemir ‒ Zemlja), ili radiodifuznoj satelitskoj službi (svemir ‒ Zemlja) koja radi u opsegu 42‒42.5 GHz, neće prelaziti sljedeće vrijednosti na mjestu bilo koje radioastronomske stanice:
- - 137 dB (W/m²) u 1 GHz i ‒ 153 dB (W/m²) u bilo kojih 500 kHz u opsegu 42.5‒43.5 GHz, na mjestu bilo koje radioastronomske stanice registrirane kao teleskop s jednom paraboličnom antenom; i
- - 116 dB (W/m²) u bilo kojih 500 kHz u opsegu 42.5‒43.5 GHz na mjestu bilo koje radioastronomske stanice registrirane kao vrlo duga osnovna linija interferometarske stanice.
Ove vrijednosti će se primjenjivati na lokaciji bilo koje radioastronomske stanice:
- koja je bila u funkciji prije 5. jula 2003. godine i koja će biti prijavljena u ITU prije 4. januara 2004. godine; ili
- koja je bila prijavljena prije dana prijema kompletne informacije o koordinaciji ili notifikaciji Dodatka 4 za odgovarajuće svemirske stanice čija je upotreba ograničena.
Druge radioastronomske stanice prijavljene poslije ovih datuma moraju tražiti saglasnost od administracija koje imaju odobrene svemirske stanice. U Regionu 2 primjenjuje se Rezolucija 743 (WRC-03). Ograničenja u ovoj napomeni mogu biti prevaziđena na lokaciji radioastronomske stanice bilo koje države čija se administracija složi. (WRC-03)
5.552 Namjena spektra za fiksnu satelitsku službu u opsezima 42.5‒43.5 GHz i 47.2‒50.2 GHz za prijenose Zemlja ‒ svemir veća je od onog u opsegu 37.5‒39.5 GHz za prijenose svemir ‒ Zemlja, kako bi se linkovi za napajanje prilagodili satelitima za radiodifuziju. Od administracija se zahtijeva da poduzmu sve praktične korake da frekvencijski opseg 47.2‒49.2 GHz rezerviraju za linkove za napajanje u satelitskoj službi radiodifuzije koja radi u frekvencijskom opsegu 40.5‒42.5 GHz.
5.552A Frekvencijski opsezi 47.2‒47.5 GHz i 47.9‒48.2 GHz namijenjeni fiksnim službama koriste se od strane stanica na visokom platformama (HAPS). Ova identifikacija ne isključuje korištenje ovog frekvencijskog opsega bilo kojom primjenom službi kojima je dodijeljen na koprimarnoj osnovi i ne utvrđuje prioritet u ITU Radio pravilniku. Korištenje frekvencijskih opsega 47.2‒47.5 GHz i 47.9‒48.2 GHz od strane HAPS-a predmet je odredaba Rezolucije 122 (Rev. WRC-19). (WRC-19)
5.553 U frekvencijskim opsezima 43.5‒47 GHz i 66‒71 GHz, stanice u zemaljskoj mobilnoj službi mogu raditi ne uzrokujući štetne smetnje službama svemirskih radiokomunikacija za koje su ovi frekvencijski opsezi namijenjeni (vidjeti odredbe člana 5.43 ITU Radio pravilnika). (WRC-2000)
5.554 Frekvencijski opsezi 43.5‒47 GHz, 66‒71 GHz, 95‒100 GHz, 123‒130 GHz, 191.8‒200 GHz i 252‒265 GHz odobreni su za satelitske linkove koji povezuju zemaljske stanice na određenim fiksnim tačkama onda kada se ti linkovi koriste zajedno s mobilnom satelitskom službom ili radionavigacijskom satelitskom službom. (WRC-2000)
5.554A Korištenje opsega 47.5‒47.9 GHz, 48.2‒48.54 GHz i 49.44‒50.2 GHz od strane fiksne satelitske službe (svemir ‒ Zemlja) ograničeno je na geostacionarne satelite. (WRC-03)
5.555 Dodatna namjena: Frekvencijski opseg 48.94‒49.04 GHz također je namijenjen radioastronomskoj službi na primarnoj osnovi. (WRC-2000)
5.555B Gustina toka snage u opsegu 48.94‒49.04 GHz proizvedena od bilo koje geostacionarne svemirske stanice u fiksnoj satelitskoj službi (svemir ‒ Zemlja) koja radi u opsezima 48.2‒48.54 GHz i 49.44‒50.20 GHz neće preći vrijednost od ‒ 151.8 dB (W/m²) u bilo kojem opsegu širine 500 kHz na lokaciji bilo koje radioastronomske stanice. (WRC-03)
5.555C Korištenje frekvencijskog opsega 51.4‒52.4 GHz od strane fiksne satelitske službe (Zemlja ‒ svemir) ograničeno je na geostacionarne satelitske mreže. Zemaljske stanice bit će ograničene na pristupne zemaljske stanice s minimalnim prečnikom antene od 2,4 metra. (WRC-19)
5.556 U frekvencijskim opsezima 51.4‒54.25 GHz, 58.2‒59 GHz i 64‒65 GHz mogu se izvoditi radioastronomska posmatranja na način kako to urede administracije. (WRC-2000)
5.556A Korištenje frekvencijskih opsega 54.25‒56.9 GHz, 57‒58.2 GHz i 59‒59.3 GHz od strane međusatelitske službe ograničeno je na satelite u geostacionarnoj satelitskoj orbiti. Jedinična vrijednost gustine toka snage na svim visinama od 0 km do 1000 km iznad Zemljine površine koja nastaje od stanica u međusatelitskoj službi, za sve uslove i sve vrste modulacije, neće prelaziti ‒ 147 dB (W/m² · 100 MHz) za sve upadne uglove. (WRC-97)
5.557A U frekvencijskom opsegu 55.78‒56.26 GHz, u svrhu zaštite stanica u satelitskoj službi istraživanja Zemlje (pasivno), najveća gustina snage koju predajnik zrači prema anteni neke stanice fiksne službe ograničena je na ‒ 26 dB (W/MHz). (WRC-2000)
5.558 U frekvencijskim opsezima 55.78‒58.2 GHz, 59‒64 GHz, 66‒71 GHz, 122.25‒123 GHz, 130‒134 GHz, 167‒174.8 GHz i 191.8‒200 GHz, stanice u vazduhoplovnoj mobilnoj službi mogu raditi pod uslovom da ne uzrokuju štetne smetnje međusatelitskoj službi (vidjeti odredbe člana 5.43. ITU Radio pravilnika). (WRC-2000)
5.558A Korištenje frekvencijskog opsega 56.9‒57 GHz od strane međusatelitskih sistema ograničeno je na linkove između satelita na geostacionarnoj satelitskoj orbiti i prijenose od negeostacionarnih satelita na visokoj orbiti do onih na niskoj orbiti. Za linkove između satelita na geostacionarnoj satelitskoj orbiti, jedinična vrijednost gustine toka snage na svim visinama od 0 km do 1000 km iznad Zemljine površine, za sve uslove i sve vrste modulacije, neće prelaziti ‒ 147 dB (W/(m² · 100 MHz)) za sve upadne uglove. (WRC-97)
5.559 U frekvencijskom opsegu 59‒64 GHz, radari u vazduhoplovima u radiolokacijskoj službi mogu raditi pod uslovom da ne uzrokuju štetne smetnje međusatelitskoj službi (vidjeti odredbe člana 5.43. ITU Radio pravilnika). (WRC-2000)
5.559AA Frekvencijski opseg 66‒71 GHz identificiran je za upotrebu od strane administracija koje žele implementirati zemaljsku komponentu međunarodnih mobilnih telekomunikacija (IMT). Ova identifikacija ne isključuje korištenje ovog frekvencijskog opsega bilo kojom primjenom službi kojima je ovaj frekvencijski opseg namijenjen i ne utvrđuje prioritet u ITU Radio pravilniku. Primjenjuje se Rezolucija 241 (Rev. WRC-23). (WRC-23)
5.559B Korištenje opsega 77.5‒78 GHz od strane radiolokacijske službe ograničeno je na radare na zemlji, uključujući automatske radare. Tehničke karakteristike ovih radara date su u najnovijoj verziji preporuke ITU-R M. 2057. Odredba iz člana 4.10 ITU Radio pravilnika se neće primjenjivati. (WRC-15)
5.560 U frekvencijskom opsegu 78‒79 GHz radari smješteni na svemirskim stanicama mogu raditi na primarnoj osnovi u službi satelitskog istraživanja Zemlje i u službi istraživanja svemira.
5. 561 U frekvencijskom opsegu 74‒76 GHz radiostanice u fiksnoj, mobilnoj i službi radiodifuzije neće uzrokovati štetne smetnje stanicama službe satelitske radiodifuzije koje rade u skladu s odlukama konferencije koja planira dodjelu odgovarajućih frekvencija za službu satelitske radiodifuzije. (WRC-2000)
5.561A Opseg 81‒81.5 GHz također je namijenjen za amaterske i amaterske satelitske službe na sekundarnoj osnovi. (WRC-2000)
5.562 Korištenje frekvencijskog opsega 94‒94.1 GHz od strane službe satelitskog istraživanja Zemlje (aktivno) i službe istraživanja svemira (aktivno) ograničeno je na svemirske radare za osmatranje oblačnosti. (WRC-97)
5.562A U frekvencijskim opsezima 94‒94.1 GHz i 130‒134 GHz, prijenosi od svemirskih stanica satelitske službe istraživanja Zemlje (aktivno), koji su usmjereni u glavni snop radioastronomske antene mogu oštetiti neke radioastronomske prijemnike. Svemirske agencije koje upravljaju takvim predajnicima i stanice radioastronomije kojih se to tiče, trebaju zajednički planirati njihov rad tako da se takve pojave izbjegnu u najvećoj mogućoj mjeri. (WRC-2000)
5.562B U frekvencijskim opsezima 105‒109.5 GHz, 111.8‒114.25 GHz i 217‒226 GHz korištenje je ograničeno samo na svemirsku radioastronomiju. (WRC-19)
5.562C Korištenje opsega 116‒122.25 GHz u međusatelitskoj službi ograničeno je na satelite u geostacionarnoj satelitskoj orbiti. Jednokratna gustina toka snage koju proizvodi stanica u međusatelitskoj službi, za sve uslove i za sve metode modulacije, na svim visinama od 0 km do 1000 km iznad površine Zemlje i u blizini svih geostacionarnih orbitalnih pozicija zauzetih pasivnim senzorima ne smije biti veća od ‒ 148 dB (W/(m² ∙ MHz)) za sve upadne uglove. (WRC-2000)
5.562E Dodjela satelitskoj službi istraživanja Zemlje (aktivno) ograničena je na opseg 133.5‒134 GHz. (WRC-2000)
5.562H Korištenje frekvencijskih opsega 174.8‒182 GHz i 185‒190 GHz u međusatelitskoj službi ograničeno je na satelite u geostacionarnoj satelitskoj orbiti. Jednokratna gustina toka snage, koju proizvede stanica u međusatelitskoj službi, za sve uslove i za sve metode modulacije, pri svim visinama od 0 km do 1000 km iznad površine Zemlje i u blizini svih geostacionarnih orbitalnih pozicija zauzetih pasivnim senzorima, ne smije biti veća od ‒ 144 dB (W/(m² ∙ MHz)) za sve upadne uglove. (WRC-2000)
5.563A U frekvencijskim opsezima 200‒209 GHz, 235‒238 GHz, 250‒252 GHz i 265‒275 GHz, u atmosferu se lansiraju zemaljski uređaji za pasivno posmatranje atmosfere da bi pokazali atmosferski sastav. (WRC-2000)
5.563AA U frekvencijskom opsegu 235‒238 GHz, stanice u satelitskoj službi istraživanja Zemlje (pasivno) ne smiju zahtijevati zaštitu od stanica u fiksnim i mobilnim službama. (WRC-23)
5.563B Radiofrekvencijski opseg 237.9‒238 GHz također je namijenjen za službu satelitskog istraživanja Zemlje (aktivno) za radare na svemirskim letjelicama za posmatranje oblačnosti. (WRC-2000)
5.564A Za rad aplikacija fiksnih i kopnenih mobilnih službi u frekvencijskim opsezima u rasponu 275‒450 GHz:
Frekvencijski opsezi 275‒296 GHz, 306‒313 GHz, 318‒333 GHz i 356‒450 GHz identificirani su za upotrebu od strane administracija za implementaciju kopnenih mobilnih i fiksnih službi, u kojima nisu potrebni posebni uslovi za zaštitu aplikacija službe satelitskog istraživanja Zemlje.
Frekvencijski opsezi 296‒306 GHz, 313‒318 GHz i 333‒356 GHz mogu se koristiti samo za aplikacije fiksnih i kopnenih mobilnih službi kada se utvrđuju posebni uslovi za osiguravanje zaštite (pasivnih) aplikacija službe satelitskog istraživanja Zemlje. Rezolucija 731 (Rev. WRC-23).
U onim dijelovima frekvencijskog opsega 275‒450 GHz u kojem se koriste radioastronomske aplikacije, specifični uslovi (npr. minimalne udaljenosti razdvajanja i/ili uglovi izbjegavanja) mogu biti potrebni kako bi se obezbijedila zaštita radioastronomskih lokacija od kopnenih mobilnih i/ili fiksnih službi, od slučaja do slučaja, u skladu s Rezolucijom 731 (Rev. WRC-23).
Korištenje gore navedenih frekvencijskih opsega od strane aplikacija kopnenih mobilnih i fiksnih službi ne isključuje korištenje i ne uspostavlja prioritet nad bilo kojom drugom primjenom radijskih usluga u opsegu 275‒450 GHz. (WRC-23)
5.565 Sljedeći frekvencijski opsezi u rasponu od 275‒1000 GHz određeni su za primjene pasivnih službi:
- radioastronomska služba: 275‒323 GHz, 327‒371 GHz, 388‒424 GHz, 426‒442 GHz, 453‒510 GHz, 623‒711 GHz, 795‒909 GHz i 926‒945 GHz;
- služba satelitskog istraživanja Zemlje (pasivno) i služba istraživanja svemira (pasivno): 275‒286 GHz, 296‒306 GHz, 313‒356 GHz, 361‒365 GHz, 369‒392 GHz, 397‒399 GHz, 409‒411 GHz, 416‒434 GHz, 439‒467 GHz, 477‒502 GHz, 523‒527 GHz, 538‒581 GHz, 611‒630 GHz, 634‒654 GHz, 657‒692 GHz, 713‒718 GHz, 729‒733 GHz, 750‒754 GHz, 771‒776 GHz, 823‒846 GHz, 850‒854 GHz, 857‒862 GHz, 866‒882 GHz, 905‒928 GHz, 951‒956 GHz, 968‒973 GHz i 985‒990 GHz.
Korištenje opsega iz raspona 275‒1000 GHz od strane pasivnih službi ne sprječava njegovo korištenje od strane aktivnih službi. Administracijama koje žele omogućiti korištenje opsega iz raspona 275‒1000 GHz od strane aktivnih službi preporučuje se da poduzmu sve moguće mjere da zaštite pasivne službe od štetne smetnje sve dok se ne utvrdi tabela namjene za spomenuti opseg. Sve frekvencije unutar opsega 1000‒3000 GHz mogu koristiti i pasivne i aktivne službe. (WRC-12)
DIO IV – LISTA PROPISA KORIŠTENIH U PLANU NAMJENE I KORIŠTENJA RADIOFREKVENCIJA U BOSNI I HERCEGOVINI
ECC/DEC/(24)01 Harmonizirani tehnički uslovi za zajedničko korištenje frekvencijskijskog opsega 3800‒4200 MHz od strane zemaljskih bežičnih širokopojasnih sistema niske/srednje snage (WBB LMP), koji omogućava povezivanje na lokalnu mrežu
ECC/DEC/(23)01 Odluka o korištenju frekvencijskog opsega 40.5‒42.5 GHz od strane zemaljskih stanica u fiksnoj satelitskoj službi (svemir ‒ Zemlja) i radiodifuznoj satelitskoj službi i o korištenju opsega 42.5‒43.5 GHz od strane zemaljskih stanica u fiksnoj satelitskoj službi (Zemlja ‒ svemir)
ECC/DEC/(22)07 Harmonizirani tehnički uslovi za korištenje korisničke opreme u vazduhoplovu za komunikaciju zasnovanu na LTE i 5G NR u frekvencijskim opsezima 703‒733 MHz, 832‒862 MHz, 880‒915 MHz, 1710‒1785 MHz, 1920‒1980 MHz, 2500‒2570 MHz i 2570‒2620 MHz,usklađeno za MFCN
ECC/DEC/(22)06 Harmonizirani tehnički uslovi za mobilne/fiksne komunikacijske mreže (MFCN) u frekvencijskom opsegu 40.5‒43.5 GHz
ECC/DEC/(22)03 Tehničke karakteristike, izuzeće od individualnog licenciranja, slobodna cirkulacija i korištenje specifičnih radiodeterminacijskih aplikacija u frekvencijskom opsegu 116‒260 GHz
ECC/DEC/(22)02 Regulacija rada autonomnih pomorskih radiouređaja (AMRD) u CEPT-u
ECC/DEC/(22)01 Korištenje i slobodna cirkulacija terminala mobilnih/fiksnih komunikacijskih (MFCN) mreža koji rade pod kontrolom zemaljskih mreža
ECC/DEC/(21)02 Harmonizirani frekvencijski opseg 76‒77 GHz, tehničke karakteristike, izuzeće od individualnog licenciranja, slobodna cirkulacija i korištenje High Definition Ground Based Synthetic Aperture Radara (HD-GBSAR)
ECC/DEC/(21)01 Korištenje opsega 47.2‒50.2 GHz i 50.4‒52.4 GHz od strane fiksne satelitske službe (Zemlja – svemir)
ECC/DEC/(20)02 Harmonizirano korištenje uparenih frekvencijskih opsega 874.4‒880.0 MHz i 919.4‒925.0 MHz i neuparenog frekvencijskog opsega 1900‒1910 MHz za mobilni radio na željeznicama (RMR)
ECC/DEC/(20)01 Harmonizirano korištenje frekvencijskog opsega 5945‒6425 MHz za bežične pristupne sisteme, uključujući lokalne radiomreže (WAS/RLAN)
ECC/DEC/(19)04 Harmonizirano korištenje spektra, slobodna cirkulacija i korištenje zemaljskih stanica u avionu koje rade s GSO FSS mrežama i NGSO FSS sistemima u frekvencijskim opsezima 12.75‒13.25 GHz (Zemlja ‒ svemir) i 10.7‒12.75 GHz (svemir ‒ Zemlja)
ECC/DEC/(19)03 Harmonizirano korištenje kanala iz Dodatka 18 ITU Radio pravilnika (predajne frekvencije u VHF pomorskom mobilnom opsegu)
ECC/DEC/(19)02 Kopneni mobilni sistemi u frekvencijskim opsezima 68‒87.5 MHz, 146‒174 MHz, 406.1‒410 MHz, 410‒430 MHz, 440‒450 MHz i 450‒470 MHz
ECC/DEC/(18)06 Harmonizirani tehnički uslovi za mobilne/fiksne komunikacijske mreže (MFCN) u frekvencijskom opsegu 24.25‒27.5 GHz
ECC/DEC/(18)05 Harmonizirano korištenje, izuzeće od individualnog licenciranja i slobodna cirkulacija i korištenje zemaljskih stanica u pokretu (ESIM), koje rade s NGSO FSS satelitskim sistemima u frekvencijskim opsezima 10.7‒12.75 GHz i 14.0‒14.5 GHz
ECC/DEC/(18)04 Harmonizirano korištenje, izuzeće od individualnog licenciranja i slobodna cirkulacija i korištenje zemaljskih stanica u pokretu (ESIM), koje se nalaze na tlu i koje rade s GSO FSS satelitskim sistemima u frekvencijskim opsezima 10.7‒12.75 GHz i 14.0‒14.5 GHz
ECC/DEC/(17)06 Harmonizirano korištenje frekvencijskih opsega 1427‒1452 MHz i 1492‒1518 MHz za dodatni downlink mobilne/fiksne komunikacijske mreže (MFCN SDL)
ECC/DEC/(17)04 Harmonizirano korištenje i izuzeće od individualnog licenciranja fiksnih zemaljskih stanica koje rade s NGSO FSS satelitskim sistemima u frekvencijskim opsezima 10.70‒12.75 GHz i 14.00‒14.50 GHz
ECC/DEC/(16)02 Harmonizirani tehnički uslovi i radiofrekvencijski opsezi za implementaciju širokopojasnih sistema za zaštitu javnosti i pomoć u slučajevima nesreća (BB-PPDR)
ECC/DEC/(16)01 Harmonizirani frekvencijski opseg 76‒77 GHz, tehničke karakteristike, izuzeće od individualnog licenciranja i slobodni protok i upotreba radara za detekciju prepreka koji se koriste kod rotacionih letjelica
ECC/DEC/(15)05 Harmonizirani frekvencijski opseg 446.0‒446.2 MHz, tehničke karakteristike, izuzeće od individualnog licenciranja i slobodni protok i upotreba analognih i digitalnih PMR 446 aplikacija
ECC/DEC/(15)04 Harmonizirano korištenje, slobodna cirkulacija i izuzeće od licenciranja za kopnene i pomorske zemaljske stanice na mobilnim platformama (ESOMPs), koje rade s NGSO FSS satelitskim sistemima u frekvencijskim opsezima 17.3‒20.2 GHz, 27.5‒29.1 GHz i 29.5‒30.0 GHz
ECC/DEC/(15)01 Harmonizirani tehnički uslovi za mobilne/fiksne komunikacijske mreže (MFCN) u opsegu 694‒790 MHz, uključujući upareni frekvencijski raspored (dupleks s frekvencijskom raspodjelom kanala 2 x 30 MHz) i opciono neupareni frekvencijski raspored (dodatni downlink)
ECC/DEC/(14)02 Harmonizirani tehnički i regulatorni uslovi za korištenje opsega 2300‒2400 MHz za mobilne/fiksne komunikacijske mreže (MFCN)
ECC/DEC/(13)03 Harmonizirano korištenje frekvencijskog opsega 1452‒1492 MHz za dodatni downlink mobilnih/fiksnih komunikacijskih mreža (MFCN SDL)
ECC/DEC/(13)01 Korištenje, slobodna cirkulacija i izuzeće od individualnog licenciranja zemaljskih stanica na mobilnim platformama (ESOMPs) u frekvencijskim opsezima 17,3‒20,2 GHz i 27,5‒30 GHz koji su namijenjeni za korištenje od strane nekoordiniranih zemaljskih stanica fiksne satelitske službe
ECC/DEC/(12)03 Harmonizirani uslovi za UWB aplikacije u vazduhoplovima
ECC/DEC/(12)01 Izuzeće od individualnog licenciranja, slobodna cirkulacija i korištenje satelitskih mobilnih terminala koji rade pod kontrolom mreže u opsegu od 1 do 3 GHz
ECC/DEC/(11)06 Harmonizirani frekvencijski raspored za mobilne/fiksne komunikacijske mreže (MFCN) u opsezima 3400‒3600 MHz i 3600‒3800 MHz
ECC/DEC/(11)03 Harmonizirano korištenje frekvencija za radioopremu u građanskom opsegu CB (Citizen Band)
ECC/DEC/(11)02 Industrijski radari za sondiranje nivoa koji rade na frekvencijskim opsezima 6‒8.5 GHz, 24.05‒26.5 GHz, 57‒64 GHz i 75‒85 GHz
ECC/DEC/(11)01 Zaštita službe satelitskog istraživanja Zemlje (pasivno) u opsegu 1400‒1427 MHz
ECC/DEC/(10)02 Kompatibilnost između fiksne satelitske službe u opsegu 30‒31 GHz i službe satelitskog istraživanja Zemlje (pasivno) u opsegu 31.3‒31.5 GHz
ECC/DEC/(10)01 Uslovi zajedničkog korištenja opsega 10,6‒10,68 GHz od strane fiksne službe, mobilne službe i službe satelitskog istraživanja Zemlje (pasivno)
ECC/DEC/(09)04 Izuzeće od individualnog licenciranja, slobodna cirkulacija i korištenje predajnih mobilnih satelitskih terminala koji rade u mobilnoj satelitskoj službi u opsegu 1613.8‒1626.5 MHz
ECC/DEC/(09)03 Harmonizirani uslovi za mobilne/fiksne komunikacijske mreže koje rade u opsegu 790‒862 MHz
ECC/DEC/(09)02 Harmonizacija opsega 1610‒1626.5 MHz i 2483.5‒2500 MHz za korištenje sistema u mobilnoj satelitskoj službi
ECC/DEC/(09)01 Harmonizirano korištenje opsega 63‒64 GHz za inteligentne transportne sisteme (ITS)
ECC/DEC/(08)08 Harmonizirano korištenje GSM sistema u opsezima 900 MHz i 1800 MHz, UMTS sistema u opsegu 2 GHz i LTE i 5G NR non-AAS sistema u opsezima 1800 MHz i 2.6 GHz (FDD) na plovilima
ECC/DEC/(08)05 Harmonizacija frekvencijskih opsega za implementaciju aplikacija za zaštitu javnosti i pomoć u slučajevima nesreća (PPDR) u opsegu 380‒470 MHz
ECC/DEC/(08)01 Harmonizacija korištenja frekvencijskog opsega 5875‒5925 MHz za inteligentne transportne sisteme (ITS)
ECC/DEC/(06)13 Harmonizirani tehnički uslovi za mobilne/fiksne komunikacijske mreže (MFCN), uključujući zemaljske IMT sisteme osim GSM i EC-GSM IoT u opsezima 880‒915 MHz, 925‒960 MHz, 1710‒1785 MHz i 1805‒1880 MHz
ECC/DEC/(06)10 Prijelazne raspodjele za fiksne servise i taktičke radiorelejne sisteme u opsezima 1980‒2010 MHz i 2170‒2200 MHz u cilju olakšavanja harmoniziranog uvođenja i razvoja sistema mobilne satelitske službe, uključujući sisteme koji su dopunjeni zemaljskom komplementarnom komponentom
ECC/DEC/(06)09 Određivanje opsega 1980‒2010 MHz i 2170‒2200 MHz za korištenje od strane mobilne satelitske službe, uključujući one koji su dopunjeni zemaljskom komplementarnom komponentom (CGC)
ECC/DEC/(06)07 Harmonizirano korištenje GSM i LTE sistema u frekvencijskim opsezima 1710‒1785 i 1805‒1880 MHz i UMTS sistema u frekvencijskim opsezima 1920‒1980 MHz i 2110‒2170 MHz na vazduhoplovima
ECC/DEC/(06)05 Harmonizirani frekvencijski opsezi koji će se dodijeliti za operacije zrak ‒ Zemlja ‒ zrak (AGA) digitalnih kopnenih mobilnih sistema za hitne službe
ECC/DEC/(06)04 Harmonizirani uslovi za uređaje koji koriste ultraširokopojasnu tehnologiju u opsezima ispod 10.6 GHz
ECC/DEC/(06)03 Izuzeće od individualnog licenciranja satelitskih terminala s visokim e. i. r. p.-om (HEST), koji rade s geostacionarnim satelitima i u frekvencijskim opsezima 10.70‒12.75 GHz ili 19.70‒20.20 GHz svemir ‒ Zemlja i 14.00‒14.25 GHz ili 29.50‒30.00 GHz Zemlja ‒ svemir
ECC/DEC/(06)01 Harmonizirana upotreba opsega 1920‒1980 MHz i 2110‒2170 MHz za mobilne/fiksne komunikacijske mreže (MFCN), uključujući zemaljske IMT sisteme
ECC/DEC/(05)11 Slobodna cirkulacija i korištenje zemaljskih vazduhoplovnih stanica (AES) u frekvencijskim opsezima 14‒14.5 GHz (Zemlja ‒ svemir), 10.7‒11.7GHz (svemir ‒ Zemlja) i 12.5‒12.75 GHz (svemir ‒ Zemlja)
ECC/DEC/(05)10 Slobodna cirkulacija i korištenje zemaljskih stanica na plovilima koje rade u mrežama fiksne satelitske službe u frekvencijskim opsezima 14‒14.5 GHz (Zemlja ‒ svemir), 10.7‒11.7 GHz (svemir ‒ Zemlja) i 12.5‒12.75 GHz (svemir ‒ Zemlja)
ECC/DEC/(05)09 Slobodna cirkulacija i korištenje zemaljskih stanica na plovilima koje rade u mrežama fiksne satelitske službe u frekvencijskim opsezima 5925‒6425 MHz (Zemlja ‒ svemir) i 3700‒4200 MHz (svemir ‒ Zemlja)
ECC/DEC/(05)08 Raspoloživost frekvencijskih opsega za aplikacije visoke gustine u fiksnoj satelitskoj službi (svemir ‒ Zemlja i Zemlja ‒ svemir)
ECC/DEC/(05)05 Harmonizirano korištenje spektra za mobilne/fiksne komunikacijske mreže (MFCN), koje rade u opsegu 2500‒2690 MHz
ECC/DEC/(05)02 Harmonizirani frekvencijski plan za korištenje opsega 169.4‒169.8125 MHz
ECC/DEC/(05)01 Korištenje opsega 27.5‒29.5 GHz od strane fiksne službe i nekoordiniranih zemaljskih stanica fiksne satelitske službe (Zemlja ‒ svemir)
ECC/DEC/(04)10 Frekvencijski opsezi koji će biti određeni za privremeno uvođenje radara kratkog dometa na motornim vozilima (SRR)
ECC/DEC/(04)09 Određivanje opsega 1518‒1525 MHz i 1670‒1675 MHz za mobilnu satelitsku službu
ECC/DEC/(04)08 Harmonizirano korištenje frekvencijskog opsega 5 GHz za implementaciju bežičnih pristupnih sistema, uključujući radijske lokalne mreže (WAS/RLANs)
ECC/DEC/(04)03 Frekvencijski opseg 77‒81 GHz koji će biti određen za korištenje radara kratkog dometa na motornim vozilima
ECC/DEC/(03)04 Izuzeće od individualnog licenciranja satelitskih terminalnih stanica s malom antenom (VSAT), koje rade u frekvencijskim opsezima 14.25‒14.50 GHz (Zemlja ‒ svemir) i 10.70‒11.70 GHz (svemir ‒ Zemlja)
ERC/DEC/(99)26 Izuzeće od individualnog licenciranja prijemnih zemaljskih satelitskih stanica Receive Only Earth Stations (ROES)
ERC/DEC/(99)06 Harmonizirano uvođenje satelitskih personalnih komunikacijskih sistema koji rade u opsezima ispod 1 GHz (S-PCS < 1 GHz)
ERC/DEC/(99)05 Slobodna cirkulacija, korištenje i izuzeće od individualnog licenciranja mobilnih zemaljskih stanica (S-PCS < 1 GHz)
ERC/DEC/(98)22 Izuzeće od individualnog licenciranja, slobodna cirkulacija i korištenje DECT opreme
ERC/DEC/(97)02 Prošireni frekvencijski opsezi koji će se koristiti za GSM digitalni panevropski komunikacijski sistem
ERC/DEC/(95)03 Frekvencijski opsezi namijenjeni za uvođenje DCS 1800
ERC/DEC/(94)03 Frekvencijski opsezi namijenjeni za koordinirano uvođenje digitalnih evropskih bežičnih telekomunikacijskih sistema
ERC/DEC/(94)01 Frekvencijski opsezi namijenjeni za koordinirano uvođenje GSM panevropskog komunikacijskog sistema
ERC/DEC/(01)19 Harmonizirani frekvencijski opsezi namijenjeni za direktni način rada DMO-a u digitalnim kopnenim mobilnim sistemima za hitne službe
ERC/DEC/(01)17 Harmonizirane frekvencije, tehničke karakteristike i izuzeće od individualnog licenciranja za aktivne medicinske implantante ultraniske snage (ULP-AMI) u opsegu 401‒406 MHz, na sekundarnoj osnovi
ERC/DEC/(01)12 Harmonizirane frekvencije, tehničke karakteristike i izuzeće od individualnog licenciranja za uređaje kratkog dometa koji se koriste za daljinsko upravljanje modelima, a koji rade na frekvencijama 40.665, 40.675, 40.685 i 40.695 MHz
ERC/DEC/(01)11 Harmonizirane frekvencije, tehničke karakteristike i izuzeće od individualnog licenciranja za uređaje kratkog dometa koji se koriste za daljinsko upravljanje letećim modelima u opsegu 34.995‒35.225 MHz
ERC/DEC/(00)08 Korištenje opsega 10.7‒12.5 GHz od strane fiksne službe i zemaljskih stanica u radiodifuznoj satelitskoj službi i fiksnoj satelitskoj službi (svemir – Zemlja)
ERC/DEC/(00)07 Zajedničko korištenje opsega 17.7–19.7 GHz za fiksnu službu i zemaljske stanice fiksne satelitske službe (svemir ‒ Zemlja)
ERC/DEC/(00)02 Korištenje opsega 37.5–39.5 GHz za fiksnu službu i zemaljske stanice fiksne satelitske službe (svemir ‒ Zemlja) i korištenje opsega 39.5‒40-5 GHz za zemaljske stanice fiksne satelitske službe i mobilne satelitske službe (svemir ‒ Zemlja)
ECC/REC/(24)03 Licenciranje zemaljskih stanica za praćenje, telemetriju i telekomandu u svemiru u frekvencijskim opsezima 2025‒2110 MHz (Zemlja ‒ svemir) i 2200‒2290 MHz (svemir ‒ Zemlja)
ECC/REC/(24)02 Smjernice za korištenje državnih bespilotnih vazduhoplovnih sistema (UAS), koje rade u frekvencijskim opsezima 1880‒1900 MHz i 1910‒1920 MHz
ECC/REC/(23)02 Pogranična koordinacija za mobilne/fiksne komunikacijske mreže (MFCN) u frekvencijskom opsegu 24.25‒27.5 GHz
ECC/REC/(23)01 Pogranična koordinacija za mobilni radio na željeznicama (RMR) u TDD frekvencijskom opsegu 1900‒1910 MHz
ECC/REC/(22)02 Smjernice za mjerenje određivanja kompatibilnosti između MFCN-a koji radi u opsegu 40.5‒43.5 GHz i prijemnih zemaljskih FSS stanica u opsegu 39.5‒40.5 GHz i sprječavanje i/ili rješavanje interferencija
ECC/REC/(22)01 Smjernice za podržavanje uvođenja MFCN mreža u opsegu 40.5‒43.5 GHz, dok se istovremeno obezbijedi odgovarajući način korištenja FSS prijemnih zemaljskih stanica u frekvencijskom opsegu 40.5‒42.5 GHz i korištenje predajnih FSS zemaljskih stanica u frekvencijskom opsegu 42.5‒43.5 GHz i mogućnost budućeg postavljanja ovih zemaljskih stanica
ECC/REC/(21)02 Smjernice o primjeni najmanje restriktivnih tehničkih uslova (LRTC ‒ Least Restrictive Technical Conditions) u Odluci ECC-a (11)06 kako bi se obezbijedila zaštita vojnih radiolokacijskih sistema koji rade ispod 3400 MHz. Zaštita se obezbjeđuje od unutrašnjih non-AAS malih ćelija koje rade u opsegu 3400‒3800 MHz
ECC/REC/(20)03 Okvirna struktura za olakšanu pograničnu koordinaciju TDD MFCN-a u frekvencijskom opsegu 3400‒3800 MHz
ECC/REC/(20)01 Smjernice za podršku uvođenju 5G uz obezbjeđivanje korištenja postojećih i planiranih FSS zemaljskih stanica na proporcionalan način, koje emitiraju u frekvencijskom opsegu 24.65‒25.25 GHz i mogućnost budućeg postavljanja ovih zemaljskih stanica
ECC/REC/(19)01 Tehnički alati za podršku uvođenju 5G, istovremeno obezbjeđujući, na proporcionalan način, korištenje postojećih i planiranih EESS/SRS prijemnih zemaljskih stanica u opsegu 26 GHz i mogućnost budućeg postavljanja ovih zemaljskih stanica
ECC/REC/(18)02 Radiofrekvencijski kanalni/blokovski raspored za sisteme fiksne službe koji rade u opsezima 92‒94 GHz, 94.1‒100 GHz, 102‒109.5 GHz i 111.8‒114.25 GHz
ECC/REC/(18)01 Radiofrekvencijski kanalni/blokovski raspored za sisteme fiksne službe koji rade u opsezima 130‒134 GHz, 141‒148.5 GHz, 151.5‒164 GHz i 167‒174.8 GHz
ECC/REC/(17)03 Smjernice za harmonizirano korištenje i koordinaciju za pomorske širokopojasne radiosisteme (MBR) na brodovima i platformama u blizini obale koji rade u frekvencijskim opsezima 5852‒5872 MHz i 5880‒5900 MHz
ECC/REC/(16)03 Pogranična koordinacija za širokopojasne sisteme civilne zaštite i pomoć kod nesreća PPDR (BB-PPDR) u frekvencijskom opsegu od 698 do 791 MHz
ECC/REC/(15)04 Smjernice za implementaciju okvira za dijeljeni način rada između MFCN-a i PMSE-a unutar opsega 2300‒2400 MHz
ECC/REC/(15)01 Pogranična koordinacija za mobilne/fiksne komunikacijske mreže (MFCN) u frekvencijskim opsezima: 694‒790 MHz, 1452‒1492 MHz, 3400‒3600 MHz i 3600‒3800 MHz
ECC/REC/(14)06 Implementacija uskopojasnih kanala za sisteme tačka-tačka u fiksnoj službi (3.5 MHz, 1.75 MHz, 0.5 MHz, 0.25 MHz, 0.025 MHz) u zaštitnim opsezima i centralnim razmacima donjeg 6 GHz opsega (od 5925 do 6425 MHz) i gornjeg 6 GHz opsega (6425‒7125 MHz)
ECC/REC/(14)04 Pogranična koordinacija za mobilne/fiksne komunikacijske mreže (MFCN) i između MFCN-a i drugih sistema u frekvencijskom opsegu 2300‒2400 MHz
ECC/REC/(14)01 Kanalni raspored radiofrekvencija za sisteme fiksne službe koji rade u opsegu 92–95 GHz
ECC/REC/(11)10 Aplikacije za lociranje i praćenje kod hitnih slučajeva i nesreća
ECC/REC/(11)09 UWB sistemi za praćenje lokacija ‒ tip 2 (LT2)
ECC/REC/(11)08 Okvir za autorizacijski režim za pseudosatelite Globalnog navigacijskog satelitskog sistema (GNSS) u opsegu 1559‒1610 MHz
ECC/REC/(11)05 Pogranična koordinacija za mobilne/fiksne komunikacijske mreže (MFCN) u frekvencijskom opsegu 2500‒2690 MHz
ECC/REC/(11)04 Pogranična koordinacija za mobilne/fiksne komunikacijske mreže (MFCN) u frekvencijskom opsegu 790‒862 MHz
ECC/REC/(11)01 Smjernice za dodjelu frekvencijskih blokova za fiksne bežične sisteme u opsezima 24.5‒26.5 GHz, 27.5‒29.5 GHz i 31.8‒33.4 GHz
ECC/REC/(10)02 Okvir za autorizacijski režim za repetitore Globalnog navigacijskog satelitskog sistema (GNSS)
ECC/REC/(10)01 Smjernice za kompatibilnost između komplementarnih zemaljskih komponenti (CGC), koje rade u opsegu 2170‒2200 MHz i EESS/SOS/SRS zemaljskih stanica koje rade u opsegu 2200‒2290 MHz
ECC/REC/(09)01 Korištenje frekvencijskog opsega 57‒64 GHz za fiksne bežične sisteme tačka-tačka
ECC/REC/(08)04 Identifikacija frekvencijskih opsega za implementaciju širokopojasnih radioaplikacija za pomoć u nesrećama (BBDR) u frekvencijskom opsegu 5 GHz
ECC/REC/(08)02 Frekvencijsko planiranje i frekvencijska koordinacija za GSM/UMTS/LTE/WiMAX kopnene mobilne sisteme koji rade u opsezima 900 i 1800 MHz
ECC/REC/(08)01 Korištenje frekvencijskog opsega 5855‒5875 MHz za Inteligentne transportne sisteme (ITS)
ECC/REC/(06)04 Korištenje frekvencijskog opsega 5725‒5875 MHz za širokopojasni fiksni bežični pristup (BFWA)
ECC/REC/(05)08 Frekvencijsko planiranje i pogranična koordinacija između GSM kopnenih mobilnih sistema (GSM 900, GSM 1800 i GSM-R)
ECC/REC/(05)07 Kanalni raspored radiofrekvencija za sisteme fiksne službe koji rade u opsezima 71‒76 GHz i 81‒86 GHz
ECC/REC/(05)02 Korištenje frekvencijskog opsega 64‒66 GHz za fiksnu službu
ECC/REC/(04)05 Smjernice za smještanje i dodjelu fiksnih bežičnih sistema za više tačaka u frekvencijskim opsezima 3.4‒3.6 GHz i 3.6‒3.8 GHz
ECC/REC/(02)09 Zaštita vazduhoplovne radionavigacijske službe u opsegu 2700‒2900 MHz od štetnih smetnji uzrokovanih radom digitalnih bežičnih kamera
ECC/REC/(02)06 Preferirani kanalni rasporedi za digitalne sisteme fiksne službe koji rade u frekvencijskom opsegu 7125‒8500 MHz
ECC/REC/(02)02 Preferirani kanalni rasporedi za sisteme fiksne službe (tačka-tačka i tačka-više tačaka), koji rade u frekvencijskim opsezima 31.0‒31.3 GHz
ECC/REC/(01)04 Preporučene smjernice za smještanje i dodjelu multimedijalnih bežičnih sistema (MWS) i fiksnih bežičnih sistema tačka-tačka (P-P) u frekvencijskom opsegu 40.5‒43.5 GHz
ERC/REC/(01)02 Preferirani kanalni raspored za digitalne FS sisteme koji rade u opsegu 31.8‒33.4 GHz
ERC/REC/(01)01 Pogranična koordinacija za mobilne/fiksne komunikacijske mreže (MFCN) u frekvencijskim opsezima 1920‒1980 MHz i 2110‒2170 MHz
ERC/REC/(00)04 Harmonizirane frekvencije i slobodni promet i korištenje za aplikacije putem meteorskih tragova
ERC/REC 70-03 Preporuka vezana za korištenje uređaja kratkog dometa (SRD)
ERC/REC 62-02 Harmonizirani frekvencijski opseg za civilne i vojne vazduhoplovne telemetrijske aplikacije
ERC/REC 25-10 Frekvencijski opsezi za korištenje terestrijalnih audio i videoaplikacija za pravljenje programa za specijalne događaje (PMSE)
ERC/REC 14-03 Harmonizirani kanalni rasporedi radiofrekvencija za sisteme malog i srednjeg kapaciteta u opsegu od 3400 MHz do 3600 MHz
ERC/REC 14-02 Kanalni rasporedi radiofrekvencija za digitalne sisteme fiksne službe visokog, srednjeg i malog kapaciteta koji rade u opsegu 6425‒7125 MHz
ERC/REC 14-01 Kanalni rasporedi radiofrekvencija za analogne i digitalne radiorelejne sisteme visokog kapaciteta koji rade u opsezima od 5925 do 6425 MHz
ERC/REC 13-03 Korištenje opsega 14.0‒14.5 GHz za terminale s malim otvorom antene (VSAT) i Satelitsko prikupljanje vijesti (SNG)
ERC/REC 12-12 Kanalni rasporedi radiofrekvencija za sisteme fiksne službe koji rade u opsegu 55.78‒57.0 GHz (amandman iz 2015.)
ERC/REC 12-11 Kanalni rasporedi radiofrekvencija za sisteme fiksne službe koji rade u opsezima 48.5‒50.2/50.9‒52.6 GHz
ERC/REC 12-08 Harmonizirani kanalni rasporedi radiofrekvencija i namjena blokova za sisteme malog, srednjeg i velikog kapaciteta u opsegu od 3600 MHz do 4200 MHz
ERC/REC 12-07 Harmonizirani kanalni rasporedi radiofrekvencija za digitalne zemaljske fiksne sisteme koji rade u opsegu 14.5‒14.62 GHz koji je uparen s opsegom 15.23‒15.35 GHz
ERC/REC 12-06 Preferirani kanalni rasporedi za sisteme fiksne službe koji rade u frekvencijskom opsegu 10.7‒11.7 GHz
ERC/REC 12-05 Harmonizirani kanalni rasporedi radiofrekvencija za digitalne zemaljske fiksne sisteme koji rade u opsegu 10.0‒10.68 GHz
ERC/REC 12-03 Harmonizirani kanalni rasporedi radiofrekvencija za digitalne zemaljske fiksne sisteme koji rade u opsegu od 17.7 GHz do 19.7 GHz
ERC/REC 12-02 Harmonizirani kanalni raspored radiofrekvencija za analogne i digitalne zemaljske fiksne sisteme koji rade u opsegu od 12.75 GHz do 13.25 GHz
T/R 25-08 Kriterij planiranja i koordinacije frekvencija za kopnene mobilne sisteme u opsegu 29.7‒470 MHz
T/R 13-02 Preferirani kanalni rasporedi za sisteme fiksne službe u frekvencijskom opsegu 22.0‒29.5 GHz
T/R 13-01 Preferirani kanalni rasporedi za sisteme fiksne službe koji rade u frekvencijskom opsegu 1-2-3 GHz
T/R 12-01 Harmonizirani kanalni rasporedi radiofrekvencija za analogne/digitalne FS-ove koji rade u opsegu 37‒39.5 GHz
ITU-R BO.1898-1 Vrijednost gustine fluksa snage za zaštitu prijemnih zemaljskih stanica u radiodifuznoj satelitskoj službi u Regionima 1 i 3 od emisija stanica u fiksnoj i/ili mobilnih službi u opsegu 21.4‒22 GHz
ITU-R M.541-11 Operativne procedure za korištenje digitalne selektivne opreme za pozivanje u pomorskoj mobilnoj službi
ITU-R M.1174-4 Tehničke karakteristike opreme koja se koristi za komunikaciju na plovilima u opsezima između 450 i 470 MHz
ITU-R M.1371-5 Tehničke karakteristike za sisteme automatske identifikacije koji koriste višestruki pristup s vremenskom podjelom u VHF mobilnom pomorskom opsegu
ITU-R M.1638-1 Karakteristike i kriteriji zaštite za zajedničke studije za radiolokacijske (osim meteoroloških radara na zemlji) i vazduhoplovne radionavigacijske radare koji rade u opsezima između 5250 i 5850 MHz
ITU-R M.1643-0 Tehnički i operacioni zahtjevi za zemaljske stanice na vazduhoplovima u vazduhoplovnoj mobilnoj satelitskoj službi uključujući one koje koriste mrežne transpondere fiksne satelitske službe u opsegu 14‒14.5 GHz (Zemlja ‒ svemir)
ITU-R M.2057-1 Sistemske karakteristike radara na motornim vozilima koji rade u frekvencijskom opsegu 76‒81 GHz za aplikacije inteligentnih transportnih sistema
ITU-R M.2164-0 Smjernice za tehnička i operativna mjerenja za korištenje frekvencijskog opsega 1240‒1300 MHz od strane amaterske i amaterske satelitske službe u cilju zaštite radionavigacijske satelitske službe (svemir ‒ Zemlja)
ITU-R P.452-18 Procedura predviđanja za evaluaciju interferencije između stanica na površini Zemlje na frekvencijama iznad 0.1 GHz
ITU-R P.525-5 Proračun slabljenja u slobodnom prostoru
ITU-R RA.769-2 Kriteriji zaštite koji se koriste za radioastronomska mjerenja
ITU-R RA.1513-2 Nivoi gubitka podataka za posmatranja u radioastronomiji i kriteriji procenta vremena koji su rezultat degradacije zbog smetnji za frekvencijske opsege namijenjene radioastronomskoj službi na primarnoj osnovi
ITU-R RA.1631-0 Referentni dijagram antene u radioastronomiji koji se koristi za kompatibilne analize između negeostacionarnih sistema i stanica službe radioastronomije zasnovanih na epfd konceptu
ITU-R RS.1260-1 Izvodljivost zajedničkog korištenja aktivnih svemirskih senzora i drugih servisa u opsegu 420‒470 MHz
ITU-R RS.1632-0 Zajedničko korištenje u opsegu 5250‒5350 MHz između službe satelitskog istraživanja Zemlje (aktivno) i bežičnih pristupnih sistema (uključujući lokalne radiomreže) u mobilnoj službi
ITU-R RS.1881-0 Kriterij zaštite prijemnika razlike vremena dolaska koji rade u službi meteorološke pomoći u frekvencijskom opsegu 9‒11.3 kHz
ITU-R RS.2065-0 Zaštita linkova svemir ‒ Zemlja službe istraživanja svemira u opsezima 8400‒8450 MHz i 8450‒8500 MHz od neželjenih emisija radara sa sintetičkim otvorom koji rade u službi satelitskog istraživanja Zemlje (aktivno) na frekvenciji oko 9600 MHz
ITU-R RS.2066-1 Zaštita službe radioastronomije u frekvencijskom opsegu 10.6‒10.7 GHz od neželjenih emisija radara sa sintetičkim otvorom koji rade u službi satelitskog istraživanja Zemlje (aktivno) na frekvenciji oko 9600 MHz
ITU-R S.1340-0 Zajedničko korištenje linkova za napajanje mobilne satelitske službe i vazduhoplovne radionavigacijske službe u smjeru Zemlja ‒ svemir u frekvencijskom opsegu 15.4‒15.7 GHz
ITU-R S.1586-1 Proračun nivoa neželjenih emisija koje proizvode negeostacionarni sistemi fiksne satelitske službe na radioastronomskim lokacijama
ITU-R SA.1862-0 Smjernice za efikasno korištenje opsega 25.5‒27.0 GHz za službu satelitskog istraživanja Zemlje (svemir ‒ Zemlja) i službu istraživanja svemira (svemir ‒ Zemlja)
Appendix 15 Frekvencije za komunikacije u Globalnom pomorskom sistemu za sigurnost i slučaj opasnosti (GMDSS)
Appendix 17 ITU RR Frekvencije i kanalni raspored na visokim frekvencijskim opsezima za pomorsku mobilnu službu
Appendix 18 ITU RR Tabela predajnih frekvencija u VHF pomorskom mobilnom opsegu
Appendix 25 ITU RR Odredbe i pripadajući plan dodjele za obalne radiotelefonske stanice koje rade u ekskluzivnim pomorskim mobilnim opsezima između 4000 kHz i 27500 kHz
Appendix 26 ITU RR Odredbe i pripadajući frekvencijski plan dodjele za vazduhoplovnu mobilnu službu (OR) u opsezima ekskluzivno namijenjenima toj službi u opsegu između 3025 kHz i 18030 kHz
Appendix 27 ITU RR Plan frekvencijske dodjele za vazduhoplovne mobilne službe (R) i informacije koje se na to odnose
Article 12 ITU RR Sezonsko planiranje HF opsega namijenjenih službi radiodifuzije između 5900 kHz i 6100 kHz
MA02revCO07 Specijalni aranžman koji regulira frekvencijski opseg 1452‒1479.5 MHz Maastricht, donesen 2002. godine, revidiran u Constanţi, Rumunija, 04. 07. 2007. godine (MA02revCO07), stupio na snagu 01. 09. 2007. godine
WI95revCO07 Specijalni aranžman Wiesbaden, 1995, revidiran u Constanţi 2007. godine, Finalni akti CEPT T-DAB sastanka za planiranje, 2007. godine, za reviziju posebnog aranžmana za CEPT (Evropska konferencija administracija za poštu i telekomunikacije), koji se odnosi na korištenje opsega 47–68 MHz, 87.5–108 MHz, 174–230 MHz, 230–240 MHz i 1452–1492 MHz za uvođenje zemaljske digitalne zvučne radiodifuzije (T-DAB), Wiesbaden, 1995, kao što je revidirano na drugom CEPT T-DAB sastanku za planiranje u Bonnu 1996. godine, dodatno revidirano na trećem CEPT T-DAB sastanku za planiranje, Maastricht, 2002. godine
GE06 ‒
Sporazum Ženeva 2006 Finalni akti regionalne radiokonferencije za planiranje digitalnih zemaljskih radiodifuznih servisa u dijelovima Regiona 1 i 3 u frekvencijskim opsezima 174‒230 MHz and 470‒862 MHz (RRC-06)
GE75 ‒
Sporazum Ženeva 1975 Finalni akti regionalne administrativne konferencije za LF/MF radiodifuziju (Regioni 1 i 3), Ženeva, 1975
GE84 ‒
Sporazum Ženeva 1984 Finalni akti regionalne administrativne radiokonferencije za planiranje VHF zvučne radiodifuzije (Region 1 i dijelovi Regiona 3)
GE85 – Sporazum Ženeva 1985 Regionalna administrativna radiokonferencija za pomorsku mobilnu službu i vazduhoplovnu radionavigacijsku službu u dijelovima MF opsega u Regionu 1 (Ženeva, 1985.)
Pravilo 44/2009 Plan korištenja radiofrekvencijskog opsega 24.5–26.5 GHz za fiksne bežične pristupne sisteme ("Službeni glasnik BiH", broj 52/04)
Pravilo 75/2016 Korištenje radiofrekvencijskog opsega 11.7‒12.5 GHz za MVDS/MMDS ("Službeni glasnik BiH", broj 52/15)
Pravilo 78/2016 o korištenju radiofrekvencijskog opsega 10.0‒10.68 GHz za fiksne sisteme ("Službeni glasnik BiH", broj 34/16)
Pravilo 82/2017 o korištenju radiofrekvencijskih opsega 900/1800/2100 MHz za LTE ("Službeni glasnik BiH", broj 4/18)
Pravilo 83/2018 Pravilo o korištenju radiofrekvencijskog opsega 800 MHz za MFCN ("Službeni glasnik BiH", broj 34/18)
Pravilo 84/2018 Pravilo o korištenju radiofrekvencijskog opsega 2600 MHz za MFCN ("Službeni glasnik BiH", br. 34/18)
Pravilo 85/2018 Pravilo o korištenju radiofrekvencijskih opsega 3400–3600 MHz i 3600–3800 MHz za MFCN ("Službeni glasnik BiH", broj 34/18)
Pravilo 87/18 Pravilo 87/2018 o korištenju radiofrekvencijskog opsega 1452‒1492 MHz za MFCN SDL
Pravilo 91/2019 Pravilo o korištenju radiofrekvencijskih opsega za linkove tačka-tačka u fiksnom servisu u Bosni i Hercegovini ("Službeni glasnik BiH", broj 27/19)
DIO V – SKRAĆENICE
(OR) Off-Route – izvan linije (vazdušne)/koridora
(R) Route – duž linije (vazdušne)/koridora
ACS ‒ Authomatic Connection System – Sistem za automatsko povezivanje
ADS ‒ Automatic Dependant Surveillance (Aeronautical) – Automatski zavisni nadzor (vazduhoplovni)
AES ‒ Aircraft Earth Stations – zemaljska stanica na vazduhoplovu
AGA ‒ Air Ground Air – vazduh – zemlja – vazduh
AIS ‒ Automatic Identification System – Automatski sistem za identifikaciju
AIS SART ‒ Automatic Identification System Search and Resque Trasmitter – Automatski sistem za identifikaciju u slučaju potrage i spašavanja
ALD ‒ Assistive Listening Devices – Slušna pomagala
ALS ‒ Assistive Listening Systems – Pomoćni sistemi za slušanje
AM ‒ Amplitude Modulation – Amplitudna modulacija
AMRD ‒ Autonomous Maritime Radio Device – Autonomni pomorski radiouređaj
AMS(R)S ‒ Aeronautical Mobile Satellite (Route) Services – Vazduhoplovna mobilna satelitska služba (duž linije)
APP ‒ Appendix of the ITU Radio Regulations – Dodatak ITU Radio pravilnika
ASDE ‒ Airport Surface Detection Equipment – Oprema za detekciju površine aerodroma
AVI ‒ Automatic Vehicle Identification – Automatska identifikacija vozila
BBDR ‒ Broad Band Disaster Relief – Širokopojasni sistem za pomoć u slučaju katastrofa
BFWA ‒ Broadband Fixed Wireless Access – Fiksni širokopojasni bežični pristup
BSS ‒ Broadcasting Satellite Service – Služba satelitske radiodifuzije
BWA ‒ Broadband Wireless Access – Širokopojasni bežični pristup
CB ‒ Citizen Band – Građanski opseg
CEPT ‒ European Conference of Postal and Telecommunications Administrations – Evropska konferencija administracija za poštu i telekomunikacije
CGC ‒ Complementary Ground Component – Zemaljska komplementarna komponenta
CRS ‒ Central Radio Station – Centralna radiostanica
CT ‒ Cordless Telephone – Bežični telefon
DA2GC ‒ Direct Air-to-Ground Communications – Direktna komunikacija vazduh – zemlja
DCS 1800 ‒ Digital Cellular System – Digitalni celularni sistem 1800
DEC ‒ Decision – Odluka
DECT ‒ Digital Enhanced Cordless Telecommunication – Digitalne poboljšane bežične telekomunikacije
D-GPS ‒ Differential Global Positioning System – Diferencirani sistem globalnog pozicioniranja
DME ‒ Distance Measuring Equipment – Oprema za mjerenje udaljenosti
DMO ‒ Direct Mode Operation – Direktni način rada
DRM ‒ Digital Radio Mondiale – Set tehnologija za digitalnu zvučnu radiodifuziju
DSC ‒ Digital Selective Calling – Digitalni selektivni poziv
DSI ‒ Detailed Spectrum Investigation – Detaljno istraživanje spektra
DVB-T ‒ Terrestrial Digital Video Broadcasting – Zemaljska digitalna televizijska radiodifuzija
ECA ‒ European Common Allocation – Zajednička evropska tabela namjene
ECC ‒ Electronic Communications Committee – Elektronski komunikacijski komitet
ECM ‒ Electronic Countermeasures – Elektronske protivmjere
ECP ‒ European Common Proposal – Zajednički evropski prijedlog (zajednički prijedlog evropskih zemalja koji se primjenjuje kod Svjetske radiokonferencije)
EESS ‒ Earth Exploration-Satellite Service – Služba satelitskog istraživanja Zemlje
EFIS ‒European Frequency Information System – Evropski frekvencijski informacioni sistem
EGSM ‒ Extended GSM – Prošireni opseg za GSM
ELT ‒ Emergency locator transmitter – Predajnik za lociranje u hitnim slučajevima
ENG ‒ Electronic News Gathering – Elektronsko prikupljanje vijesti
EPIRB ‒ Emergency Position-Indicating Radiobeacon – Radiofar za pozicioniranje u hitnim slučajevima
ERC ‒ European Radiocommunications Committee – Evropski radiokomunikacijski komitet
ERO ‒ European Radiocommunications Office – Evropski radiokomunikacijski ured
ESIM ‒ Earth Stations in Motion – Zemaljske stanice u pokretu
ESOMPs ‒ Earth Stations On Mobile Platforms – Zemaljske stanice na mobilnim platformama
EST ‒ Earth Stations on Trains – Zemaljske stanice na vozovima
ESV ‒ Earth Stations on-board Vessels – Zemaljske stanice na plovilima
Euroloop – Uređaji za komunikaciju na željeznicama
Eurobalise ‒ Uređaji za komunikaciju na željeznicama (postavljaju se na šinama)
FDD ‒ Frequency Division Duplex – Frekvencijsko dupleksiranje kanala
FM ‒ Frequency Modulation – Frekvencijska modulacija
FRMCS ‒ Future Ralway Mobile Communication System – Budući mobilni komunikacijski sistem na željeznicama
FSS ‒ Fixed-Satellite Service – Fiksna satelitska služba
FWA ‒ Fixed Wireless Access – Fiksni bežični pristup
GALILEO ‒ European Global Navigation Satellite System – Evropski globalni satelitski sistem za navigaciju
GBAS ‒ Ground Based Augmentation System – Sistem koji omogućava korekciju i nadgledanje GNSS-a
GBSAR ‒ Ground Based Synthetic Aperture Radar – Radar sa sintetičkim otvorom
GE06 ‒ Geneva 2006 Agreement – Sporazum Ženeva 06
GE75 ‒ Geneva 1975 Agreement – Sporazum Ženeva 75
GE84 ‒ Geneva 1984 Agreement – Sporazum Ženeva 84
GE85 ‒ Geneva 1985 Agreement – Sporazum Ženeva 85
GLONASS ‒ Global Navigation Satellite System – Globalni navigacijski satelitski sistem
GMDSS ‒ Global Maritime Distress and Safety System – Globalni pomorski sistem za sigurnost i slučaj opasnosti
GNSS ‒ Global Navigation Satellite System – Globalni satelitski navigacijski sistem
GPR/WPR ‒ Ground Probing Radar / Wall Probing Radar – Radar za ispitivanje tla i zidova
GPS ‒ Global Positioning System – Globalni sistem za pozicioniranje
GSM ‒ Global System for Mobile Communications – Globalni sistem za mobilne komunikacije
GSM 1800 ‒ Global System for Mobile Communications using 1800 MHz Band – Globalni sistem za mobilne komunikacije koji koristi opseg 1800 MHz
GSM-R ‒ GSM for Railways – GSM za željeznice
GSO ‒ GeoStationary Orbit – Geostacionarna orbita
HAPS ‒ High Altitude Platform Systems – Sistemi na platformi na velikoj visini
HDFS ‒ High Density Fixed Service – Aplikacije velike gustine u fiksnoj službi
HDFSS ‒ High Density Fixed-Satellite Service – Aplikacije velike gustine u fiksnoj satelitskoj službi
HDTV ‒ High Definition Television – Televizija visoke rezolucije
HEST ‒ High e. i. r. p. Satellite Terminals – Satelitski terminali s velikim e. i. r. p.-om
HIPERLAN ‒ High Performance Radio Local Area Network – Lokalne radiomreže visokih performansi
IBCN ‒ Integrated Broadband Communications Network – Integrirane širokopojasne komunikacijske mreže
ILS ‒ Instrument Landing System – Sistem za instrumentalno slijetanje
IMO ‒ International Maritime Organisation – Međunarodna pomorska organizacija
IMT ‒ International Mobile Telecommunications – Međunarodne mobilne telekomunikacije
ISM ‒ Industrial, Scientific and Medical – Industrijska, naučna i medicinska upotreba
ITS ‒ Intelligent Transport Systems – Inteligentni transportni sistemi
ITU ‒ International Telecommunication Union – Međunarodna unija za telekomunikacije
ITU R ‒ International Telecommunication Union Radiocommunication – Radiokomunikacijski sektor Međunarodne unije za telekomunikacije
ITU RR ‒ International Telecommunication Union Radio Regulations ‒ Radio pravilnik Međunarodne unije za telekomunikacije
JTIDS ‒ Joint Tactical Information Distribution System – Zajednički taktičko-informacioni distribucijski sistem
LAES ‒ Location Application for Emergency Services – Aplikacija praćenja položaja za hitne službe
LANs ‒ Local Area Networks – Lokalne mreže
LEO SAT ‒ Low Earth Orbiting Satellite – Satelit na niskim zemljinim orbitama
LEST ‒ Low e. i. r. p. Satellite Terminals – Satelitski terminali s niskim e. i. r. p.-om
LP-AMI ‒ Low Power Active Medical Implants – Aktivni medicinski implantati male snage
LPR ‒ Level Probing Radar – Industrijski radari za sondiranje nivoa
LT2 ‒ Location Tracking Type 2 – Praćenje položaja tip 2
LTE ‒ Long Term Evolution – Komunikacijski standard za prijenos podataka u celularnim mrežama (4G)
MBANS ‒ Medical Body Area Network Systems – Sistemi za prikupljanje podataka o zdravstvenom stanju pacijenata
MBR ‒ Maritime Broadband Radio Links – Pomorski širokopojasni radiolinkovi
MCA ‒ Mobile Communications Services on Board Aircraft – Mobilne komunikacije na vazduhoplovu
MCV ‒ Mobile Communication Services on Board Vessels – Mobilne komunikacije na plovilu
MES ‒ Mobile Earth Stations – Mobilne zemaljske stanice
MFCN ‒ Mobile/Fixed Communications Networks – Mobilne/fiksne komunikacijske mreže
MFCN SDL ‒ Mobile/Fixed Communications Networks Supplemental Downlink – Dodatni silazni link za mobilne/fiksne komunikacijske mreže
MIDS ‒ Multifunctional Information Distribution System – Multifunkcionalni sistem za distribuciju informacija
MIFR ‒ Master International Frequency Register – Međunarodni registar frekvencija ITU-a
MLS ‒ Microwave Landing System – Mikrotalasni sistem za slijetanje
MMDS ‒ Multichannel Multipoint Distribution Services ‒ višekanalni servis distribucije u više tačaka
MSI ‒ Maritime Safety Information – Pomorske sigurnosne informacije
MSS ‒ Mobile-Satellite Service – Mobilna satelitska služba
MVDS ‒ Microwave Video Distribution Systems ‒ sistem videodistribucije u više tačaka
MWS ‒ Multimedia Wireless System – Multimedijalni bežični sistem
NAVDAT ‒ Navigational Data – Podaci u navigaciji
NAVTEX ‒ Navigational Telex – Navigacioni teleks
NDB ‒ Non-Directional Beacon – Neusmjereni radiofar
NGSO ‒ Non-GeoStationary Orbit – Negeostacionarna orbita
PAMR ‒ Public Access Mobile Radio – Mobilni radio s javnim pristupom
PKO ‒ Peace Keeping Operations – Operacije za očuvanje mira
PLB ‒ Personal Locator Beacons – Personalni radiofar
PMR ‒ Professional Mobile Radio, Private Mobile Radio – Profesionalni mobilni radio, privatni mobilni radio
PMSE ‒ Programme Making and Special Events – Pravljenje programa za specijalne događaje
PPDR ‒ Public Protection and Disaster Relief – Sistemi civilne zaštite u slučaju nesreća
PSTN ‒ Public Switched Telephone Network – Javna komutirana telefonska mreža
PWAP ‒ Private Wide Area Paging – Privatni sistem za jednosmjerni poziv
RA ‒ Radio Astronomy – Radioastronomija
REC ‒ Recommendation – Preporuka
RFID ‒ Radio Frequency Identification – Identifikacija radiofrekvencija
RLANS ‒ Radio Local Area Network System – Sistem radijske lokalne mreže
RMR ‒ Ralway Mobile Radio ‒ Mobilni radio na željeznicama
RNSS ‒ Radio Navigation Satellite System – Satelitski sistem za radionavigaciju
ROES ‒ Receive Only Earth Stations – Prijemna zemaljska satelitska stanica
RR ‒ ITU Radio Regulations – ITU Radio pravilnik
RTE ‒ Radar Target Enhancer – Radarski pojačivač
RTTT ‒ Road Transport & Traffic Telematics – Putna saobraćajna i transportna telemetrija
SAB ‒ Services Ancillary to Broadcasting – Pomoćne službe za radiodifuziju
SAP ‒ Services Ancillary to Programming – Pomoćne službe za pravljenje programa
SAR (communications) ‒ Search and Rescue – Potraga i spašavanje
SIT ‒ Satellite Interactive Terminal – Satelitski interaktivni terminal
SNG ‒ Satellite News Gathering – Satelitsko prikupljanje vijesti
S-PCS ‒ Satellite Personal Communication System – Satelitski personalni komunikacijski sistem
SRD ‒ Short Range Device – Uređaj kratkog dometa
SRR ‒ Short Range Radar – Radar kratkog dometa
SRS ‒ Space Research Service – Služba istraživanja svemira
SSR ‒ Secondary Surveillance Radar – Sekundarni nadzorni radar
SUT ‒ Satellite User Terminal – Satelitski korisnički terminal
TACAN ‒ Tactical Air Navigation – Taktička navigacija
T-DAB ‒ Terrestrial Digital Audio Broadcasting – Zemaljska digitalna zvučna radiodifuzija
TDD ‒ Time Division Duplex – Vremensko dupleksiranje kanala
TETRA ‒ Terrestrial Trunked Radio – Zemaljski prijenosni radiosistem
TLPR ‒ Tank Level Probing Radar – Radari za određivanje nivoa tečnosti u rezervoarima
TRR ‒ Tactical Radio Relays – Taktički radiorelejni sistemi
TS ‒ Terminal Station – Terminalna stanica
TTT ‒ Transport and Traffic Telematics – Transportna i saobraćajna telemetrija
TV ‒ Television – Televizija
UAS ‒ Unmanned Aircraft System – Bespilotni vazduhoplovni sistem
UIC ‒ International Union for Railways – Međunarodna unija za željeznice
ULP-AID ‒ Ultra Low Power Animal Implants Devices – Medicinski implantati za životinje ultramale snage
ULP-AMI ‒ Ultra Low Power Active Medical Implants – Aktivni medicinski implantati ultramale snage
ULP-MMI ‒ Ultra Low Power Medical Membrane Implants – Medicinski implantati s membranom ultramale snage
ULP-WMCE ‒ Ultra Low Power Wireless Medical Capsule Endoscopy – Bežična endoskopija medicinskih kapsula ultramale snage
UMTS ‒ Universal Mobile Telecommunications System – Univerzalni mobilni telekomunikacijski sistem (3G)
UTC ‒ Coordinated Universal Time – Univerzalno koordinirano vrijeme
UWB ‒ Ultra Wideband – Ultra širokopojasni
VLBI ‒ Very Long Baseline Interferometry (Radio Astronomy) – Interferometrija s velikom razdaljinom između radioteleskopa (u radioastronomiji)
VOR VHF ‒ Omni-directional Range – VHF omnidirekcioni navigacijski sistem
VSAT ‒ Very Small Aperture Terminal – Satelitski terminal s malom antenom
VTS ‒ Vessel Traffic System (radar) – Radari za praćenje saobraćaja na plovilima
WAIC ‒ Wireless Avionics Intra-Communication systems – Bežični unutrašnji avionski komunikacijski sistemi
WARC ‒ World Administrative Radio Conference – Svjetska administrativna radiokonferencija
WAS ‒ Wireless Access System – Bežični pristupni sistem
WIA ‒ Wireless Industrial Applications – Bežične industrijske aplikacije
WiMAX ‒ Worldwide Interoperability for Microwave Access – Globalna interoperabilnost mikrotalasnih pristupnih sistema
WRC ‒ World Radiocommunication Conference – Svjetska radiokonferencija
















































